Engine removal

Tiny
TED GENRE
  • MEMBER
  • 1996 TOYOTA TACOMA
  • 80,345 MILES
I have an 1996 Tacoma with the 2.4L automatic transmission, 2wd, I've purchased a good used engine for this truck and am in the process with a couple bolts keeping the transmission to the engine. My problem is it is an automatic and I'm not finding the dust cover where the torque nuts can be accessed? Future reference also for the install, if the convert. Comes out does it go back in in 3 steps like an ford or just slides in? Any help would be Appreciated!
Wednesday, July 31st, 2019 AT 6:28 PM

11 Replies

Tiny
JACOBANDNICKOLAS
  • MECHANIC
  • 110,194 POSTS
Welcome to 2CarPros.

The manual indicates to remove the engine and transmission together. However, here are the directions for transmission removal and replacement.

___________________________________

1996 Toyota Truck Tacoma 2WD L4-2.4L (2RZ-FE)
Removal and Installation
Vehicle Transmission and Drivetrain Automatic Transmission/Transaxle Service and Repair Procedures Removal and Installation
REMOVAL AND INSTALLATION

pic 1

REMOVAL
1. Remove transmission with engine.

Pic 2

2. Remove left and right side stiffener plates.
A. Remove the 8 bolts, 2 stiffener plates and rear end plate.
Torque: 37 N.M (28 ft. Lbs.)

pic 3

b. Turn the crankshaft to gain access and remove the 6 bolts with holding the crankshaft pulley set bolt a wrench.
Torque: 41 N.M (30 ft. Lbs.)

pic 4

3. Remove starter.
Remove the 2 bolts and starter.
Torque 39 N.M (29 ft. Lbs.)
4. Remove transmission from engine.
A. Remove the 3 transmission mounting bolts from the engine.
Torque: 71 N.M (53 ft. Lbs.)
b. Pull out the transmission toward the rear.

INSTALLATION
Installation is in the reverse order of removal.

Pic 5

Using calipers and a straight edge, measure from the installed surface of the transmission housing. Correct distance:
More Than 31.75 mm (1.2500 inch)
If the distance is less than the standard, check for an improper installation.

HINT:
After installation, adjust the shift lever position and throttle cable.
Fill and check fluid level.

______________________________________

Here are directions for engine removal. It includes information for both automatic and manual transmission. The attached pictures correlate with the directions.

_____________________________________

Removal
Vehicle Engine, Cooling and Exhaust Engine Service and Repair Procedures Removal and Installation Removal
REMOVAL

pic 6

pic 7

pic 8

1. Remove engine under cover.
2. Drain engine coolant.
3. Drain engine oil.
4. Drain transmission oil.
5. Remove hood.
6. Remove radiator. Refer to Cooling System.
7. Remove drive belt for generator, fan with fluid coupling and water pump pulley. Refer to Cooling System.
8. Disconnect these cables:
(a) Disconnect the accelerator cable from the throttle body.
(b) w/ Cruise Control System: Remove the actuator cover, and disconnect the cruise control cable from the actuator.
9. Remove air cleaner assembly.
(a) Disconnect the Intake Air Temperature (IAT) sensor and Mass Air Flow (MAF) meter connectors.
(b) Disconnect the 3 wire clamps and engine wire.
(c) Loosen the air cleaner hose clamp.

Pic 9

(d) Remove the 3 bolts and the Mass Air Flow (MAF) meter, resonator and air cleaner assembly.
10. Remove intake air connector.
11. W/ A/C: Disconnect A/C compressor.
(a) Loosen the idler pulley nut and adjusting bolt, and remove the drive belt.
(b) Disconnect the A/C compressor connector.

Pic 10

(c) Remove the 4 bolts, and disconnect the compressor from the bracket.

NOTE: Put aside the compressor, and suspend it.

12. Remove generator wire.
(a) Disconnect the generator connector.

Pic 11

(b) Remove the nut, and disconnect the generator wire and wire clip.
13. Disconnect heater hoses.

Pic 12

(a) Remove the bolt and hose clamp.
(b) Disconnect the heater hoses.

Pic 13

14. Disconnect hoses.
Disconnect these hoses:
(a) Brake booster vacuum hose (1).
(b) Evaporative Emission (EVAP) hose (2).
(c) w/Power Steering (PS): 2 air hoses for PS idle-up (3).
(d) Fuel return hose (4).
(e) Fuel inlet hose (5).
15. W/PS:Disconnect PS pump from engine.
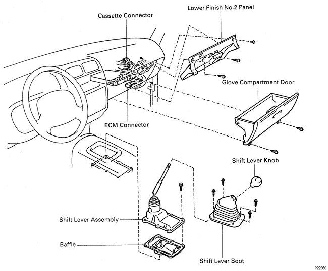
16. Disconnect engine wire from cabin.

Pic 14

(a) Remove these parts:
1. Glove compartment door (1).
2. Lower finish No. 2 panel (2).
(b) Disconnect the 4 Engine Control Module (ECM) connectors.
(c) Disconnect the 2 cassette connectors (cowl wire & engine wire) and 2 wire clamps from the lower finish panel.

Pic 15

(d) Disconnect these connector, ground strap and clamps:
1. Igniter connector (1).
2. Ground strap from cowl top panel (2).
3. 2 engine wire clamps (3).

Pic 16

(e) Remove 2 nuts holding the engine wire retainer to the cowl panel and pull out the engine wire from the cabin.

Pic 17

17. Remove front exhaust pipe.
(a) Disconnect the heated oxygen sensor connector.
(b) Remove the 2 bolts holding the front exhaust pipe to the Three-Way Catalytic Converter (TWC).
(c) Remove the 2 bolts holding the support bracket to the transmission.
(d) Remove the 3 nuts, front exhaust pipe and 3 gaskets.
18. M/T: Remove shift lever assembly.
(a) Remove the shift lever knob.
(b) Remove the 4 screws and shift lever boot.

Pic 18

(c) Remove the 6 bolts, shift lever assembly and baffle.

CAUTION: Do not lose the washers.

19. Remove propeller shaft. Refer to Transmission and Drivetrain.
20. Disconnect speedometer cable.

CAUTION: Do not lose the felt protector and washers.

Pic 19

21. M/T: Remove clutch release cylinder.
(a) Remove the 2 bolts, and disconnect the clutch release cylinder from the clutch housing.
(b) Remove the bolt and disconnect the clutch line.

Pic 20

22. A/T: Remove cross shaft.
Remove the 2 bolts and nut, and disconnect bracket from the transmission.

Pic 21

23. Disconnect starter wire.
(a) Remove the nut and disconnect the starter wire.
(b) Disconnect the starter connector.
(c) Remove the bolt and disconnect ground strap.
24. Place jack under transmission.

Pic 22

25. Remove engine rear mounting bracket.
Remove the 8 bolts holding the mounting bracket to the mounting insulator and cross member.
26. Remove engine with transmission.

Pic 23

(a) Install a rear engine hanger in the correct direction.
Part No:
Engine hanger No. 2: 12282 - 75020
Bolt: 91512 - 61020 or equivalents.
Torque: 42 Nm (30 ft. Lbs.)

pic 24

(b) Attach the engine hoist chain to the 2 engine hangers.

Pic 25

(c) Remove the 4 bolts and nuts holding the engine front mounting insulators to the frame.
(d) Lift the engine with transmission out of the vehicle slowly and carefully.

CAUTION: Make sure the engine is clear of all wiring and hoses.

(e) Place the engine and transmission assembly onto the stand.

Pic 26

27. Separate engine and transmission.

_________________________________

Install

INSTALLATION
1. Install transmission to engine.
2. Install engine and transmission assembly in vehicle.

Pic 27

(a) Attach the engine hoist chain to the engine hangers.
(b) Lower the engine and transmission assembly into the engine compartment.
(c) Keep the engine level, and align the RH and LH mountings and body mountings.

Pic 28

(d) Attach the RH and LH mounting insulators to the body mountings, and temporarily install the 4 bolts and 4 nuts.
(e) Jack up and put the transmission onto the frame.
(f) Remove the hoist chain.
(g) Remove the bolt and rear engine hanger.

Pic 29

3. Install engine rear mounting bracket.
Torque:
Bolt A: 18 Nm (13 ft. Lbs.)
Bolt B: 25 Nm (19 ft. Lbs.)
4. Tighten RH and LH engine mounting insulator bolts and nuts.
Tighten the 4 bolts and nuts holding the mounting insulators to the body mountings.
Torque: 38 Nm (28 ft. Lbs.)
5. Connect starter wire.

Pic 30

6. M/T: Install clutch release cylinder.
(a) Connect the clutch line with the bolt.
Torque: 39 Nm (29 ft. Lbs.)
(b) Install the clutch release cylinder with the 2 bolts.
Torque: 13 Nm (9 ft. Lbs.)

pic 31

7. A/T: Install cross shaft.
Torque:
Bolt: 39 Nm (29 ft. Lbs.)
Nut: 18 Nm (13 ft. Lbs.)
8. Connect speedometer cable.
9. Install propeller shaft. Refer to Transmission and Drivetrain.

Pic 32

10. M/T: Install shift lever assembly.

Pic 33

11. Install front exhaust pipe.
(a) Install 2 new gaskets and the front exhaust pipe assembly with new 3 nuts.
Torque: 62 Nm (46 ft. Lbs.)
(b) Install the support bracket with the 2 bolts.
Torque: 39 Nm (29 ft. Lbs.)
(c) Connect a new gasket and the Three-Way Catalytic Converter (TWC) to the tailpipe with the 2 bolts and nuts.
Torque: 39 Nm (29 ft. Lbs.)
(d) Connect the heated oxygen sensor connector.
12. Connect engine wire to cabin.
13. Connect generator wire.
14. W/ Power Steering (PS): Connect PS pump.
15. Connect hoses.
Connect these hoses:
- Fuel return hose.
- Fuel inlet hose.
- Brake booster vacuum hose.
- Evaporative Emission (EVAP) hose.
- w/ PS: 2 air hoses for PS idle-up.
16. Connect heater hoses.
17. W/ A/C: Install A/C compressor.
Torque: 25 Nm (18 ft. Lbs.)
18. Install intake air connector.
Torque: 18 Nm (13 ft. Lbs.)
19. Install air cleaner assembly.
20. Connect these cables:
(a) Connect the throttle cable to the throttle body.
(b) w/ Cruise Control System: Connect the cruise control cable to the actuator, and install the actuator cover.
21. Install radiator. Refer to Cooling System.
22. Fill with engine oil.
23. Fill with engine coolant.
24. Fill transmission oil.
25. Start engine and check for leaks.
26. Install engine under cover.
27. Install hood.
28. Perform road test.
Check for abnormal noise, shock, slippage, and smooth operation.
29. Recheck engine coolant and engine oil levels.

__________________

Let me know if this helps.

Take care,
Joe
Was this
answer
helpful?
Yes
No
+2
Wednesday, July 31st, 2019 AT 8:37 PM
Tiny
TED GENRE
  • MEMBER
  • 6 POSTS
Thanks Joe, many Thanks!
Was this
answer
helpful?
Yes
No
Wednesday, July 31st, 2019 AT 8:44 PM
Tiny
JACOBANDNICKOLAS
  • MECHANIC
  • 110,194 POSTS
You are very welcome. Happy to help. Let me know how you make out.

Take care,
Joe
Was this
answer
helpful?
Yes
No
+1
Wednesday, July 31st, 2019 AT 9:51 PM
Tiny
TED GENRE
  • MEMBER
  • 6 POSTS
Shes rough but salvageable!
Was this
answer
helpful?
Yes
No
Wednesday, July 31st, 2019 AT 9:56 PM
Tiny
JACOBANDNICKOLAS
  • MECHANIC
  • 110,194 POSTS
Doesn't look bad at all. Is the engine already in?

Joe
Was this
answer
helpful?
Yes
No
+1
Thursday, August 1st, 2019 AT 6:44 PM
Tiny
TED GENRE
  • MEMBER
  • 6 POSTS
Not yet Joe but I did get the Engine out! There were 2 brackets on both sides holding in the dust shield, removed those an vola, there were my converter bolts. Exactly what I was looking for! Your pics helped a bunch. I traded a cheap bang bang for this truck, the motor had been thrashed and home to a cat or 2 lol, Its getting a new life hopefully with an engine I bought with 80.000 miles. Did not know how hard it was to find the 2.4 because 95-97 requires the distributor. Will keep you posted with progession. Thanks so much!
Was this
answer
helpful?
Yes
No
Thursday, August 1st, 2019 AT 7:03 PM
Tiny
JACOBANDNICKOLAS
  • MECHANIC
  • 110,194 POSTS
Sounds like a good deal. I have to share something with you that sort of ties in with the cats living in it. Yesterday, I had a monte carlo come in with the exhaust in two pieces. Until I could get the correct parts for the vehicle, I told the owner I would put an adapter between the two parts where it broke and he could drive it until we ordered the new parts. So, I ran to the parts store to grab a section of exhaust. When I returned, the vehicle was still on the rack, so I got under it and on the side toward the back of the car there was a mouse looking at me from the back section of the exhaust. Ugh! I guess it made a home in the muffler or something. It took about an hour to get the stupid thing out. If I would have left it in there, things wouldn't have smelled too good.

Okay, I will shut up. Just wanted to share that with you. In this case, the owner could have used a cat.

Take care and when you get it done, let me know. Also, if you need anything, let me know.

Joe
Was this
answer
helpful?
Yes
No
+1
Thursday, August 1st, 2019 AT 7:49 PM
Tiny
TED GENRE
  • MEMBER
  • 6 POSTS
Hello Joe, Engine is all in an buttoned up, runs very good idles great with no smoke whatsoever. There is a slight ticking noise upon acceleration, but if you smoothly take up the rpm's it doesn't happen. Let me know what ya think? Lifter shim or cam lobe wear? Thanks!
Was this
answer
helpful?
Yes
No
Saturday, August 10th, 2019 AT 5:11 PM
Tiny
JACOBANDNICKOLAS
  • MECHANIC
  • 110,194 POSTS
Welcome back and that's great. Are you sure it isn't an exhaust manifold leak? As far as the what could be causing it, if it doesn't do it when you slowly accelerate, that is what it sounds like, an exhaust issue. Think about it. A lifter tick won't care if you accelerate fast or slow. It will make noise. Open the hood and have someone rev the engine quickly to see if you can tell for sure where it is coming from.

Let me know.

Joe
Was this
answer
helpful?
Yes
No
+1
Saturday, August 10th, 2019 AT 6:22 PM
Tiny
TED GENRE
  • MEMBER
  • 6 POSTS
Well I actually put all new exhaust gaskets (head and doughnut) you can hear the noise towards the back of the valve cover, its upon load especially uphill, when at idle these is no noise whatsoever an idles perfectly. Its a definite tick and not a thud knock like a piston rod noise. The donor truck was t-boned so i'm thinking maybe a valve shim was dislodged? Going to check under the valve cover and look for the culprit! No check engine light at all.
Thanks Joe
Was this
answer
helpful?
Yes
No
Saturday, August 10th, 2019 AT 6:52 PM
Tiny
JACOBANDNICKOLAS
  • MECHANIC
  • 110,194 POSTS
Welcome back:

Happy to help. Let me know what you find.

Take care,
Joe
Was this
answer
helpful?
Yes
No
Saturday, August 10th, 2019 AT 7:38 PM

Please login or register to post a reply.