4X4 wiring diagram needed

Tiny
DEANWEST
  • MEMBER
  • 1994 CHEVROLET 1500
  • 5.7L
  • V8
  • 4WD
  • AUTOMATIC
  • 98,000 MILES
Some time back, I ran through some brush and tore the wiring off of my actuators on the front axle.

I just bought a replacement harness but cannot find any details on how to install the harness. All it has is a brown wire coming out of the tubing. Where does that brown wire connect to?

Thanks
Friday, July 16th, 2021 AT 3:44 PM

3 Replies

Tiny
SQM
  • MECHANIC
  • 6,383 POSTS
Hello,

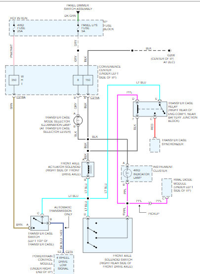
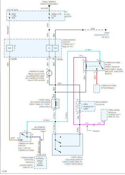
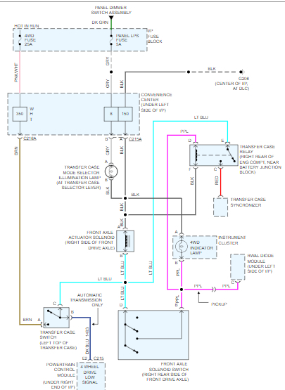
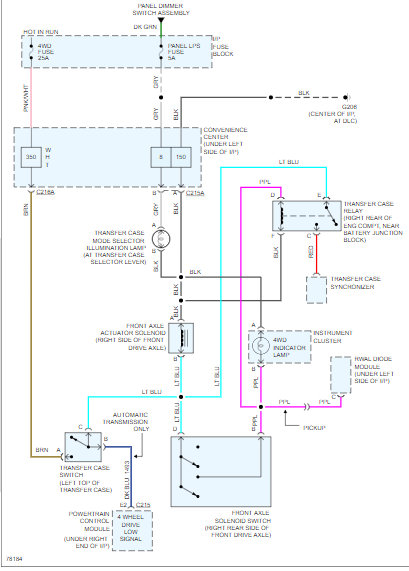
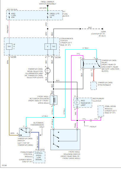
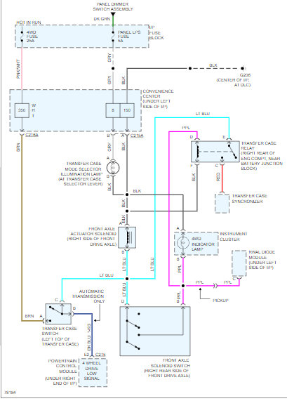
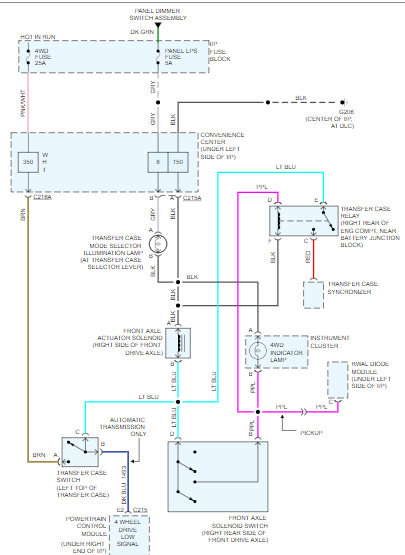
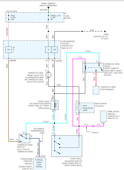
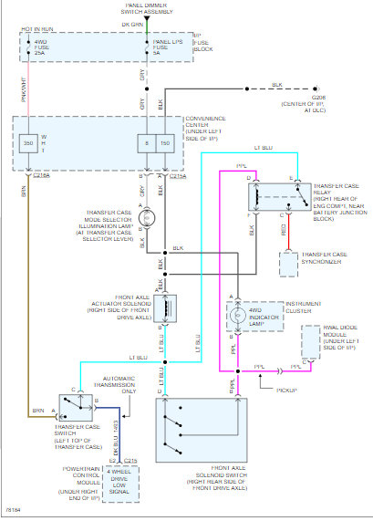
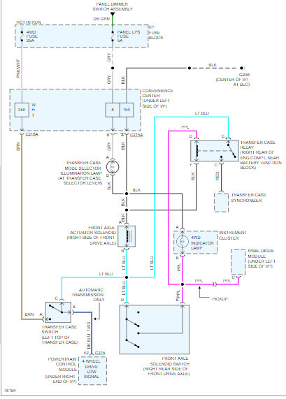
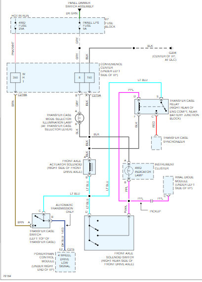
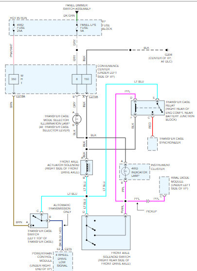
Please see attached for the wiring diagrams.

https://youtu.be/2SGFYZ5Ks3c

Let me know of any questions.

Thank you.
Was this
answer
helpful?
Yes
No
+1
Friday, July 16th, 2021 AT 7:12 PM
Tiny
DEANWEST
  • MEMBER
  • 2 POSTS
Thank you.
Was this
answer
helpful?
Yes
No
Saturday, July 17th, 2021 AT 2:54 PM
Tiny
SQM
  • MECHANIC
  • 6,383 POSTS
You're welcome.
Let me know if you have any further questions.

Thank you.
Was this
answer
helpful?
Yes
No
Saturday, July 17th, 2021 AT 3:14 PM

Please login or register to post a reply.