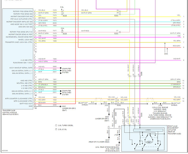
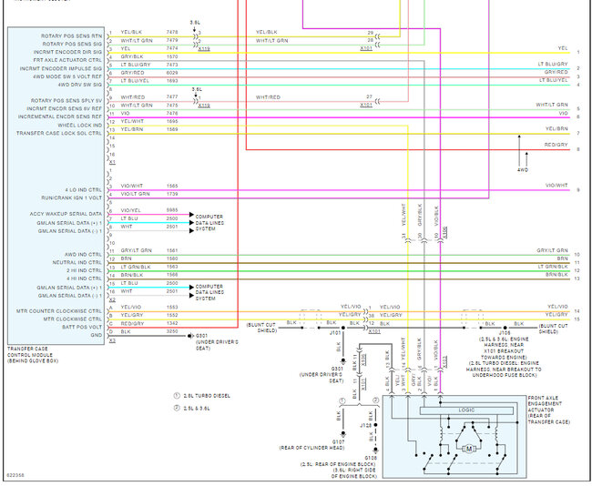
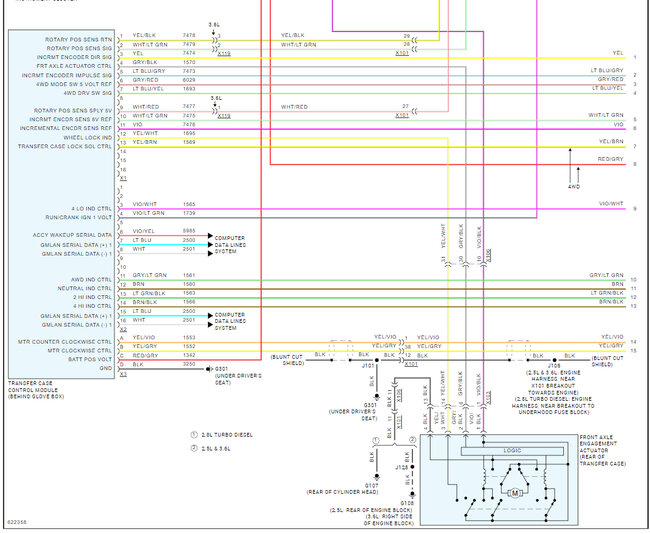
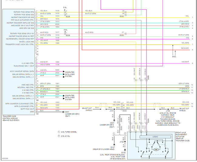
Sunday, August 25th, 2024 AT 11:27 AM
I have the vehicle listed above ZR2. The 4WD service light was coming on sporadically, so I replaced the transfer case actuator motor twice. Now the 4WD service light comes on immediately every single time I start my truck. Please advise.









