Sunday, August 24th, 2025 AT 3:21 PM
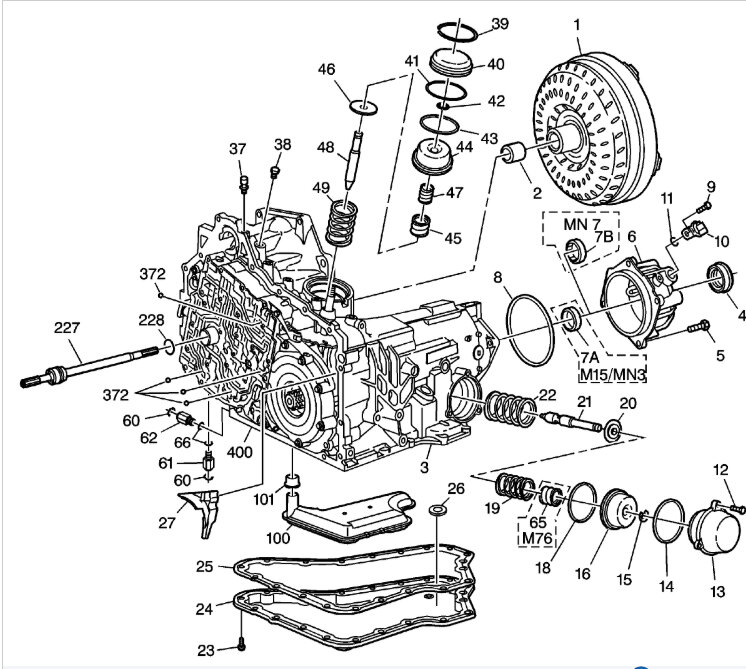
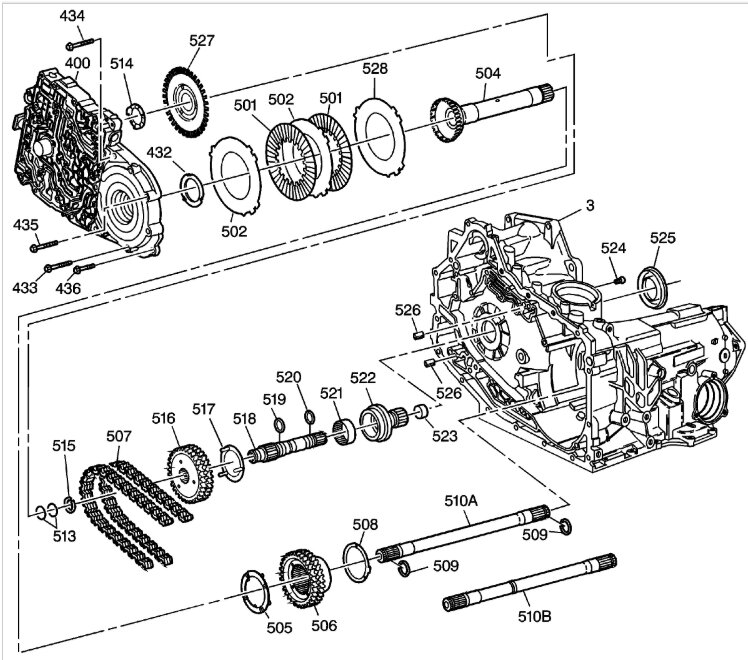
May I please have the transmission rebuild instructions for the 4T65E? I already did the tear down and got the overhaul kit along with a few other parts that needed to be replaced.














