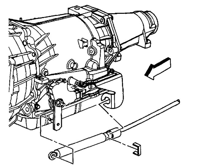
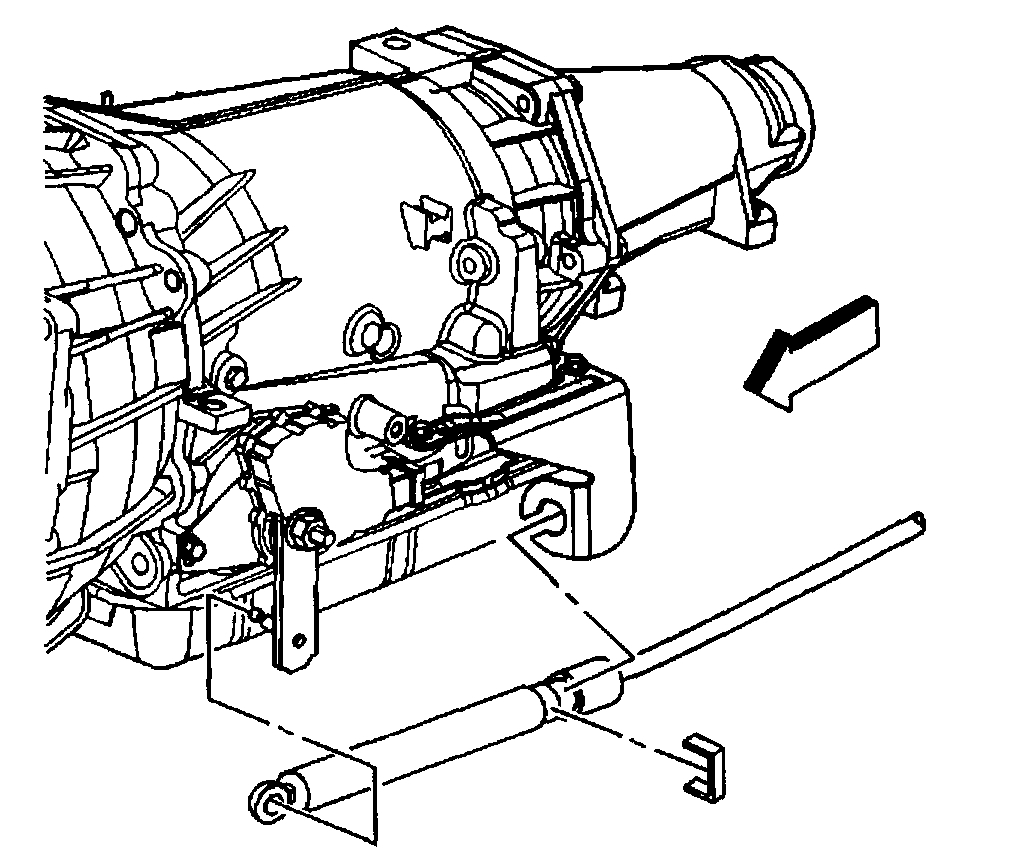
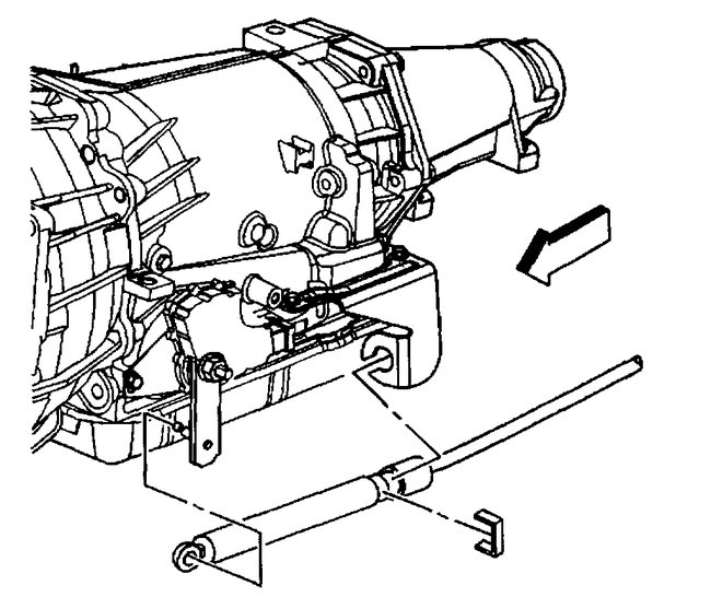
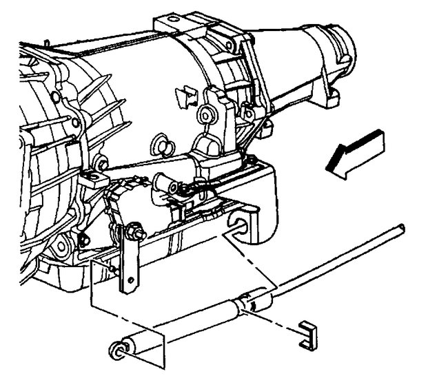
Thursday, May 30th, 2019 AT 8:38 AM
Took off transmission shifted fine until overdrive it kind of slipped and went to nothing. Pulled over to find I have no gears no reverse no forward no 4 wheel drive now the shifter does not go in park. Just had rebuilt twice in six months. Please help!

