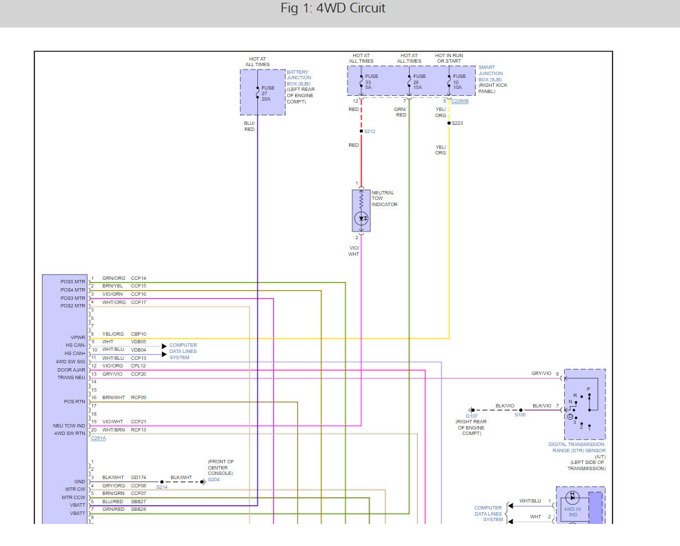
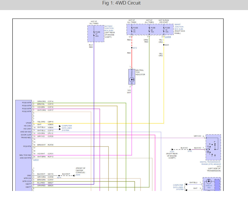
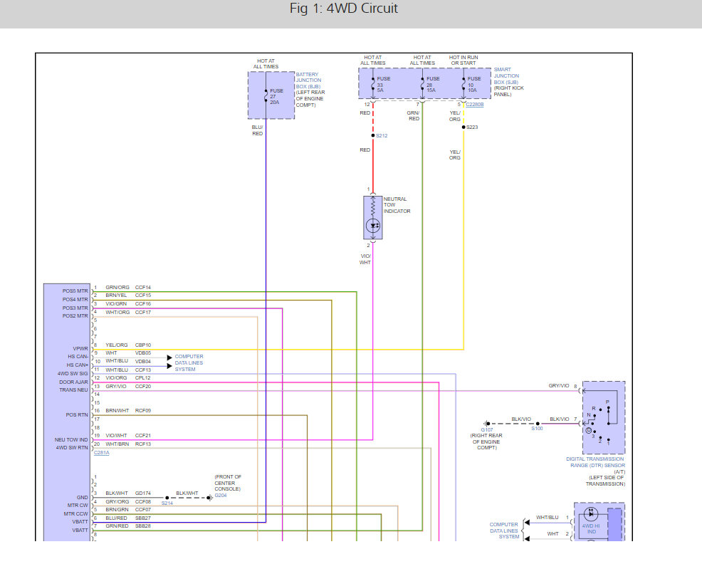
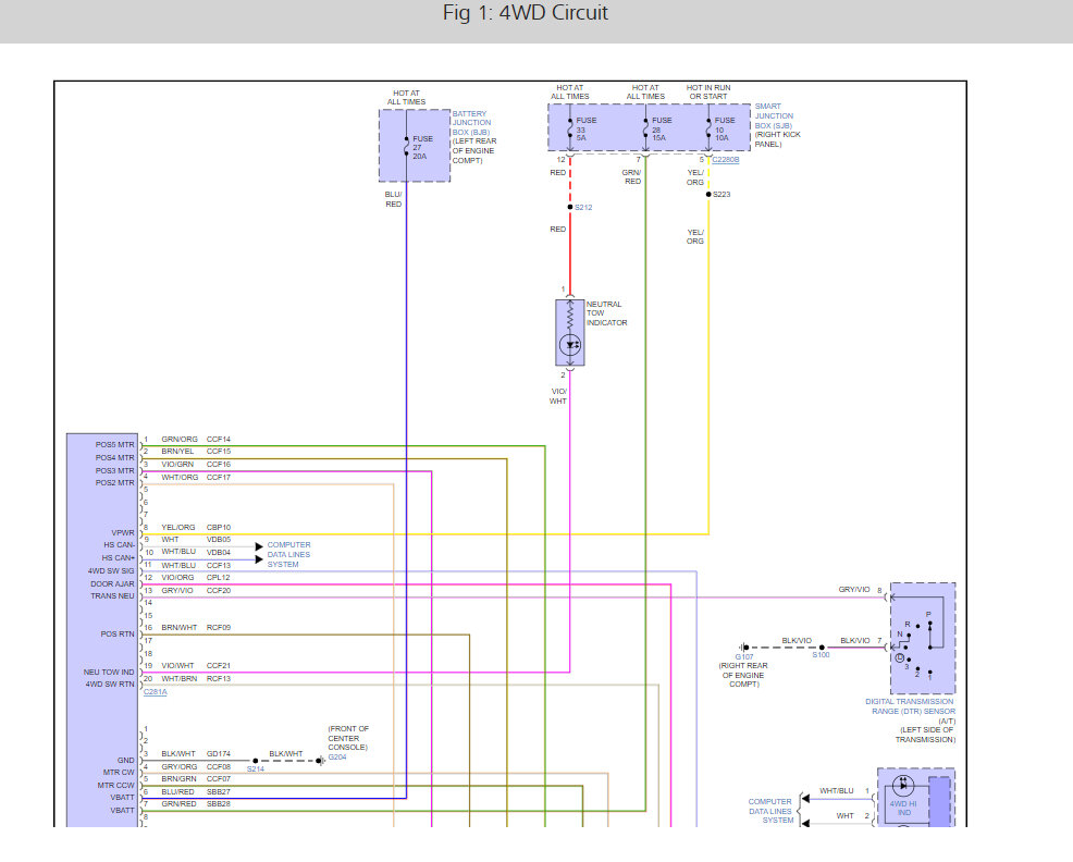
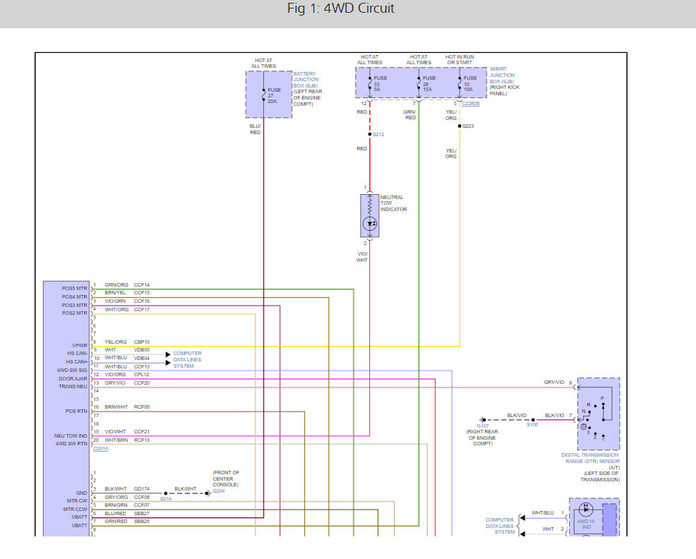
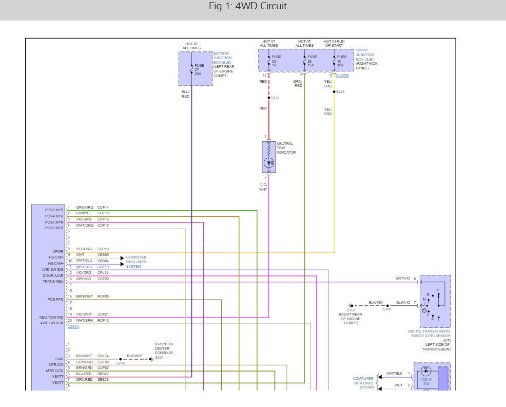
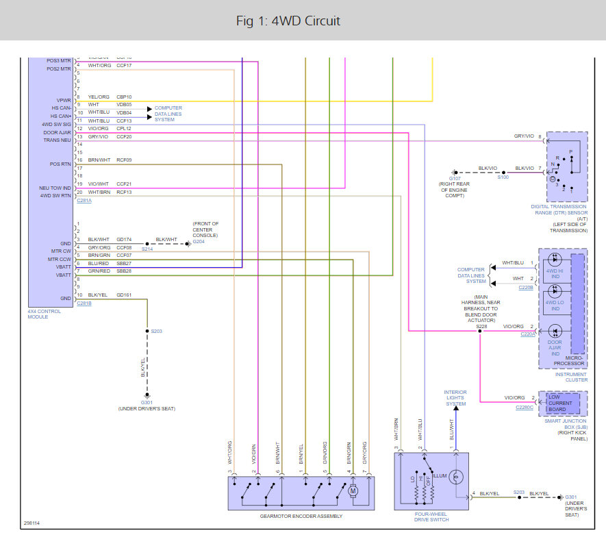
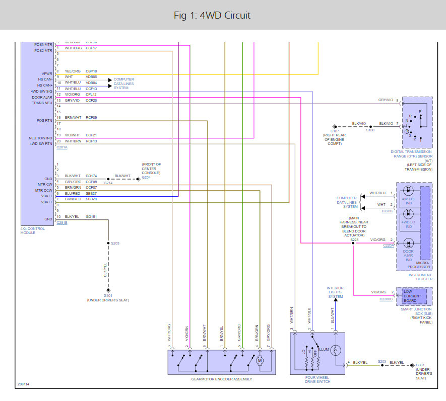
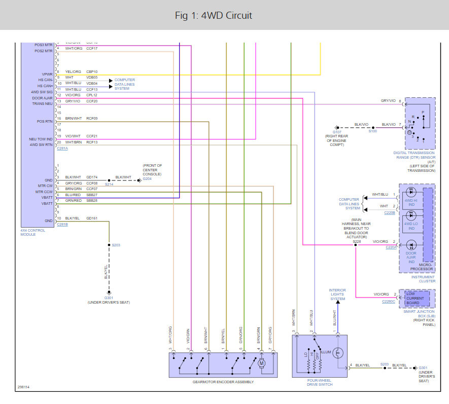
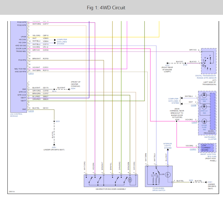
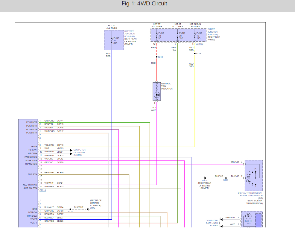
When I put the 4-wheel drive switch into 4H, I hear a clicking sound, as I should but the 4X4 light does not always come on, and the vehicle does not go into 4 Wheel drive. If I put the switch back into 2 it clicks.
Tuesday, January 3rd, 2023 AT 3:06 PM









