Sunday, May 7th, 2023 AT 2:27 AM
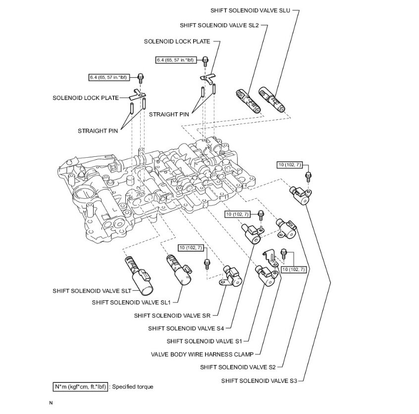
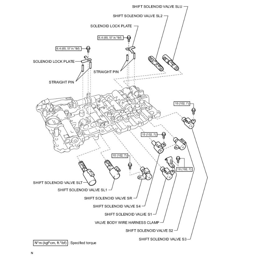
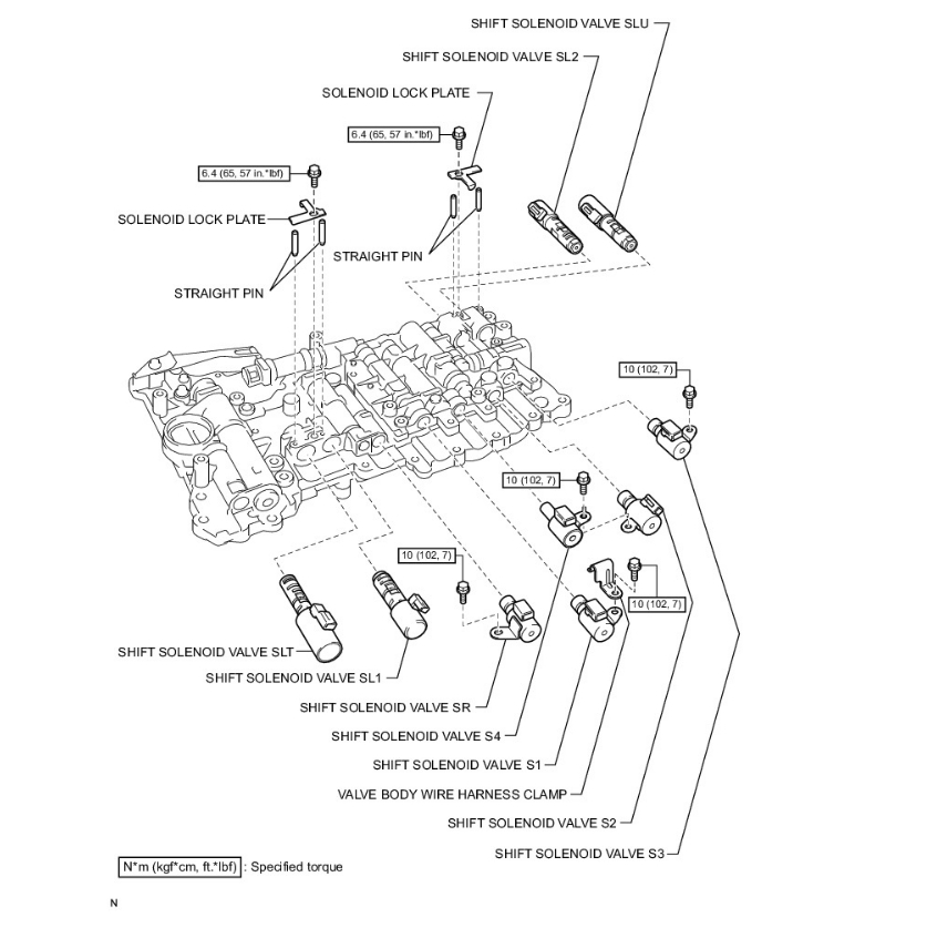
The car RPMs not firing fine, and the car was scanned, I will attach the printout results. Heater sensor 1, transmissions gearshift valve D, secondary injector system, brake switch A/B. Now it has been rectified all the fault code gone remains 4lo and heater sensor 2 came out. I tried switching to 4h not changing. When the car is moving it seems all the gears are not changing reading it with a scanner gear 1, 2 and 3 changes others don't. My question now is, could this be an electrical switch issue or center differential issue? Thank you



