Battery Problem

Tiny
ANONYMOUS
  • MEMBER
  • 2011 LINCOLN MKX
  • 39 MILES
The battery is out in my car how do I change the battery and check my alternator?
Saturday, November 10th, 2012 AT 11:58 PM

1 Reply

Tiny
KEN L
  • MASTER CERTIFIED MECHANIC
  • 55,404 POSTS
Here is a guide to show you what you are if for when doing the job and some diagrams (Below) of what it is like on your car

https://www.2carpros.com/articles/how-to-replace-a-car-battery

and when done here is a guide on how to check the alternator

https://www.2carpros.com/articles/how-to-check-a-car-alternator

Instructions by the book:

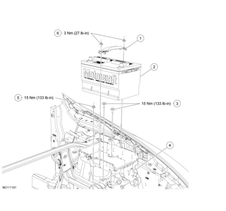
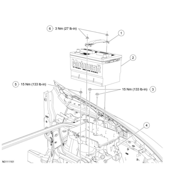
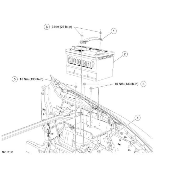
Battery Removal and Installation

WARNING: Batteries contain sulfuric acid and produce explosive gases. Work in a well-ventilated area. Do not allow the battery to come in contact with flames, sparks or burning substances. Avoid contact with skin, eyes or clothing. Shield eyes when working near the battery to protect against possible splashing of acid solution. In case of acid contact with skin or eyes, flush immediately with water for a minimum of 15 minutes, then get prompt medical attention. If acid is swallowed, call a physician immediately. Failure to follow these instructions may result in serious personal injury.

WARNING: Always deplete the backup power supply before repairing or installing any new front or side air bag supplemental restraint system (SRS) component and before servicing, removing, installing, adjusting or striking components near the front or side impact sensors or the restraints control module (RCM). Nearby components include doors, instrument panel, console, door latches, strikers, seats and hood latches.

Refer to the Description and Operation portion of Supplemental Restraint System See: Restraints and Safety Systems Air Bag Systems Description and Operation for location of the RCM and impact sensor(s).

To deplete the backup power supply energy, disconnect the battery ground cable and wait at least 1 minute. Be sure to disconnect auxiliary batteries and power supplies (if equipped).

Failure to follow these instructions may result in serious personal injury or death in the event of an accidental deployment.

WARNING: Always lift a plastic-cased battery with a battery carrier or with hands on opposite corners. Excessive pressure on the battery end walls may cause acid to flow through the vent caps, resulting in personal injury and/or damage to the vehicle or battery.

NOTE: When the battery (or PCM) is disconnected and connected, some abnormal drive symptoms may occur while the vehicle relearns its adaptive strategy. The charging system set point may also vary. The vehicle may need to be driven to relearn its strategy.

Disconnect the battery. For additional information, refer to Battery Disconnect See: Battery Disconnect.
Remove the bolt and the battery hold-down bracket.

To install, tighten to 10 Nm (89 lb-in).

Please let us know if you need anything else to get the problem fixed.

Cheers, Ken
Was this
answer
helpful?
Yes
No
+1
Sunday, October 1st, 2017 AT 4:14 PM

Please login or register to post a reply.