REPAIR

Tiny
TOMARION
  • MEMBER
  • 2009 JEEP WRANGLER
  • 6 CYL
  • 4WD
  • AUTOMATIC
  • 38,500 MILES
MY 2009 4DR JEEP WRANGLER WINDSHIELD WASHER TANK IS LEAKING WASHER FLUID.
NEED ADVISE ON REMOVING TANK SO I CAN SEE IF IT IS REPAIRABLE OR HAS TO BE REPLACED.
THANKS
TOM
Friday, January 28th, 2011 AT 10:05 PM

1 Reply

Tiny
RASMATAZ
  • MECHANIC
  • 75,992 POSTS
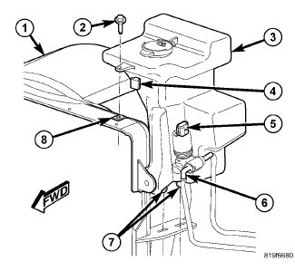
REMOVAL

NOTE: The following procedure applies only to the washer reservoir used with an optional diesel engine. The washer reservoir for vehicles with a gasoline engine is integral to the molded plastic component tray on the left side of the engine compartment.

Disconnect and isolate the negative battery cable.
Siphon the washer fluid from the washer reservoir (3) into a clean container for reuse.
Disconnect the engine compartment wire harness connector from the washer pump/motor (5).
NOTE: To aid in reinstallation, note the installed position of the washer hoses prior to disconnecting them.

Disconnect the front and rear washer hoses (6) from the washer pump on the outboard side of the reservoir.
Remove the screw (2) that secures the mounting tab on the top of the reservoir to the U-nut (8) in the top of the radiator fan shroud (1).
Pull the washer reservoir upward far enough to disengage the integral T-tab (4) on the front of the reservoir and the two integral tabs (7) on the bottom of the reservoir from their respective slots in the shroud.
Remove the washer reservoir from the engine compartment.
Was this
answer
helpful?
Yes
No
-1
Friday, January 28th, 2011 AT 10:09 PM

Please login or register to post a reply.