Tuesday, March 20th, 2012 AT 7:34 PM
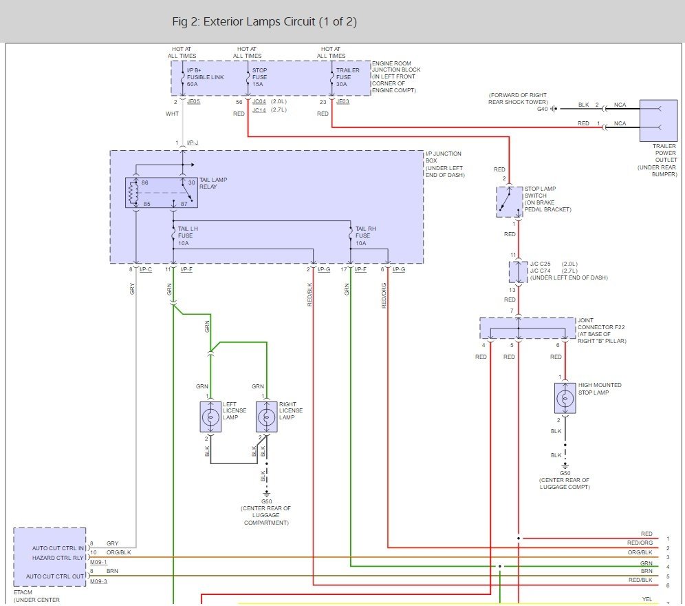
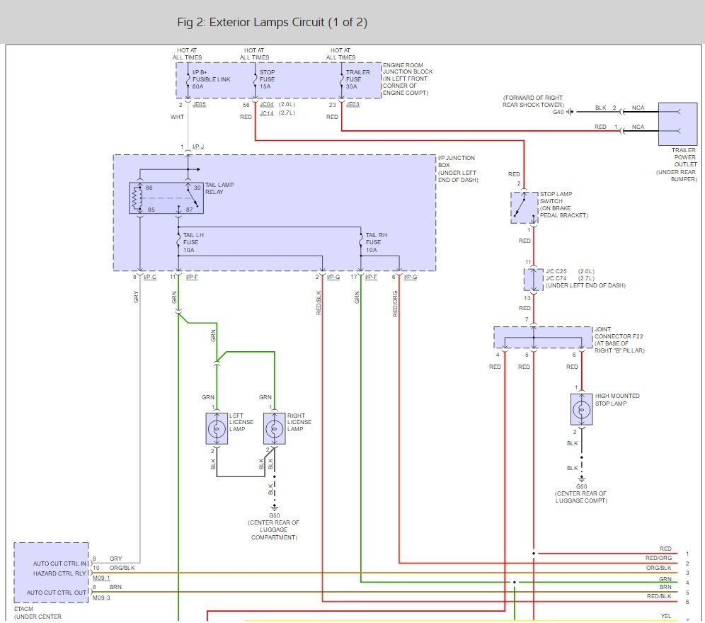
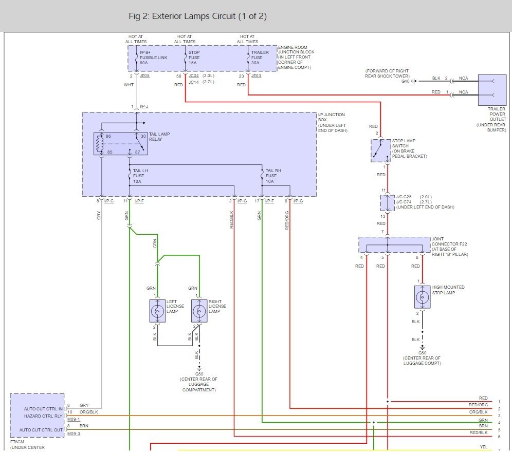
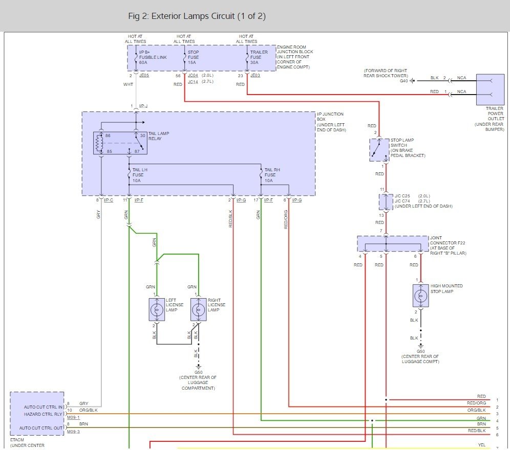
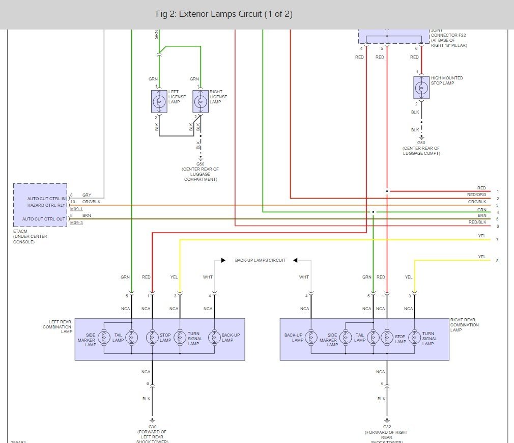
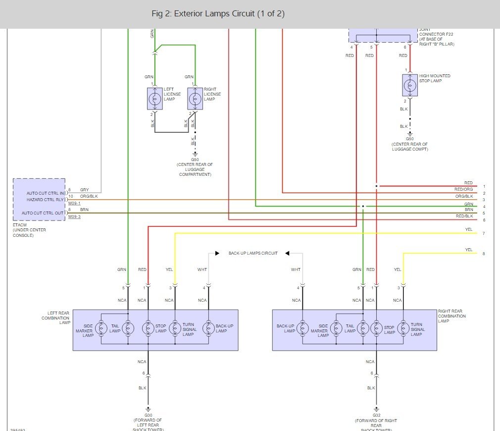
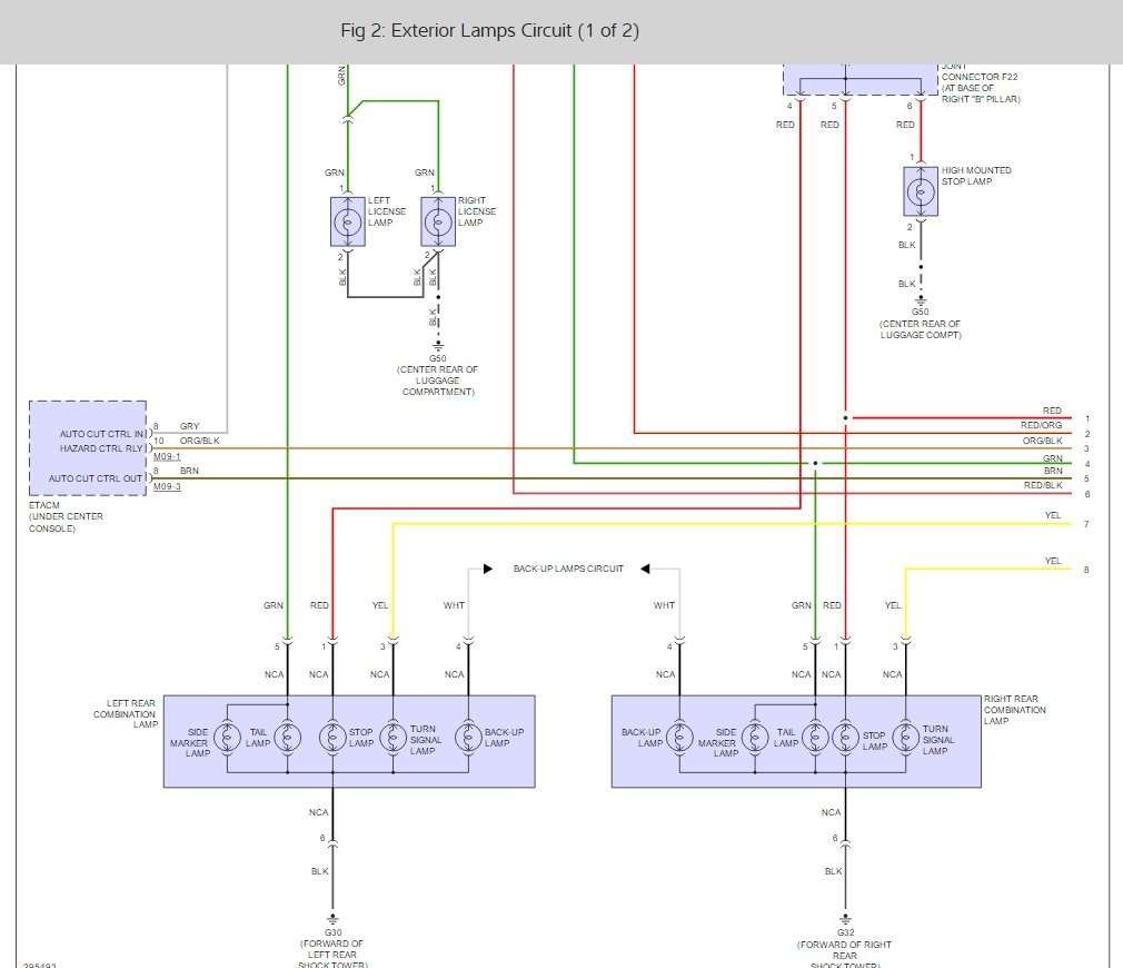
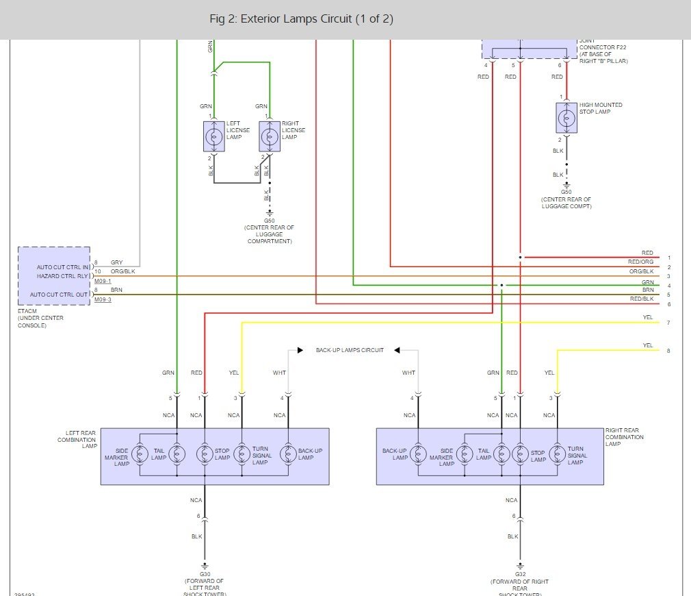
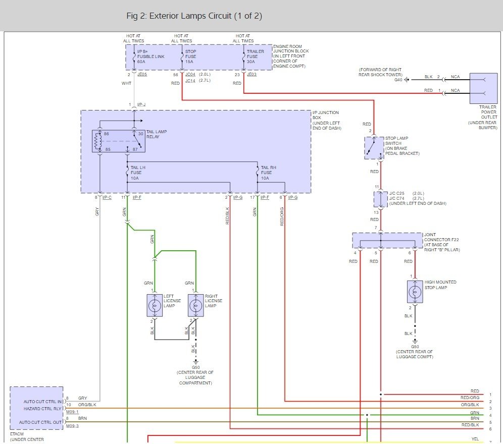
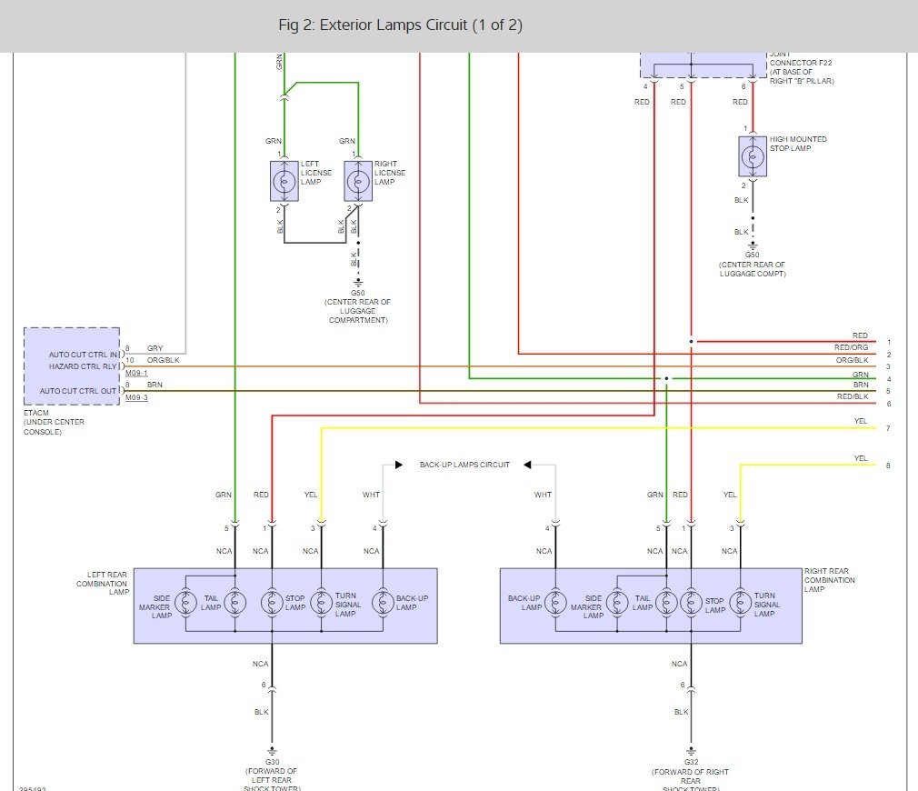
2008 KIA - It is not the bulbs, fuse or Stop light switch. What would cause this to happen? My two bottom brake lights stopped working. The third one on top still works. Also the ESC light is coming on and staying on for no reason after driving for about a mile or so down the road. Have changed out the bulbs, checked the fuse and tried a new stop light switch. Nothing has worked so far.



