Wednesday, October 15th, 2014 AT 8:26 AM
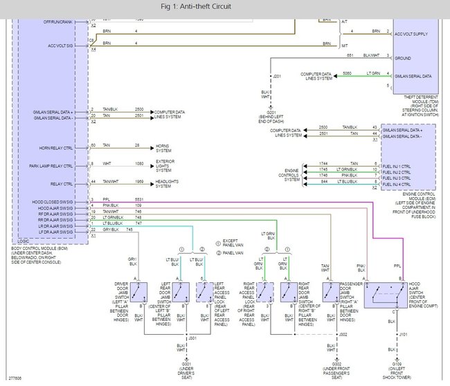
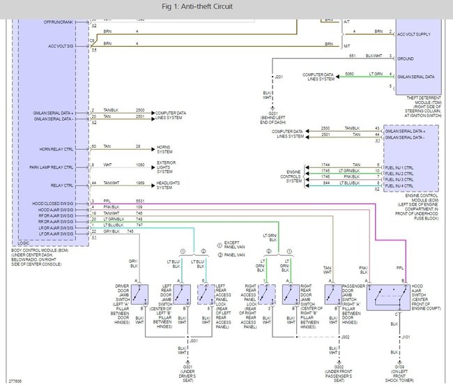
I have a 2008 Chevy HHR. On Monday both the key fobs for the keyless entry system quit working. I took both fobs to my local auto parts place where they had a tester and both seemed to work ok. What inside the car receives the signal from the remotes and activates the locking mechanism. All other electronics within the car is working. On Monday we had to have the car jump started when someone left the key in the ignition on Acc setting.

