Battery location please!

Tiny
ANONYMOUS
  • MEMBER
  • 2007 PONTIAC TORRENT
  • 46,000 MILES
Where is battery located and how do you get to it. I love this website!
Thursday, February 14th, 2013 AT 4:41 PM

3 Replies

Tiny
JDL
  • MECHANIC
  • 16,098 POSTS
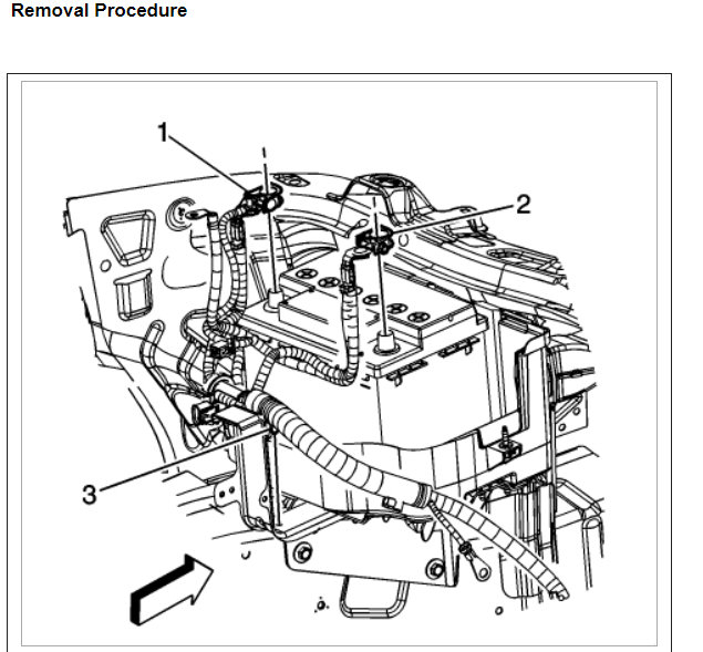
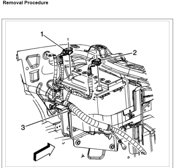
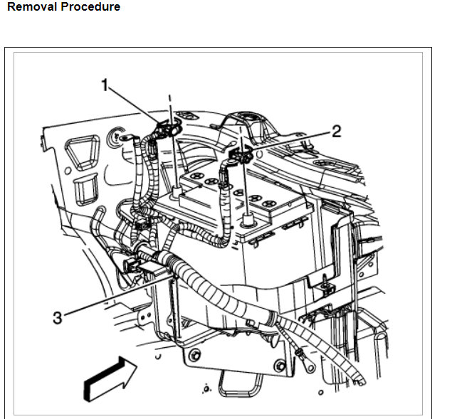
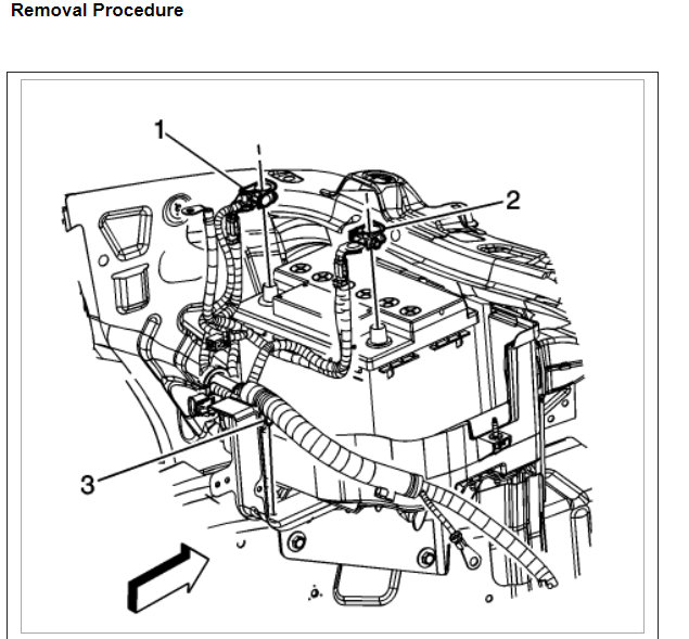
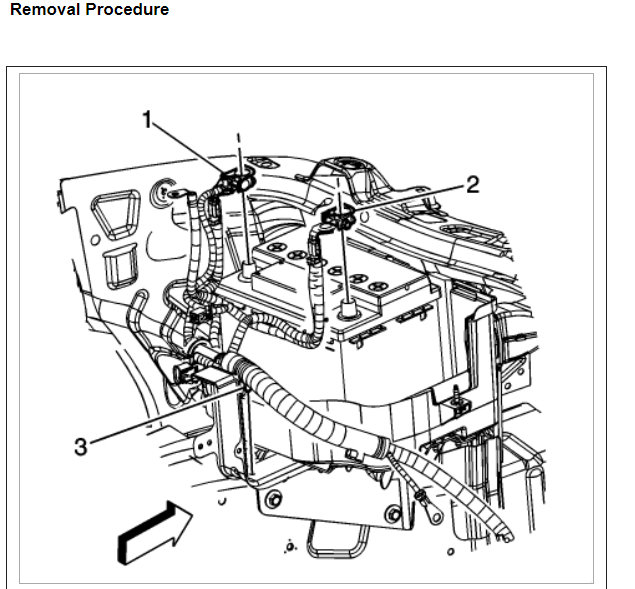
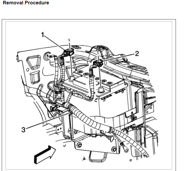
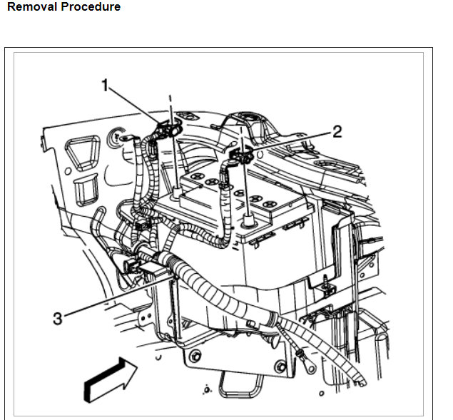
The battery should be under the hood, driver side, close to strut tower, note the picture. The battery case may a lid on it, have to remove lid to see battery. Some makes and models, if battery voltage is lost, can possibly cause other issues.

Here is a guide to help you get the battery changed out and the diagrams below to show you on your car.

https://www.2carpros.com/articles/how-to-replace-a-car-battery

(don't forget to check out the diagrams below)
Was this
answer
helpful?
Yes
No
+4
Thursday, February 14th, 2013 AT 5:35 PM
Tiny
RHWANGENJR
  • MEMBER
  • 1 POST
  • 2007 PONTIAC TORRENT
  • 4 CYL
  • AWD
  • AUTOMATIC
  • 45,000 MILES
Need to know th Location of Battery on this vehicle is not located under hood. Only has terminals to jump the car to start.
Was this
answer
helpful?
Yes
No
+2
Monday, November 11th, 2019 AT 12:35 PM (Merged)
Tiny
CRAIGABARR
  • MEMBER
  • 2 POSTS
It's under the hood, right below the fuse box on the drivers side. You have to take 3 screws out of a black box sitting there and the battery is inside.
Was this
answer
helpful?
Yes
No
+6
Monday, November 11th, 2019 AT 12:35 PM (Merged)

Please login or register to post a reply.