☰
Login
Join
×
Home
Answered Questions
Repair Topics
Repair & Service Guides
Popular Questions
Warning Lights
Trouble Codes
How It Works
Testing / Diagnostics
Symptoms
Videos
Login
Become a Member
Home
Mitsubishi
Galant
Body
Door
Latch
All my doors keep locking up in a never ending mode. Something is triggering the door latch
2007 MITSUBISHI GALANT
60 MILES
ARMANDOTELLO
MEMBER
1 POST
FOLLOW
I feel while driving that the all doors keep locking in all four doors. never stop. Please help
Aug 7, 2012 at 9:35 PM
Advertisement
RASMATAZ
CERTIFIED EXPERT
75,992 POSTS
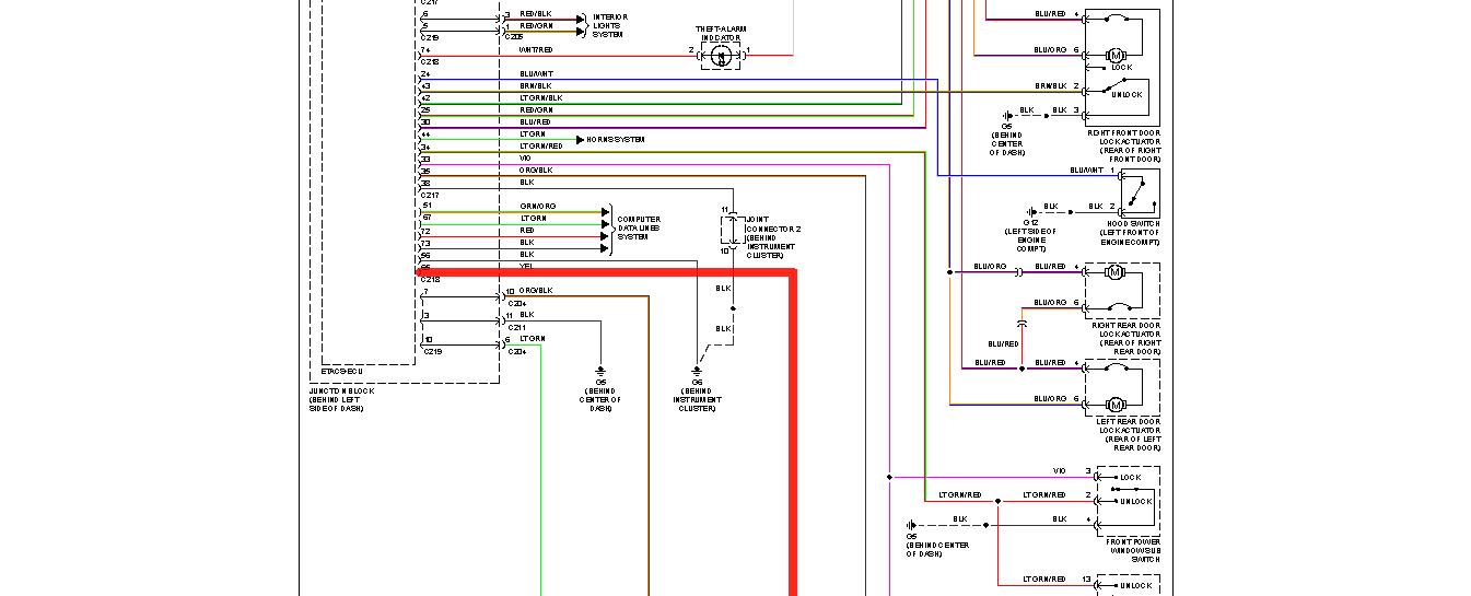
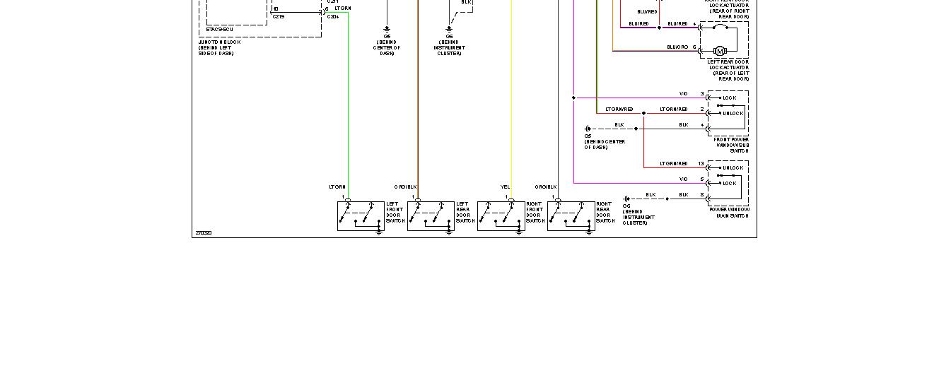
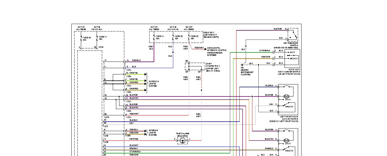
Have the ETACS-ECU checked/tested-sounds like its shorting out-start here,also see below
Images (Click to enlarge)
Aug 7, 2012 at 9:52 PM