Wednesday, September 30th, 2020 AT 11:25 PM
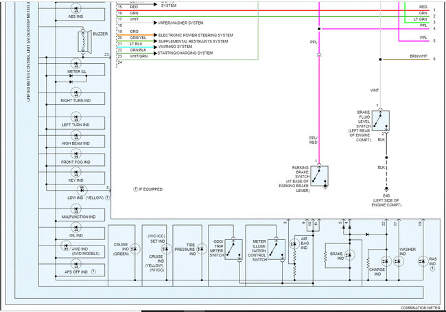
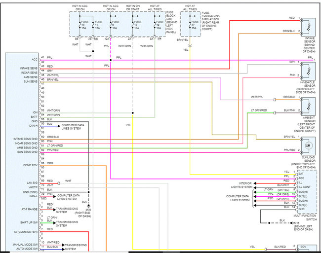
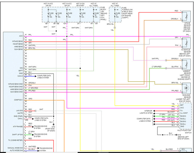
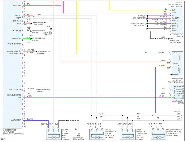
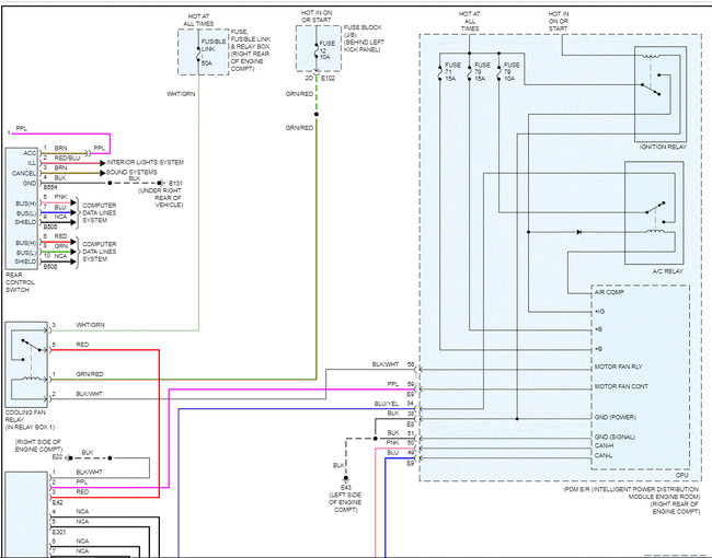
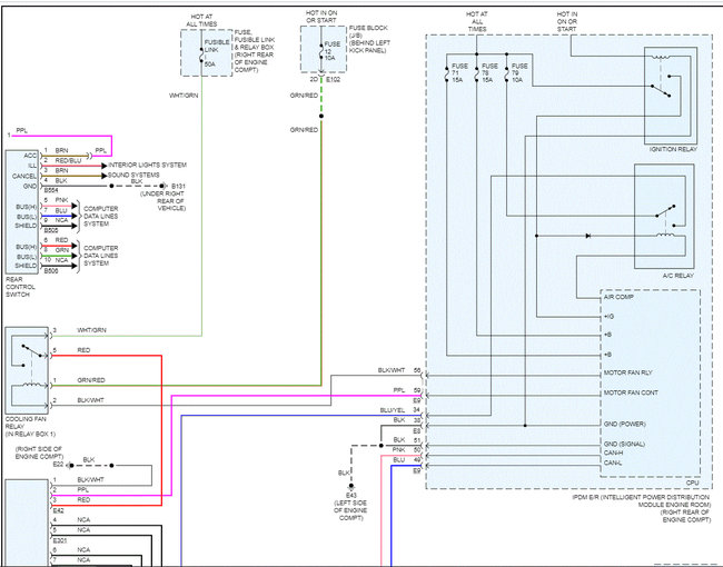
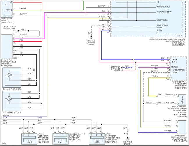
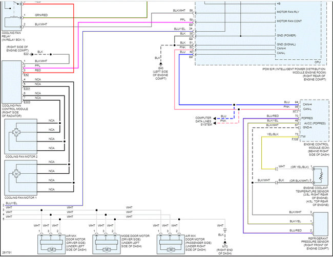
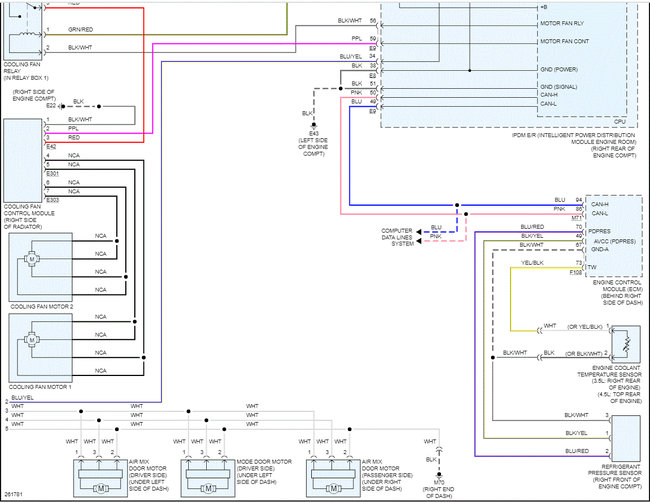
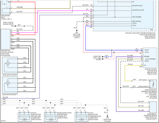
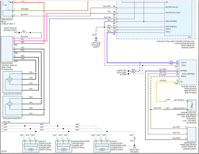
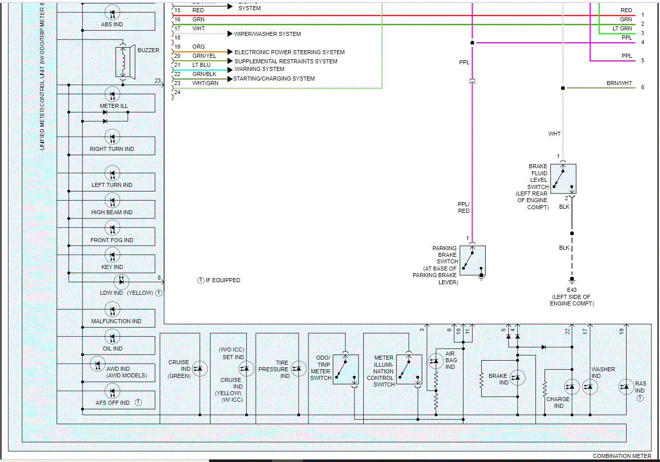
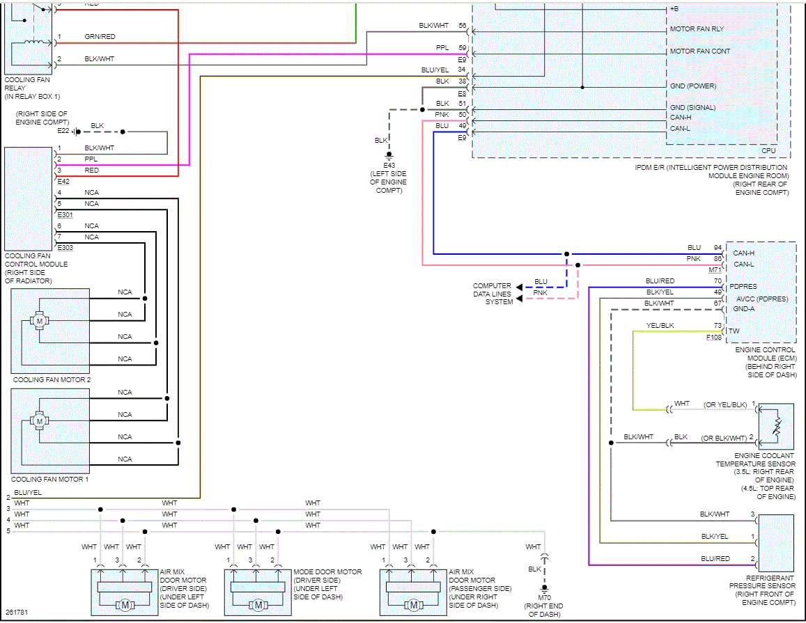
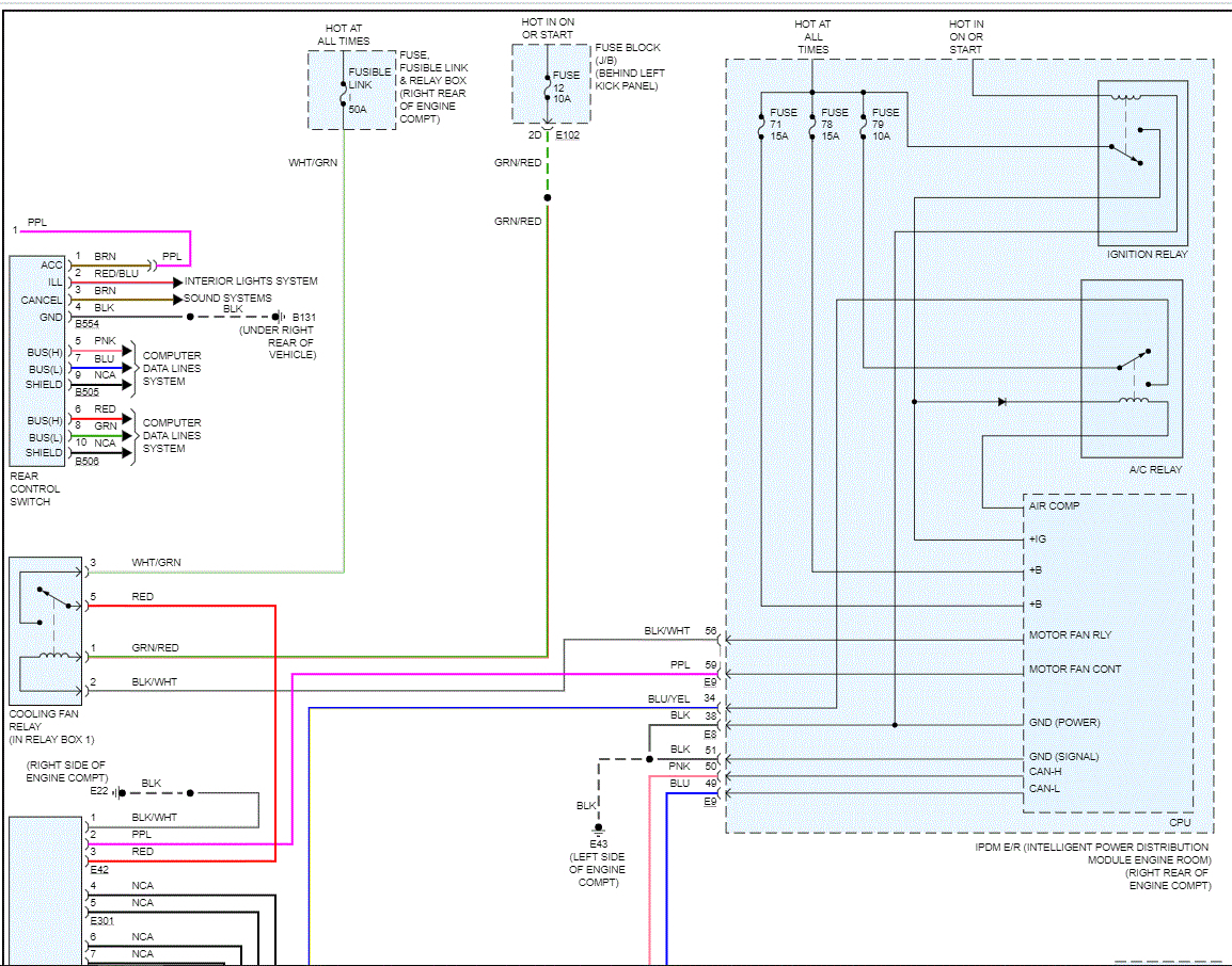
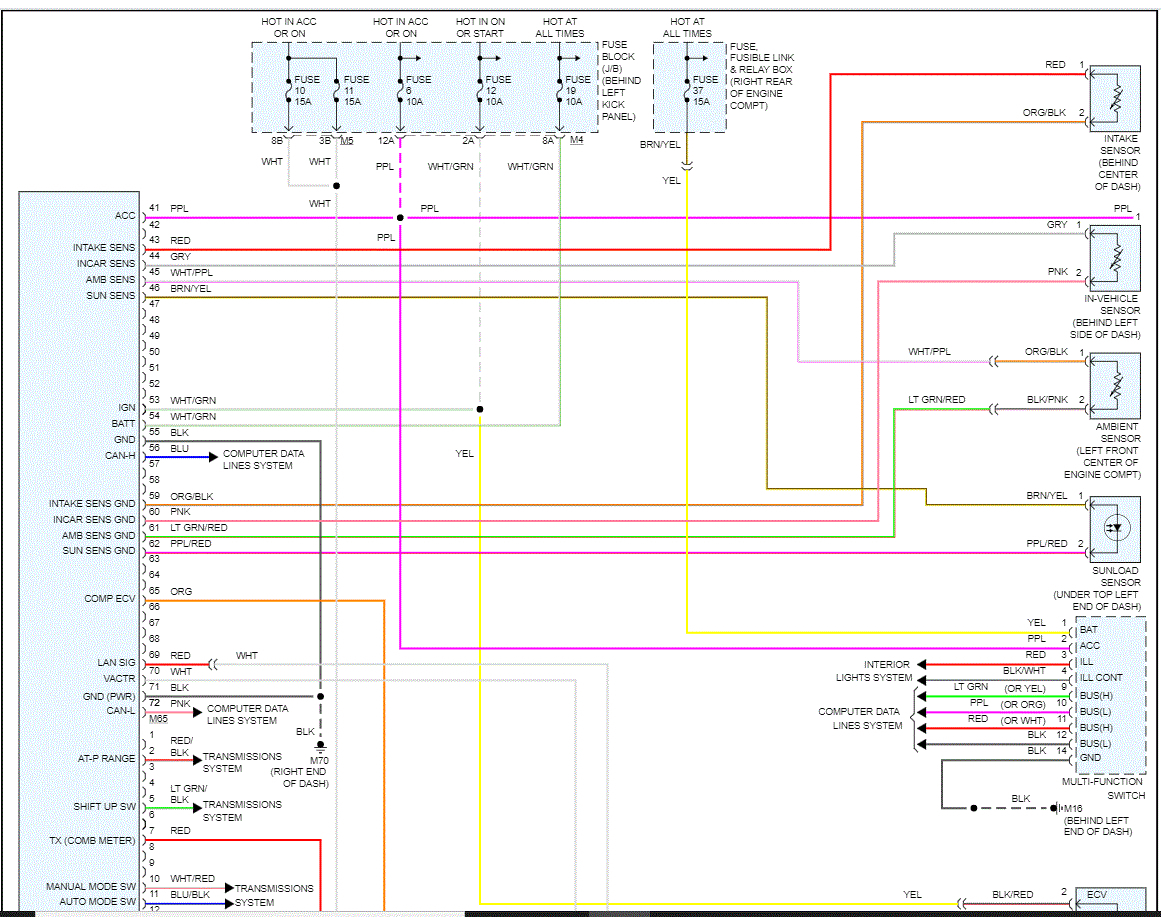
My speedometer cluster gauges are not working, and the climate control is off as well. I found out my climate control module that's located above the stereo, controls both the cluster and air and it was toasted inside. So I ordered one and I just replaced it today. As soon as I plugged it in and started the car the module started smoking and no gauges or climate air worked either so I ordered few more but before I go through this again I need to know what's causing the overload? There is a small chip on the board of this controller that keeps getting hot and bubbling and getting toasted. All my fuses and relays are fine and when I had this controller module disconnected the car was running higher RPM I could hear the engine and the car overheated but when the module is connected it does not do that even though the board is toasted on the module. So something is overloading the heater control module or climate control module which is an electronic board in a white box above the Stereo or behind the climate control buttons. Did any of you guys go through this before? Does any body out there know what the problem is? I am sure if I connect the other modules I ordered they will burn as well even though they are cheep off of eBay but I need to find what's causing this overload. Will a bad blower motor cause this? Will fan control module cause this? Or is it wiring issues some where? If you know something help please.










