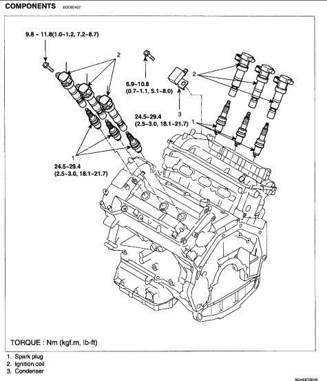
SPARK PLUGS

Tiny
RUSTYW0703
  • MEMBER
  • 2007 KIA AMANTI
  • 4 CYL
  • 2WD
  • MANUAL
  • 115,000 MILES
Where are spark plugs located on a 2007 Kia 2.4L engine
Wednesday, April 13th, 2011 AT 3:59 PM

6 Replies

Tiny
WRENCHTECH
  • MECHANIC
  • 20,761 POSTS
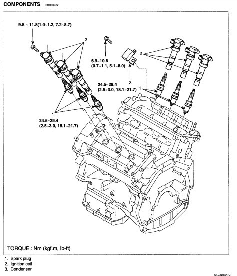
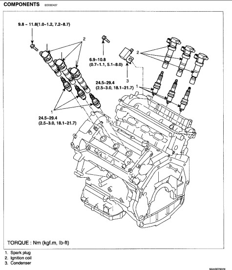
This is a "Coil on Plug" system. It has 8 coils and the plugs are below the coils.
Was this
answer
helpful?
Yes
No
Wednesday, April 13th, 2011 AT 4:36 PM
Tiny
KHLOW2008
  • MECHANIC
  • 41,814 POSTS
This should be a 3.8 L engine with 6 cylinders and not 2.4 L as stated.
Was this
answer
helpful?
Yes
No
Wednesday, April 13th, 2011 AT 6:03 PM
Tiny
WRENCHTECH
  • MECHANIC
  • 20,761 POSTS
Yes, the response was for a 3.8 engine.
Was this
answer
helpful?
Yes
No
Wednesday, April 13th, 2011 AT 6:05 PM
Tiny
KHLOW2008
  • MECHANIC
  • 41,814 POSTS
You have a typo with the number of cylinders.
Was this
answer
helpful?
Yes
No
Wednesday, April 13th, 2011 AT 6:08 PM
Tiny
WRENCHTECH
  • MECHANIC
  • 20,761 POSTS
I realized that but we do not have an edit feature to resolve it so I thank you very much for pointing that out.
Was this
answer
helpful?
Yes
No
Wednesday, April 13th, 2011 AT 6:10 PM
Tiny
KHLOW2008
  • MECHANIC
  • 41,814 POSTS
You're welcome.

Yes, I did mention to Mike about this but seems there is no response. Only way out now is to post another reply to correct any errors and sometimes it takes a few posts as it could be our off days when too much typo ocurs.

Have a nice day.
Was this
answer
helpful?
Yes
No
Wednesday, April 13th, 2011 AT 6:20 PM

Please login or register to post a reply.