Oil filter location needed

Tiny
WISSAM
  • MEMBER
  • 2007 HUMMER H3
  • 5 CYL
  • 4WD
  • AUTOMATIC
  • 18,749 MILES
Hi,

I cannot find the engine oil filter on my vehicle listed above. Where is its location in the engine?
Saturday, April 16th, 2011 AT 6:54 PM

1 Reply

Tiny
DANNY L
  • MECHANIC
  • 5,648 POSTS
Hello, I'm Danny.

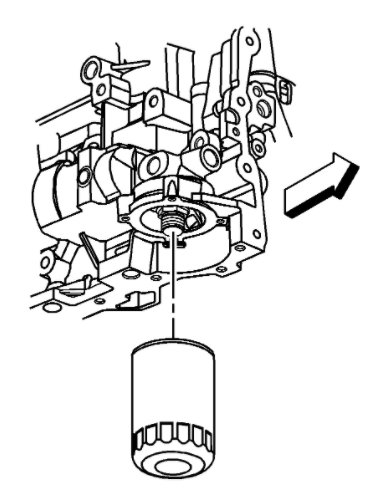
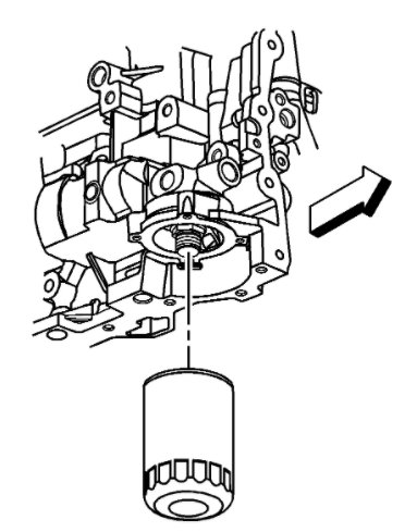
First, here is an engine oil and engine oil filter tutorial for you to view:

https://www.2carpros.com/articles/how-to-change-engine-oil-and-filter

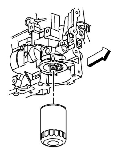
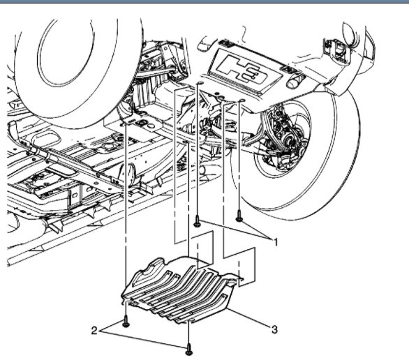
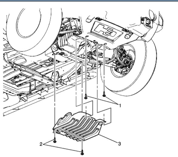
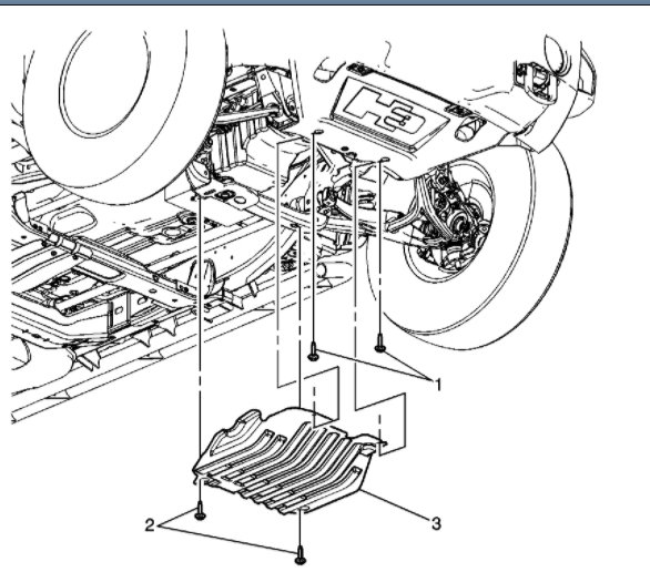
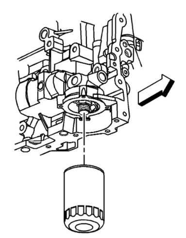
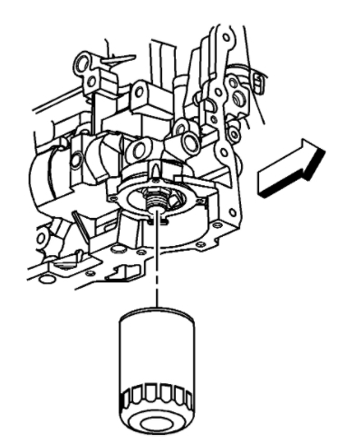
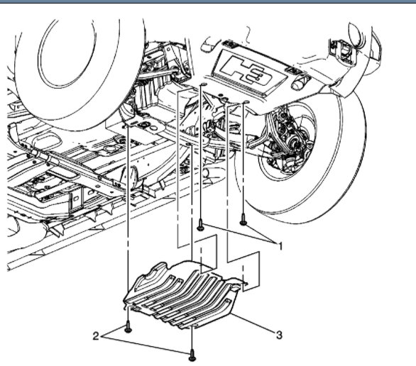
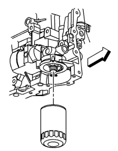
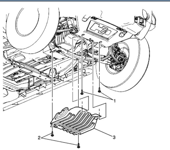
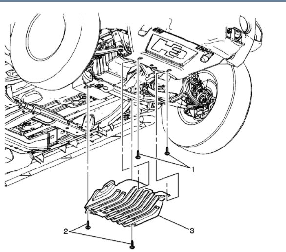
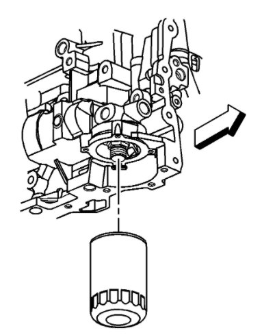
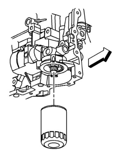
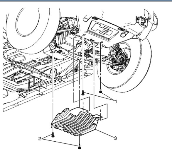
I've attached picture steps below showing how to change the engine oil and engine oil filter on your vehicle including their locations. You must first remove the engine oil- skid plate protector first. I've attached below the steps for removal and replacement as well. Hope this helps and thanks for using 2CarPros.
Was this
answer
helpful?
Yes
No
+1
Thursday, December 31st, 2020 AT 9:18 PM

Please login or register to post a reply.