2007 Ford Fusion fan blades broke

Tiny
HARMTM
  • MEMBER
  • 2007 FORD FUSION
  • 2.3L
  • 4 CYL
  • FWD
  • AUTOMATIC
  • 90,000 MILES
How do I remove the shroud?
Wednesday, April 9th, 2014 AT 6:28 AM

1 Reply

Tiny
HMAC300
  • MECHANIC
  • 48,601 POSTS
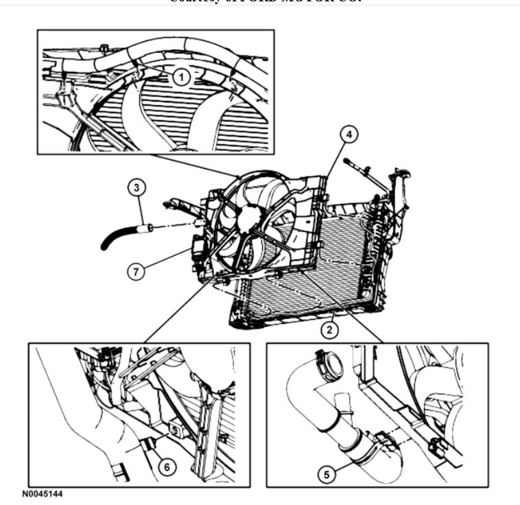
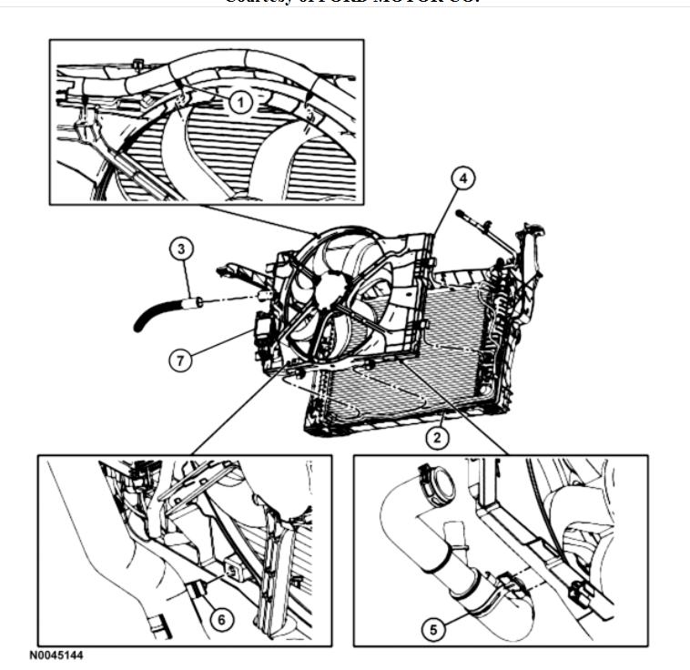
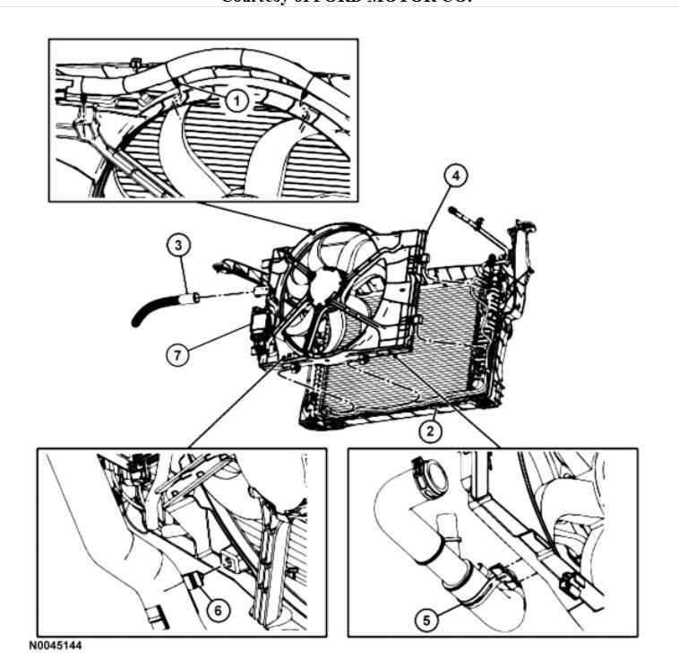
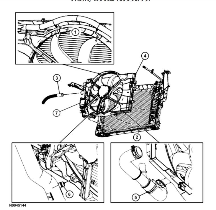
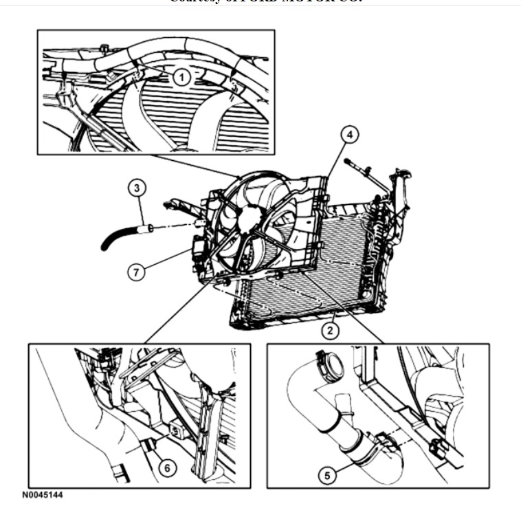
In this order
Description
113A506Wiring harness retainer
27H420Transmission cooler tube (automatic transmission only)
314A464Cooling fan motor and shroud electrical connector
48C607Cooling fan motor and shroud
5-Lower radiator hose bracket
6-Lower radiator hose retainer (3. Ol only)
76E5Z-8B658-AFan Control Module/Relay
Was this
answer
helpful?
Yes
No
Wednesday, April 9th, 2014 AT 7:09 AM

Please login or register to post a reply.