Ignition module location

Tiny
BOB CLEVE
  • MEMBER
  • 2007 CHEVROLET MALIBU
  • 2.2L
  • 4 CYL
  • FWD
  • AUTOMATIC
  • 101,000 MILES
Need to know where the ignition module on a 2007 chevy Malibu 2.2 liter
Saturday, July 19th, 2014 AT 5:43 PM

2 Replies

Tiny
ERIC HENRY2
  • MEMBER
  • 1 POST
Having the same issue of finding the ignition control module location on my 2007 malibu. There is no coil cassette on top of my engine.
Was this
answer
helpful?
Yes
No
-1
Saturday, July 8th, 2017 AT 1:47 PM
Tiny
KEN L
  • MASTER CERTIFIED MECHANIC
  • 55,291 POSTS
Hello,

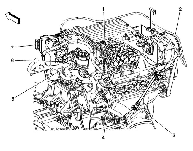
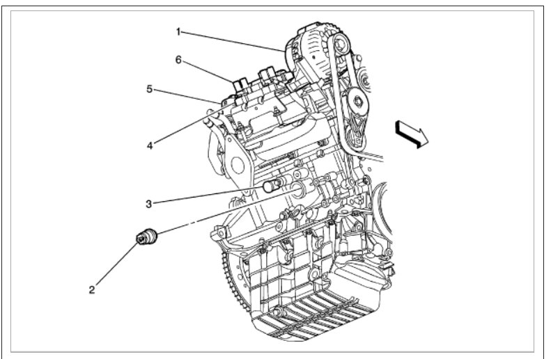
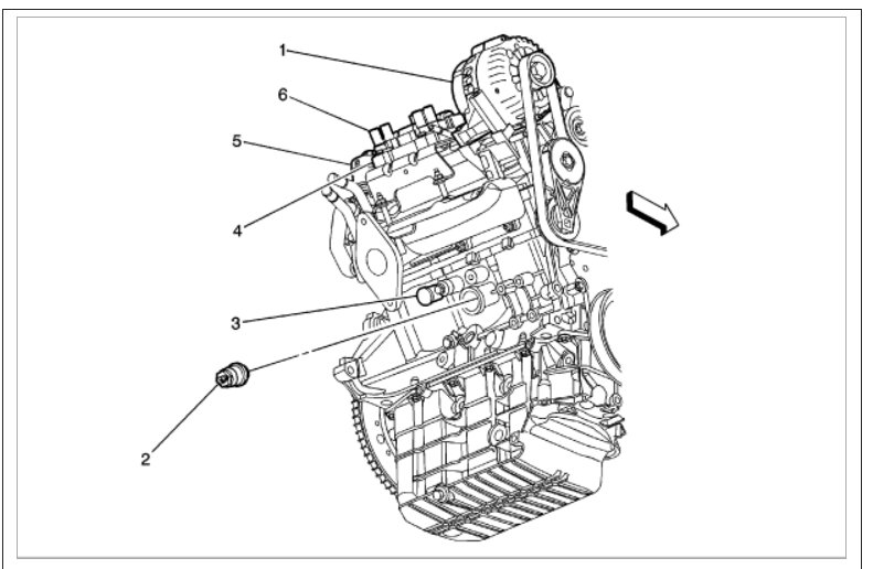
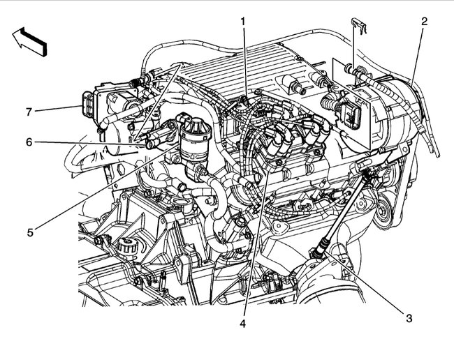
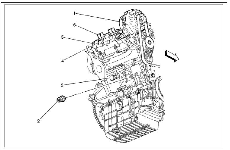
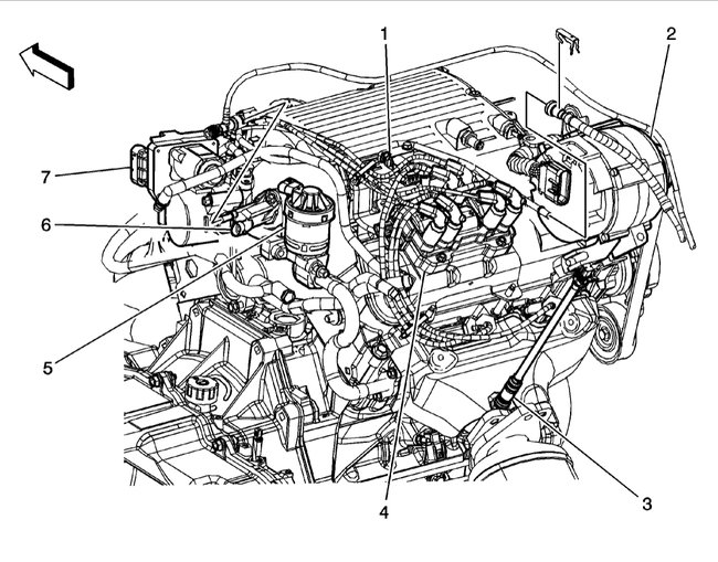
The ignition module is with the ignition coil check out the diagrams below it shows all engines for the car. Some cars don't have them in this year because the PCM does the job.

Please let us know if you need anything else to get the problem fixed.

Cheers, Ken
Was this
answer
helpful?
Yes
No
-1
Monday, July 10th, 2017 AT 12:27 PM

Please login or register to post a reply.