Matrix code P1456

Tiny
DDOBER
  • MEMBER
  • 2006 TOYOTA 4RUNNER
  • 4 CYL
  • FWD
  • AUTOMATIC
  • 123,000 MILES
I have an 06 Toyota Matrix and the check enging light came on. Useing a Auto Scanner, I recieved a code P1456, Aux. Emissions Control error on the Evap Emisions. What should I look for to fix this problem
Thursday, November 18th, 2010 AT 1:41 AM

1 Reply

Tiny
SQM
  • MECHANIC
  • 6,383 POSTS
Hello,

There are several factors for that code to come on. It could be as simple as a lose or defective gas cap. It could also be a leak anywhere in the evaporative system, which could include the fuel tank or a faulty hose.
Have you made sure that your gas cap is on properly? Have you tried clearing the code?

Here is a video showing how to clear the code:

https://youtu.be/ahK_eucFi-k
https://youtu.be/iH92vcUWJzs

You also might find this article helpful:

https://www.2carpros.com/articles/how-emission-control-systems-work

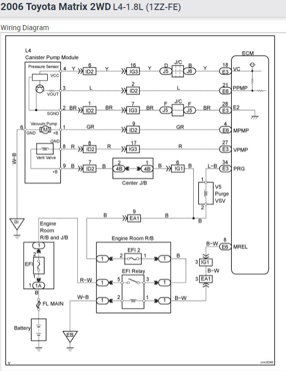
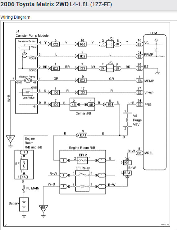
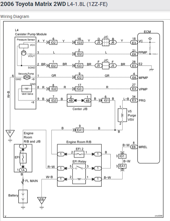
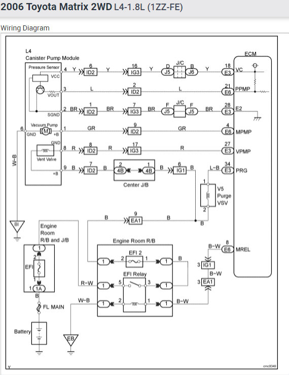
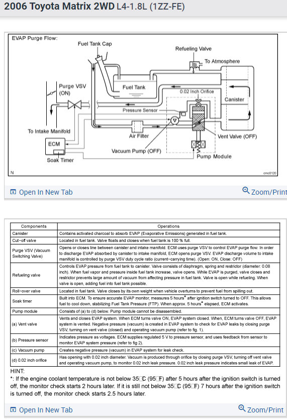
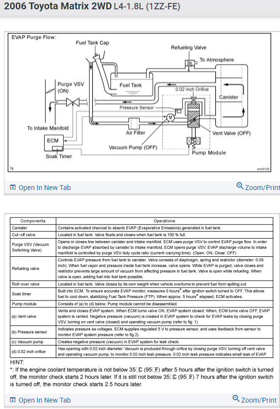
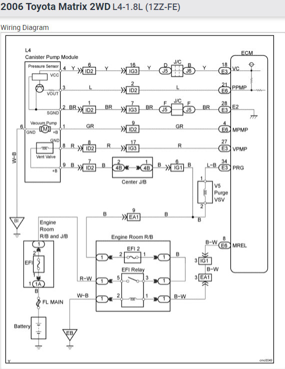
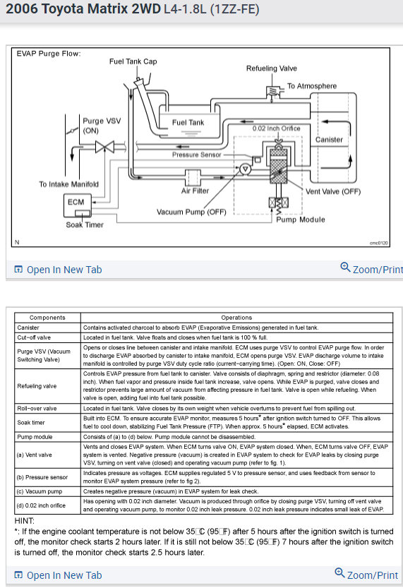
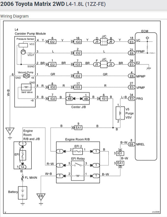
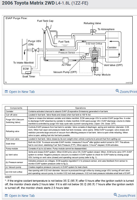
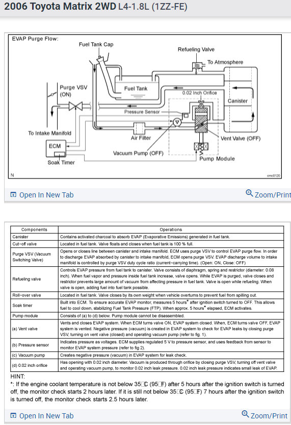
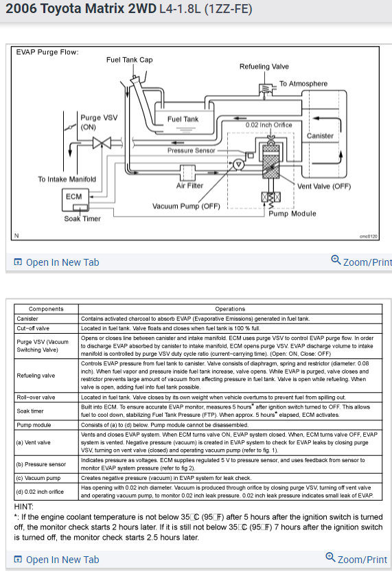
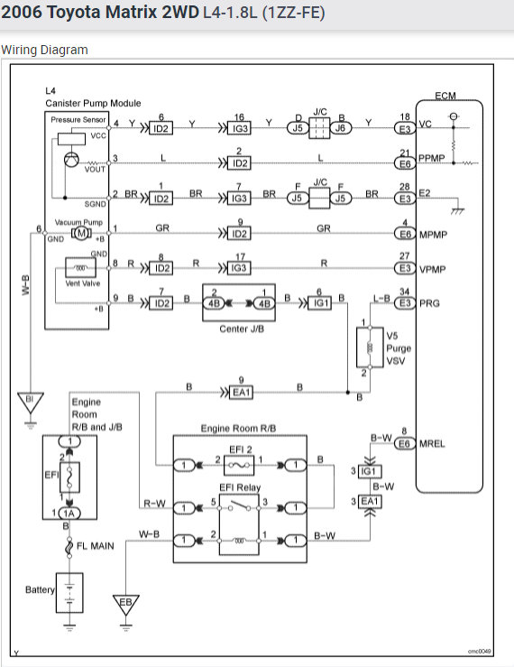
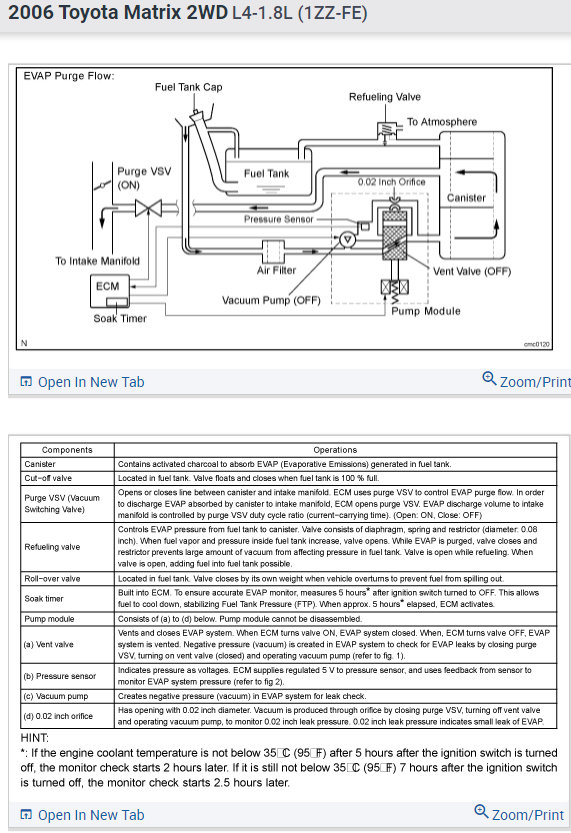
I have attached a step by step procedure of diagnose and determine what is the cause for the error code in your vehicle.
Please let me know if you have any questions.

Thank you.
Was this
answer
helpful?
Yes
No
Wednesday, July 14th, 2021 AT 9:14 AM

Please login or register to post a reply.