Check charging system light

Tiny
CARL REED
  • MEMBER
  • 2006 LINCOLN NAVIGATOR
  • V8
  • 2WD
  • AUTOMATIC
  • 134,000 MILES
The check charging system light comes on randomly, along with red battery icon lighting up.

Autozone checked battery and alternator. Both good.

Has slight hesitation when accelerating occasionally.

Always use premium gas. Runs good otherwise.

Any ideas?
Monday, May 15th, 2017 AT 6:46 AM

9 Replies

Tiny
HMAC300
  • MECHANIC
  • 48,601 POSTS
Check fusible links in picture they should have twelve volts each side move them around a bit while checking if voltage drops then replace that one. If it continues have a mechanic scan for codes for a can/bus problem, one module may not be talking to other and he will have to find It with a scanner.
Was this
answer
helpful?
Yes
No
Monday, May 22nd, 2017 AT 3:18 PM
Tiny
TOMSRANCHO
  • MEMBER
  • 2 POSTS
  • LINCOLN NAVIGATOR
I have a 2003 Lincoln Navigator, 5.4 V8, 4-wheel drive, 67,000 mi. Recently, the "Check Charging System" alert and a red battery icon appeared on the dash. I had Auto Zone check the battery and alternator. The battery (original) checked good, but the alternator failed. I installed a new (not rebuilt) alternator. After installation, the "Check Charging System" alert is still on. A recheck of the alternator output indicates its performance is good. I also checked the battery water levels, and added a slight amount of water to each cell. What else can cause the alert to activate? I've been told that the alert does not require an error system reset.
Thanks for your help.
Was this
answer
helpful?
Yes
No
+1
Tuesday, December 31st, 2019 AT 6:40 PM (Merged)
Tiny
2CARPRO JACK
  • MECHANIC
  • 11,533 POSTS
Have Autozone scan the PCM, might have set a code for system voltage and it could need to be cleared out.

Here is a guide so you can try it yourself.

https://www.2carpros.com/articles/check-engine-light-clear-codes

Please let us know what you find.

Cheers,
Was this
answer
helpful?
Yes
No
+1
Tuesday, December 31st, 2019 AT 6:40 PM (Merged)
Tiny
KEN L
  • MASTER CERTIFIED MECHANIC
  • 55,535 POSTS
Hello,

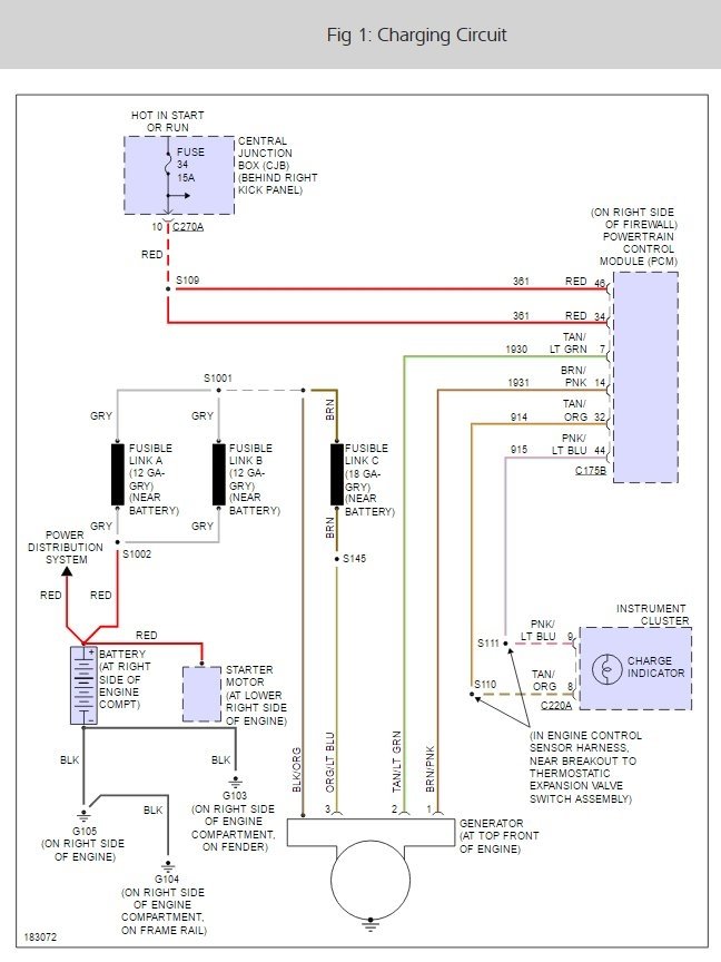
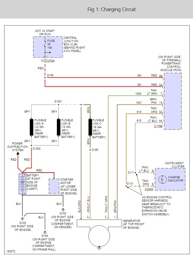
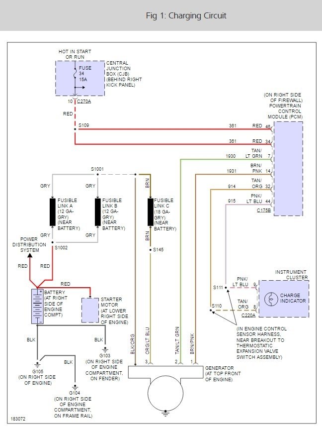
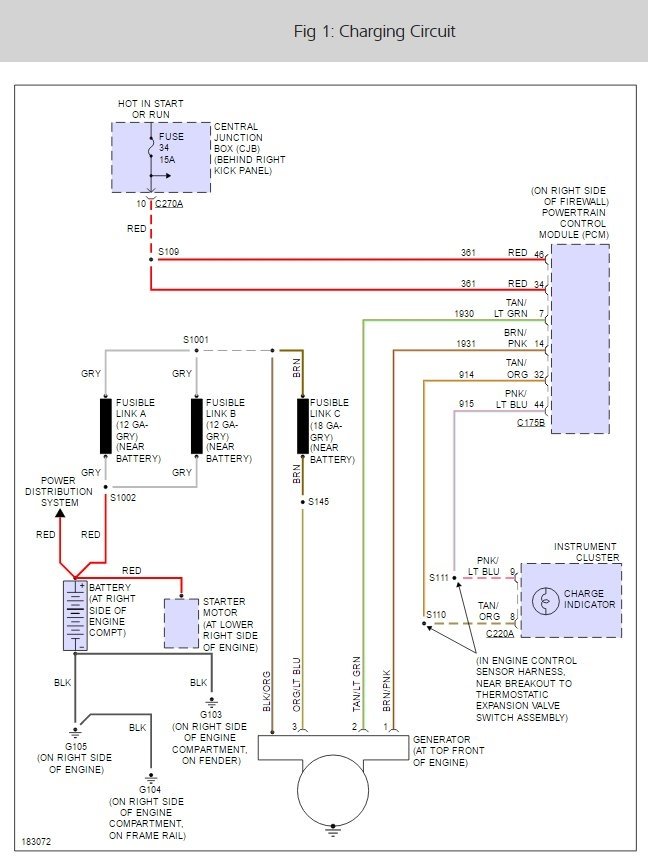
It sounds like a bad connection at the alternator plug also there is a fusible link that goes out in these cars, you should check the charge plug at the alternator to make sure it is not melted or burned as well. Here is a guide that will show you how to test the system and a wiring diagram to show you the way on what to check for power.

https://www.2carpros.com/articles/how-to-use-a-test-light-circuit-tester

Please let us know what happens. (DIAGRAM BELOW)

Cheers, Ken

Was this
answer
helpful?
Yes
No
+4
Tuesday, December 31st, 2019 AT 6:40 PM (Merged)
Tiny
MDM
  • MEMBER
  • 1 POST
Clearing the computer fixed my problem.
Was this
answer
helpful?
Yes
No
+2
Tuesday, December 31st, 2019 AT 6:40 PM (Merged)
Tiny
OB1ROMERO
  • MEMBER
  • 2 POSTS
  • 2004 LINCOLN NAVIGATOR
2004 Lincoln Navigator 60,000 miles

when I accelerate for a pass on the highway a message comes up that says check charging system, also on occasions either one of the headlights will not turn on. ( They are on day time running lights ) but I i turn them off and then back on it turns on. The dealer said they checked everything and even changed the battery. Is there anything else that could be causing this?
Was this
answer
helpful?
Yes
No
-1
Tuesday, December 31st, 2019 AT 6:40 PM (Merged)
Tiny
MERLIN2021
  • MECHANIC
  • 17,250 POSTS
As for the charging light, if the serp belt slips while accelerating, the light may come on, don't forget a new tensioner while youre at it. The headlight? Possibly a corroded connector at the bulb.
Was this
answer
helpful?
Yes
No
Tuesday, December 31st, 2019 AT 6:40 PM (Merged)
Tiny
GUERRAM
  • MEMBER
  • 1 POST
  • 2003 LINCOLN NAVIGATOR
  • 5.4L
  • V8
  • 2WD
  • AUTOMATIC
  • 112,000 MILES
I have a 2003 lincoln navigator, 5.4 v8 2 wheel drive 112000 mi recently the check charging sistem alert and a red battery icom appered on the dash I check the battery and alternator are good what else can cause the alert to activate? Thanks for you help.
Was this
answer
helpful?
Yes
No
-1
Tuesday, December 31st, 2019 AT 6:40 PM (Merged)
Tiny
CARADIODOC
  • MECHANIC
  • 34,491 POSTS
How did you determine the battery and generator are okay? What tests did you do and what were the results?
Was this
answer
helpful?
Yes
No
+4
Tuesday, December 31st, 2019 AT 6:40 PM (Merged)

Please login or register to post a reply.