Sound system will not turn on

Tiny
TOOLTIME
  • MEMBER
  • 2006 LINCOLN ZEPHYR
  • 20,000 MILES
Thx sound system will not turn on, will turn on with car running if you pull number eighteen fuse on the inside panel and re install, then when you shut car off and start the radio will not again

Check electrical system all fuse and realys good, it iwll work if the car is running and you pull the fuse and put it back the radio will turm on but in am mode then I put it on fm and works fine. When you turn car off and restart the radio will again not turn on.
Tuesday, January 31st, 2012 AT 5:52 PM

1 Reply

Tiny
CJ MEDEVAC
  • MECHANIC
  • 11,005 POSTS
I KNOW LITTLE ABOUT YOUR PLIGHT

IMMA A '8Os ON BACK JEEP CJ KINDA GUY--THINGS ARE STILL SIMPLE AND GOING STRONG IN THE "CJ WORLD".I HAVE A '46 AND A '77

I INVESTIGATED YOUR SYSTEM IN MITCHELL I (A ONLINE REPAIR SERVICE WE CAN USE HERE)

THERE SEEM TO BE 2 KINDS OF SYSTEMS IN YOUR RIG---"BASE" AND "THX II"

BOTH SEEN TO BE ASSOCIATED W/ A COMPUTERSORTA WHERE I BECOME IGNORANT!

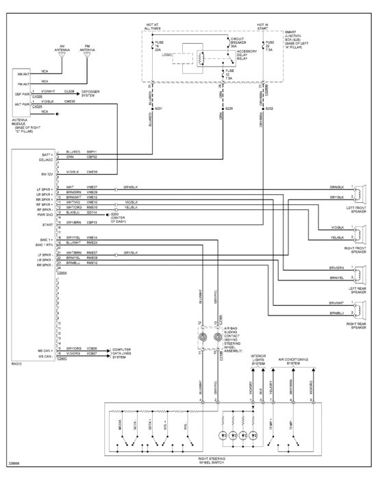
I DID GET YOU THE DIAGRAM FROM THE "BASE MODEL"----I WILL GET THE OTHER 4 FOR "THX II" IF YOU HAVE THAT SYSTEM

AT MINIMUM YOU MAY BE ABLE TO TRACE OUT WIRES, OR SEE "GISMOS/ GADGETS" ALONG THE WAY THAT MIGHT CAUSE THIS PROBLEM YOU HAVE

MOST OF THE TIME, GADGETS ARE LABELED W/ LOCATIONS, AND WIRE COLORS ARE NAMED, IN THESE TYPE DIAGRAMS

ON "REAL, SIMPLE, OLD TIME RADIOS"---'70s--AFTERMARKET NOW, USUALLY THERE ARE 2 POWER WIRES--ONE IS TO KEEP THE MEMORY GOING, THE OTHER "GETS VOLTAGE" WHEN THE KEY IS "ON" OR ON "ACCESSORIES". IF THIS WERE A RADIO LIKE THOSE, I'D SAY THE MEMORY WIRE HAS NO VOLTAGE DUE TO A "BREAK/ FUSE/ BAD CONNECTION". THIS IS PROBABLY DINOSAUR INFO FOR YOU

LET ME KNOW IF THIS (BASE MODEL) IS THE RIGHT DIAGRAM--OR YOU NEED THE OTHER 4.

LET ME KNOW IF YOU CANNOT READ THIS DIAGRAM (I CAN MAYBE GET IT TO YOU WITHOUT YOU BLURTING OUT PERSONAL INFO IN OPEN FORUM!), IT IS CLEAR IN MY DOWNLOADS, I DON'T KNOW HOW THEY LOOK HERE, TILL I POST 'EM.

YOUR TURN

THE MEDIC
Was this
answer
helpful?
Yes
No
Tuesday, January 31st, 2012 AT 7:14 PM

Please login or register to post a reply.