Monday, January 29th, 2024 AT 3:31 PM
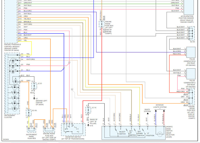
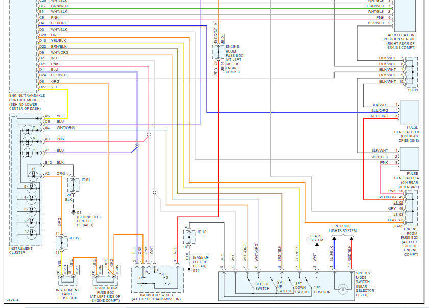
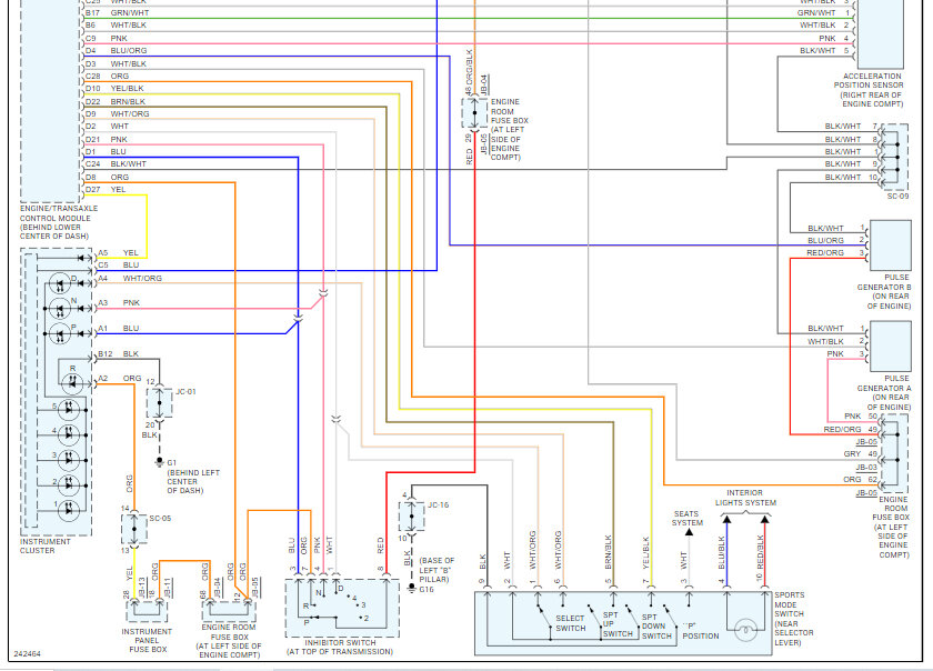
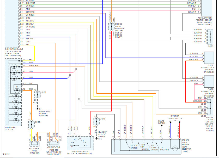
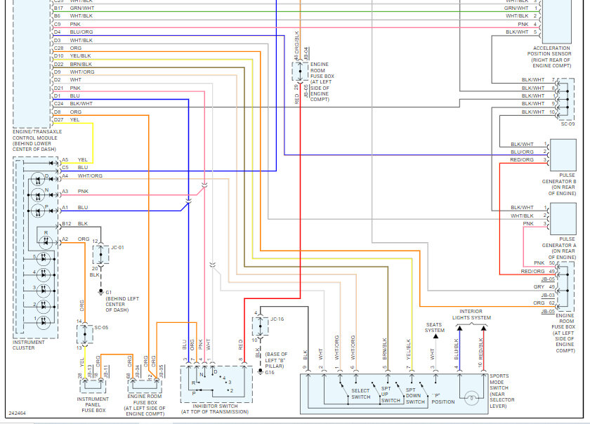
I have a check engine code P0885. TCM power relay control circuit/ open. I have already checked the relay under the hood, and it was not blown. I have purchased part # 95445-39052 which is listed for this code, but I can only see a generic picture of where it is located under the hood. This is the part.








