Alternator Replacement

Tiny
DAY
  • MEMBER
  • 2006 FORD E-SERIES VAN
  • 4 CYL
  • 2WD
  • AUTOMATIC
How do I install and replace my alternator?
Thursday, August 18th, 2011 AT 4:23 PM

5 Replies

Tiny
RASMATAZ
  • MECHANIC
  • 75,992 POSTS
Hello,

Here is a guide to help walk you through the steps with diagrams below to show you how on your van.

https://www.2carpros.com/articles/how-to-replace-an-alternator

Check out the diagrams (Below). Please let us know if you need anything else to get the problem fixed.
Was this
answer
helpful?
Yes
No
Saturday, September 3rd, 2011 AT 12:40 AM
Tiny
MATTHEWBARTLING
  • MEMBER
  • 1 POST
  • 2006 FORD E-SERIES VAN
  • 5.4L
  • V8
  • 2WD
  • AUTOMATIC
  • 112,000 MILES
My battery started dying everytime I shut my truck off, battery was ok after being tested so tested alternator was not drawing enough power so put new one on, but still not getting any reading on dash, no electrical is working any ideas what issue could be?
Was this
answer
helpful?
Yes
No
Wednesday, November 13th, 2019 AT 6:27 PM (Merged)
Tiny
HMAC300
  • MECHANIC
  • 48,601 POSTS
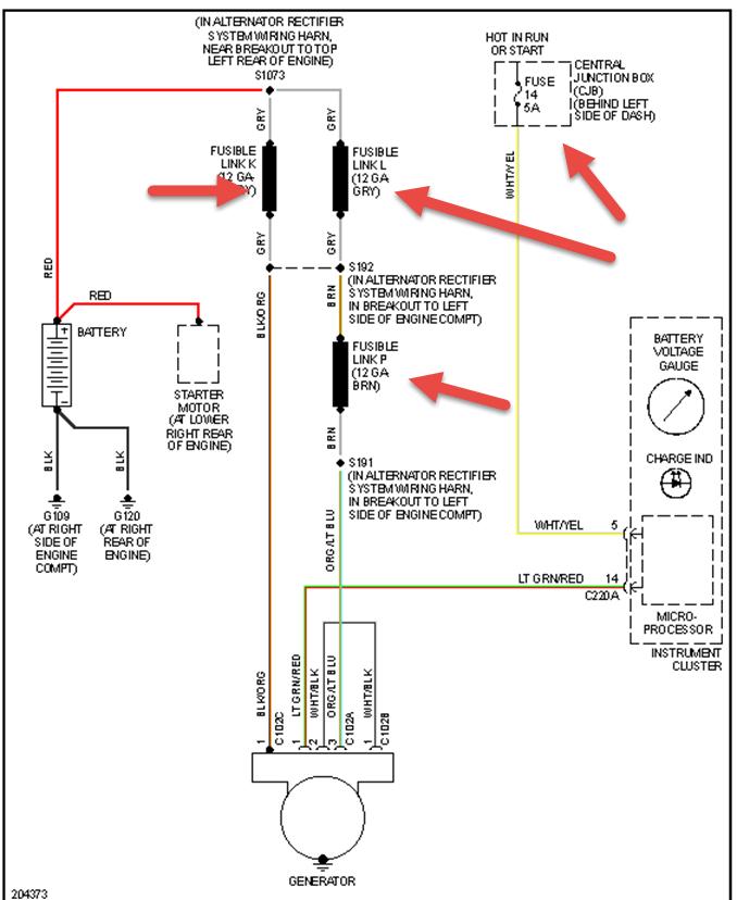
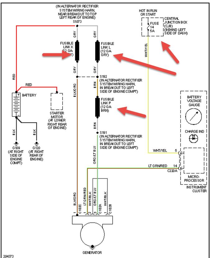
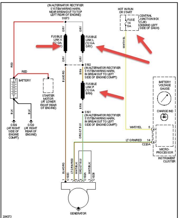
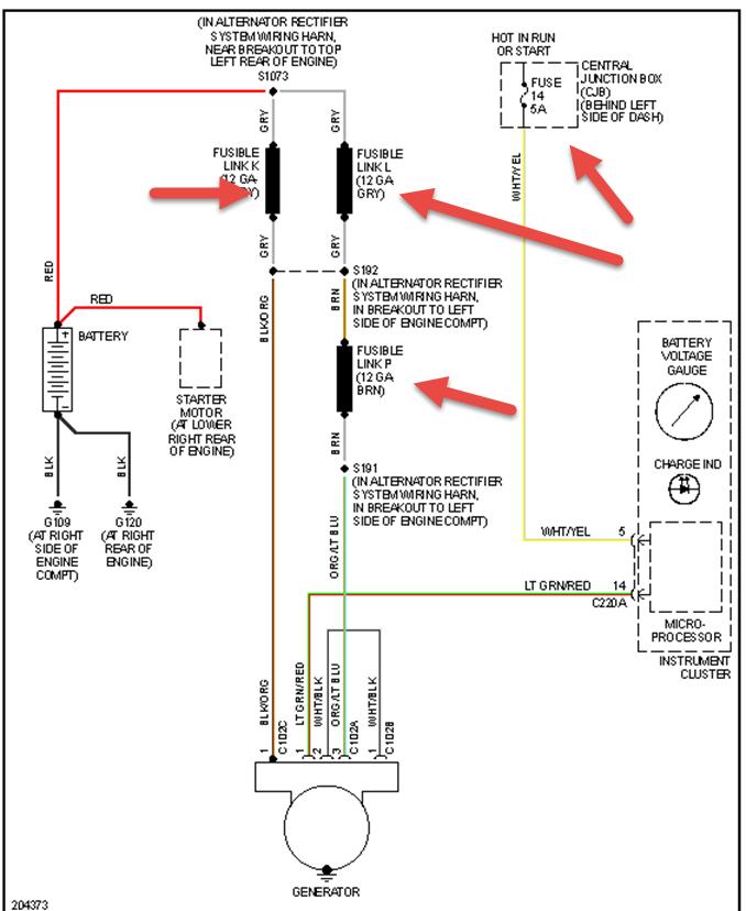
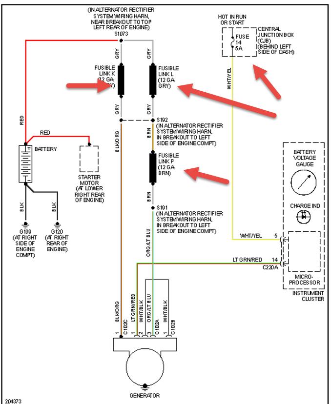
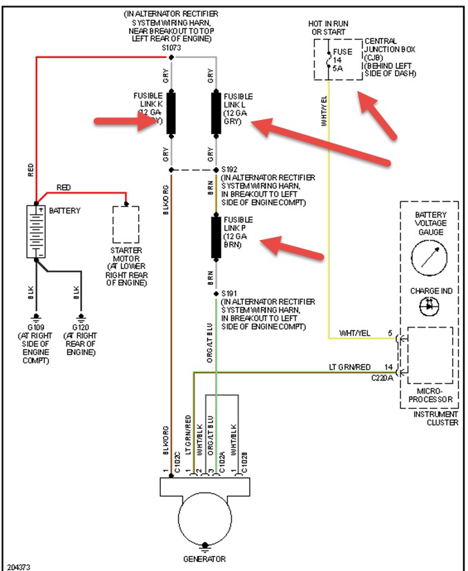
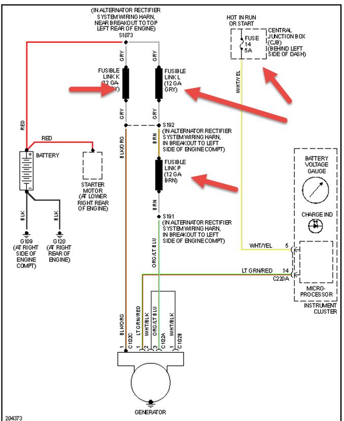
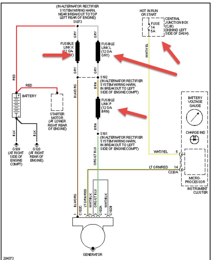
Check with a voltmeter at battery gauge can be bad for one thing. Check fusible links in pic as well as fuse they could be your problem.
Was this
answer
helpful?
Yes
No
Wednesday, November 13th, 2019 AT 6:27 PM (Merged)
Tiny
CLICKER01
  • MEMBER
  • 1 POST
  • 2006 FORD E-SERIES VAN
  • V8
  • 2WD
  • AUTOMATIC
  • 9,000 MILES
I have a 2006 E-350 Van Conversion. It's been sitting for about 5 months and the battery I replaced just 5 months ago was completely dead when I went out to start it today. I tried to jump start it and when I first turned the key the dash indicator lights came on, but when I turned the switch to the crank position the dash lights immediately went out, and nothing getting to the starter. I rechecked the jumper cables for a good connection and tried to start it, but this time the dash indicator lights did NOT turn on, and it still won't crank. No dash lights, no dome lights, no head lights, nothing is getting power, even with jumper cables hooked up with the jumper vehicle running. Any suggestions specific to this van? What should I check that's preventing current to "everything?"
Was this
answer
helpful?
Yes
No
Wednesday, November 13th, 2019 AT 6:27 PM (Merged)
Tiny
RASMATAZ
  • MECHANIC
  • 75,992 POSTS
Hi clicker01, Welcome to 2carpros and TY for the donation

Let's start by checking all the fusible links if there's any blown this the one where power is gonna come from before it goes in the vehicle-could be located at the starter relay and or the battery or alternator-let me know
Was this
answer
helpful?
Yes
No
Wednesday, November 13th, 2019 AT 6:27 PM (Merged)

Please login or register to post a reply.