Why doesn't my headlights come on when pressing the unlock button on my handheld keyless entry remote?

Tiny
KATE2001
  • MEMBER
  • 2006 CHEVROLET EQUINOX
  • 60,000 MILES
My headlights always came on after pressing the unlock button on my handheld keyless entry remote. I recently had my car battery replaced and now when I press the unlock button on the handheld keyless entry remote the headlights no longer come on. I cannot find anywhere in the car manual what controls this feature. Could a fuse be blown? If so, which fuse is it? This feature was nice, since it would light up the area in front of my car when I approached.

Thank You
Sunday, November 27th, 2011 AT 5:12 AM

3 Replies

Tiny
RIVERMIKERAT
  • MECHANIC
  • 6,110 POSTS
Do the headlights come on normally? When driving? Switched on?
Was this
answer
helpful?
Yes
No
Sunday, November 27th, 2011 AT 6:15 AM
Tiny
KATE2001
  • MEMBER
  • 11 POSTS
Yes.
Was this
answer
helpful?
Yes
No
Sunday, November 27th, 2011 AT 2:43 PM
Tiny
RIVERMIKERAT
  • MECHANIC
  • 6,110 POSTS
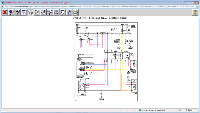
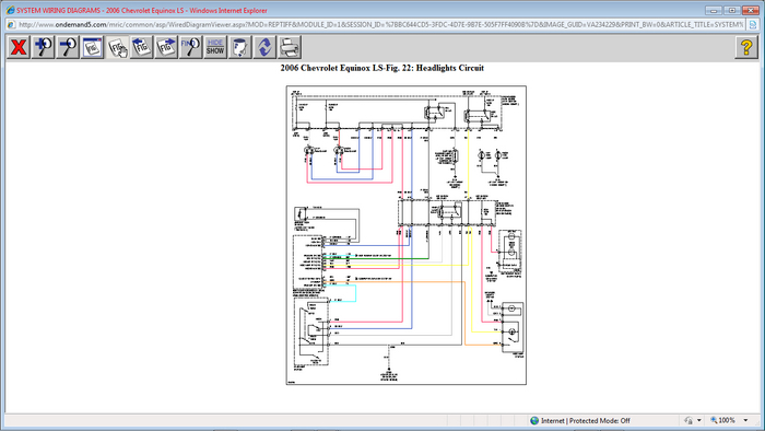
Here is the wiring diagram for the headlights on your vehicle. Check the appropriate output from the body control module.
Was this
answer
helpful?
Yes
No
-1
Monday, November 28th, 2011 AT 12:38 AM

Please login or register to post a reply.