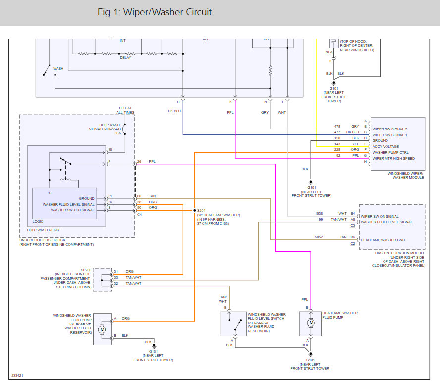
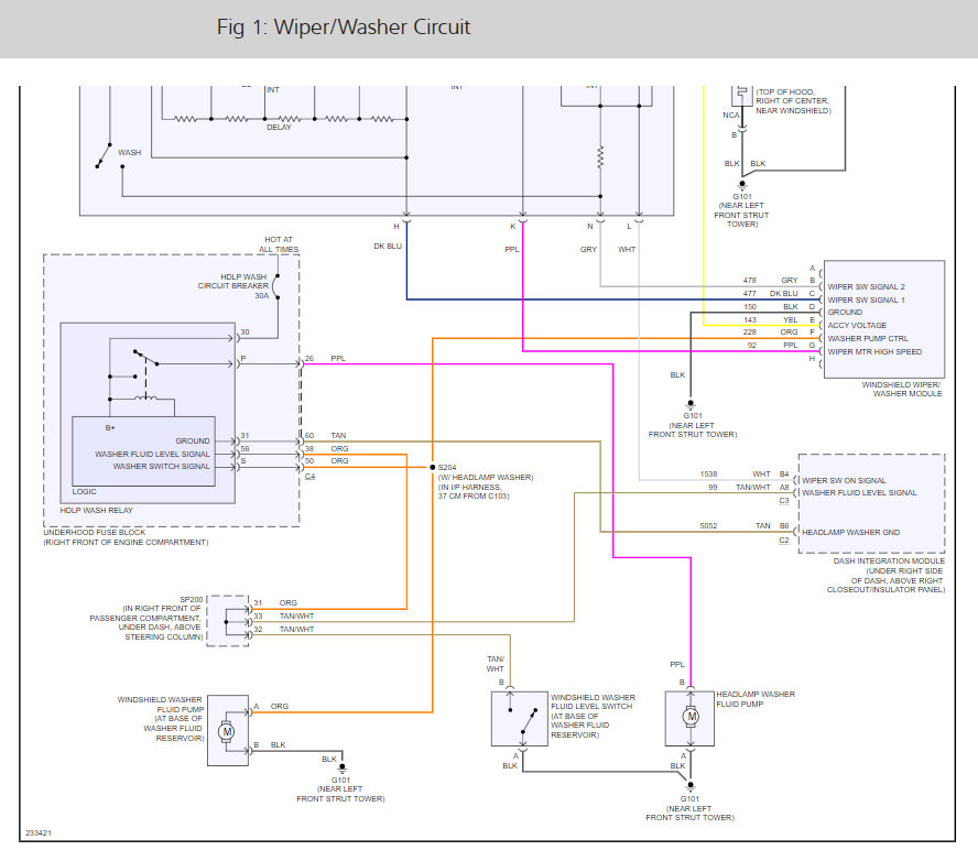
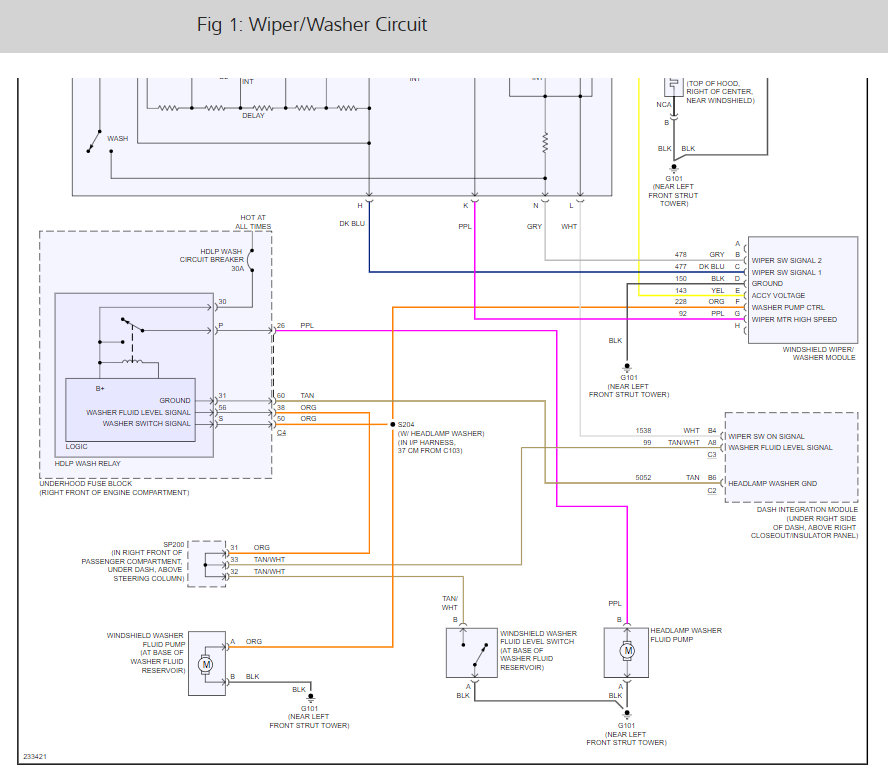
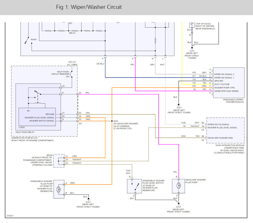
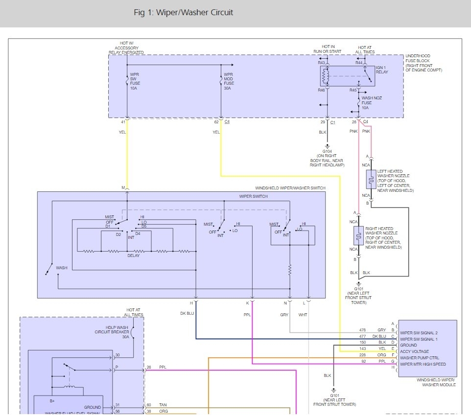
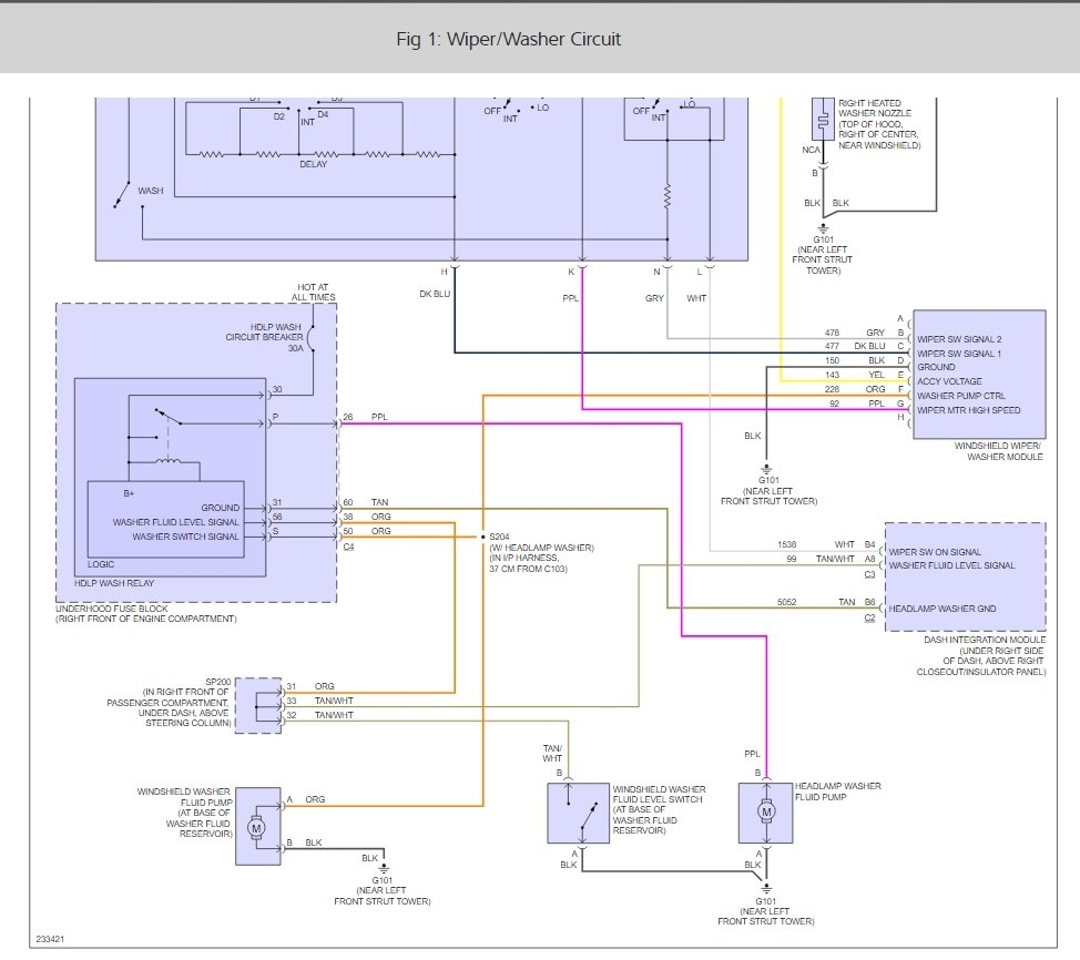
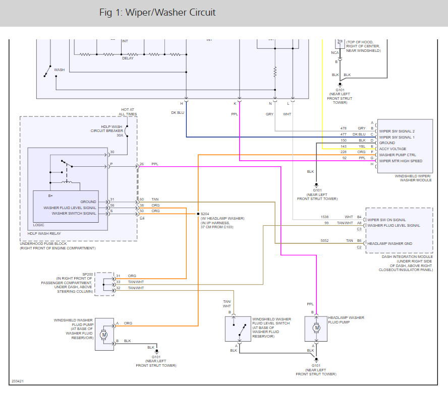
Saturday, July 5th, 2014 AT 4:02 PM
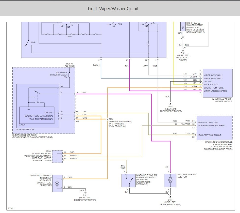
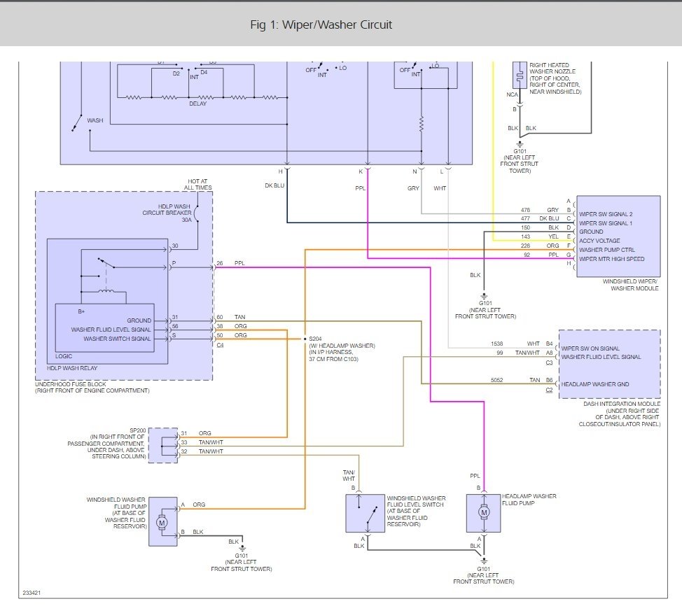
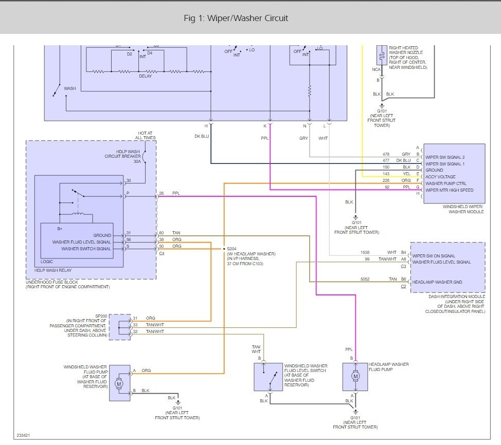
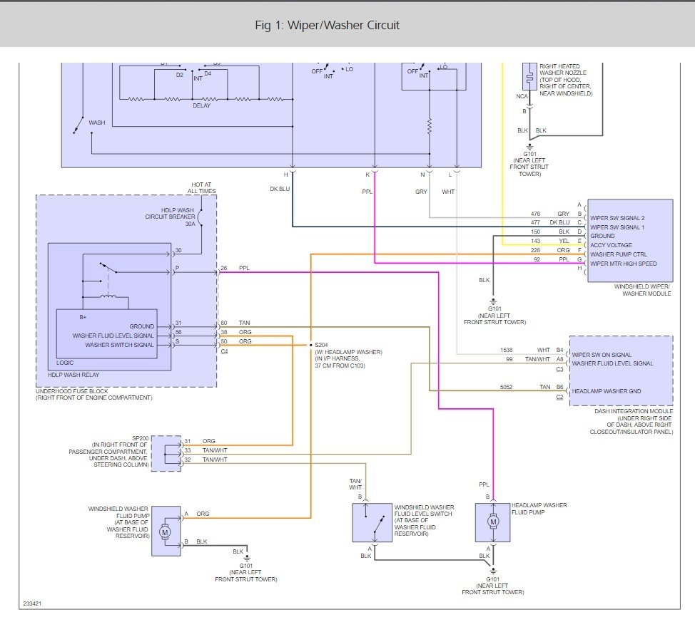
I just bought this car. Every time I turn on the windshield wipers it sprays window wiper fluid. Do you know what the problem could be? Thanks









