Can't read the instrument cluster in the daytime.

Tiny
TW
  • MEMBER
  • 2005 VOLKSWAGEN TOUAREG
  • 45,000 MILES
The cluster is to dim to read. I have tried adjusting the dimmer switch but it only makes it dimmer.
Monday, June 4th, 2012 AT 11:21 AM

8 Replies

Tiny
DRCRANKNWRENCH
  • MECHANIC
  • 3,380 POSTS
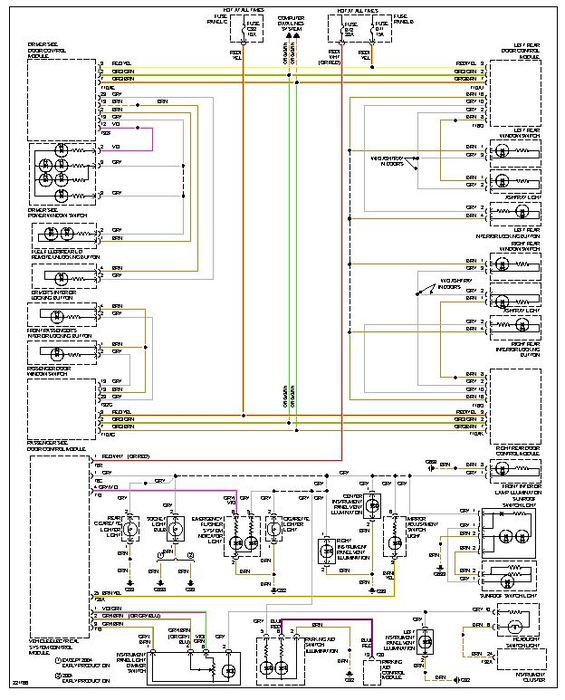
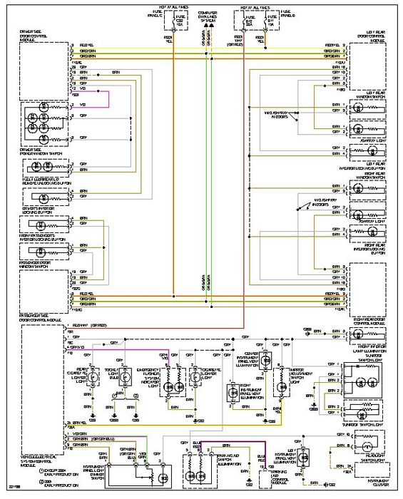
The only wiring issues might be in the dimmer switch itself or the ground. The ground is probably okay and you would possibly have other "quirky" electrical issues if it were bad. If you have had a leak or something that could have corroded it you might check it, but I am giving you the ground information as it is a possibility and the dimmer switch is usually expensive. It is the prime candidate and I don't have any test specification s to test it. Look at the right bottom of the diagram. The wire that goes to the instrument cluster is Brown and is dashed and numbered 12. It switches from solid Brown, numbered 6, then grounds out and switches to dashed. I would have given you the wiring diagram for the cluster circuit, but it only shows the #12 wire going straigt into ground. The T32A designation is for the particular connector terminal, so don't let that confuse you.
I am giving you the lighting circuit diagram to help you find the ground location. Check the wiring and see if you can find the terminal under the dash and trace it to its ground, and then check it for a good metal to metal corrosion free connection.
If it is not the ground, I would rule that out first as the parts are expensive, it is either the Headlight switch or the Dimmer switch.
Was this
answer
helpful?
Yes
No
-1
Monday, June 4th, 2012 AT 4:26 PM
Tiny
VWSCOTT
  • MEMBER
  • 66 POSTS
One thing you can try is a capacitive discharge. Remove the 2 bolts in the front of the front seat, remove the trip from the rear at the floor and carefully tip the seat back. The rear of the front seats are hinged. Remove the air duct and a few fasteners and under that cover it the battery. Disconnect both battery cables and hold them together for 20 seconds or so. Then reverse all the work. This procedure cures A LOT on the touareg. Worth a shot if the above doesn't cure your issue.
Was this
answer
helpful?
Yes
No
+1
Sunday, July 8th, 2012 AT 7:54 PM
Tiny
DRCRANKNWRENCH
  • MECHANIC
  • 3,380 POSTS
I have not heard of that procedure.
Dimmer switches often go bad and it may just need to be replaced in the end.
Was this
answer
helpful?
Yes
No
Sunday, July 8th, 2012 AT 8:10 PM
Tiny
VWSCOTT
  • MEMBER
  • 66 POSTS
I'm not doubting any info, the switch can be defective, just saying if the switch turns out OK, that capacitive discharge fixes a lot of errors on the touareg. I've never seen any other vehicle require this procedure and fix so many odd things. Usually those things only include the display in the cluster, but who knows. I don't intend to trump anyone's info, just trying to give other options as means of repair. If one thing doesn't work, try something else. Just trying to help as you are. Curious to know what fixes it.
Was this
answer
helpful?
Yes
No
+1
Sunday, July 8th, 2012 AT 9:07 PM
Tiny
EXOVCDS
  • MECHANIC
  • 1,883 POSTS
Isn't the dimmer switch just an "input" for the Vehicle Electric Control module?

If only the instrument cluster is affected and all the "other" dimmer controlled lights are
bright. It's not a dimmer problem.

Thomas
Was this
answer
helpful?
Yes
No
Monday, July 9th, 2012 AT 4:56 AM
Tiny
DRCRANKNWRENCH
  • MECHANIC
  • 3,380 POSTS
If you will look at the lower left of the wiring diagram the dimmer switch is ferefered to as, "The Instrument Cluster Dimmwer Switch".
I am not sure what else gets dimmed on your truck when it was working but they are generally for the instrument panel only.
Was this
answer
helpful?
Yes
No
Thursday, July 12th, 2012 AT 8:03 PM
Tiny
STEPHENRAYMOND
  • MEMBER
  • 1 POST
My 2004 started doing the same thing a few months back. This was preceded by the burn out of the central bulb in the cluster so I thought there just might be some sort of filament short or such - not knowing what else would make it behave this way. As you turn up the dimmer from zero the cluster becomes just visible then slowly fades back to dark. I wasn't sure if this was a direct rheostat control (doesn't seem large enough to be) and wondered if it wasn't just an input for the electronic control module as suggested above.

Can DrCranknWrench possibly provide the instrument cluster and lighting circuits in a size big enough to read?

Thanks - Raydog
Was this
answer
helpful?
Yes
No
Saturday, December 22nd, 2012 AT 7:01 PM
Tiny
DRCRANKNWRENCH
  • MECHANIC
  • 3,380 POSTS
Are you not able to click on the diagram and get a full size view. That is as large as I can make it.
Was this
answer
helpful?
Yes
No
-1
Sunday, December 23rd, 2012 AT 3:31 PM

Please login or register to post a reply.