Headlights

Tiny
TDEESE
  • MEMBER
  • 2005 SUZUKI FORENZA
  • 4 CYL
  • 2WD
  • AUTOMATIC
  • 108,250 MILES
If you headlights won't come on and you replaced the switch what could it be?
Sunday, January 23rd, 2011 AT 9:47 PM

4 Replies

Tiny
RASMATAZ
  • MECHANIC
  • 75,992 POSTS
Check fuse no.12 10amp and the headlamp relay
Was this
answer
helpful?
Yes
No
Sunday, January 23rd, 2011 AT 9:56 PM
Tiny
TDEESE
  • MEMBER
  • 3 POSTS
Thanks I will try that!
Was this
answer
helpful?
Yes
No
Sunday, January 23rd, 2011 AT 10:04 PM
Tiny
TDEESE
  • MEMBER
  • 3 POSTS
Have already checked fuse, swapped 6 dofferent relays with new one and still no success in getting headlights to work. Any other suggestions put there?
Was this
answer
helpful?
Yes
No
Monday, January 24th, 2011 AT 2:46 AM
Tiny
RASMATAZ
  • MECHANIC
  • 75,992 POSTS
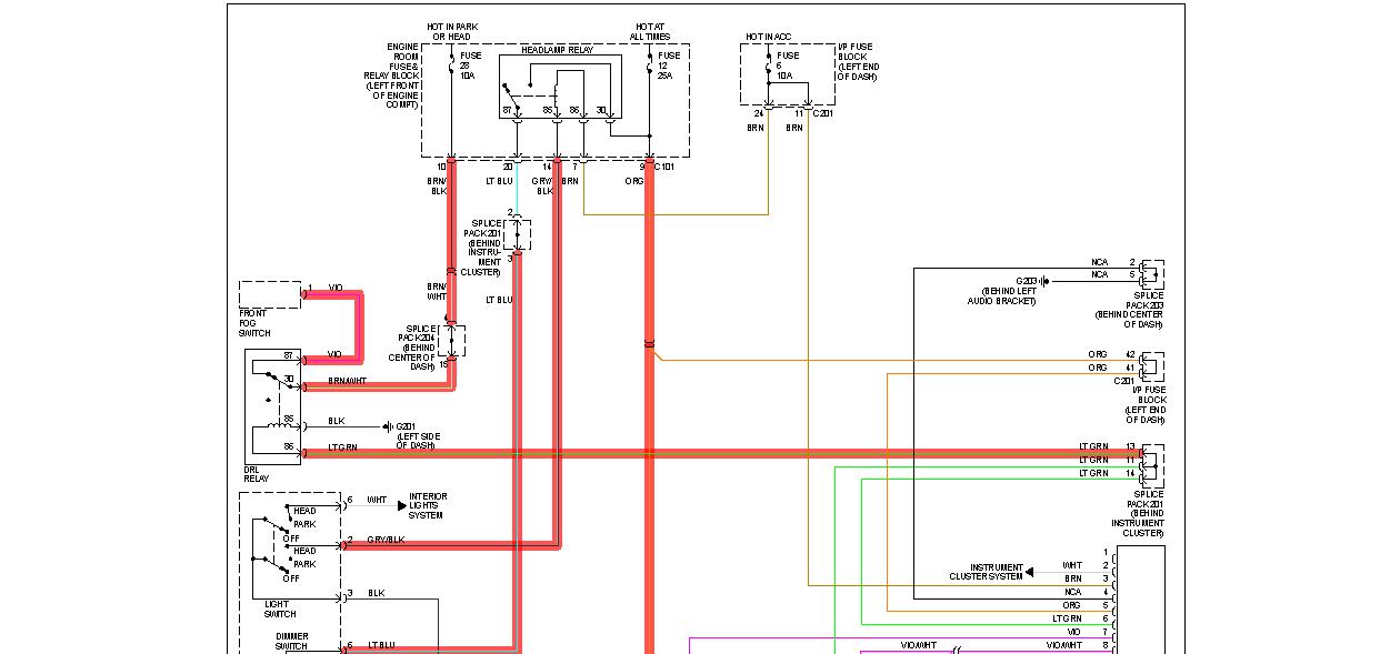
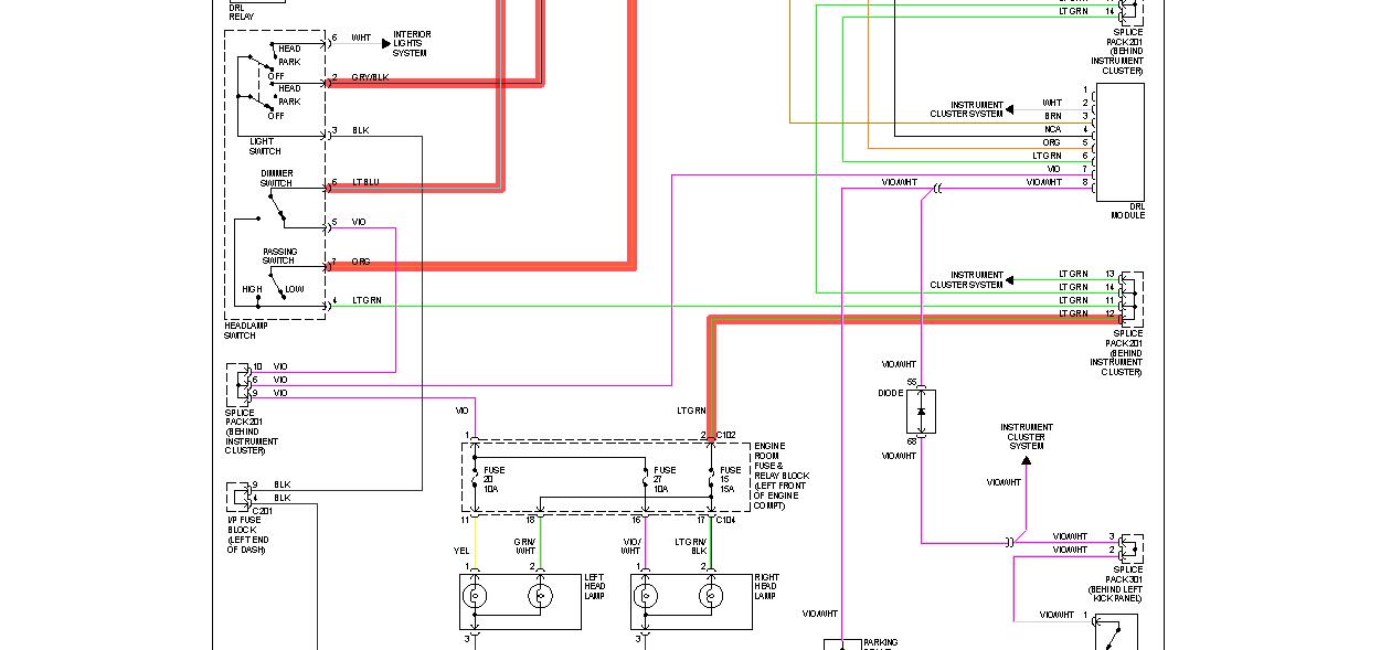
See EWD on Headlight circuits:
Was this
answer
helpful?
Yes
No
Monday, January 24th, 2011 AT 2:55 AM

Please login or register to post a reply.