Lincoln LS Temperature

Tiny
MERBEAU
  • MEMBER
  • 2005 LINCOLN LS
  • V8
  • 2WD
  • AUTOMATIC
  • 50,000 MILES
My temperature guage will move towards hot, then after stopping the car and restarting a couple of times it will go back to normal and eventually will repeat the process. I changed the thermostat in the car and it seems to be doing the same thing only worse. Could it be low on antifreeze? Or perhaps is the water pump bad? Have 50,000 miles on the car and there is no leakage coming from under the car when stopped.
Friday, January 14th, 2011 AT 7:19 PM

12 Replies

Tiny
MERLIN2021
  • MECHANIC
  • 17,250 POSTS
Try this and post any codes that show up on the display!
Front Panel DATC Module Display - Retrieve Continuous Diagnostic Trouble Codes (DTCs)

Continuous DTCs are fault codes recorded by the DATC module which have occurred during normal
operation. For the DATC module this means that all faults (intermittent or hard) that occur while the
module is in an operational state shall be reported as a continuous DTC.
? To retrieve continuous DTCs, press the OFF and DEFROST buttons simultaneously, followed
by pressing the RECIRC button within 2 seconds.
? The DATC module will report all continuous DTCs to the vacuum fluorescent (VF) display.
? The DATC module will not carry out a self-test; it will only display continuous faults codes
which are stored in memory.
? All VF display segments will light if no faults are detected.
? Individual continuous DTCs will be reported with the °C symbol lit.
? DTCs shall be reported as a 4-digit DTC (less the alpha character).
? Pressing the front DEFROST button will exit the retrieve continuous DTCs mode and clear all
continuous DTCs from DATC module memory.
? Pressing any other button (other than DEFROST) will exit the retrieve continuous DTCs mode
and maintain all continuous DTCs in DATC module memory.
? Upon exit from the retrieve continuous DTCs mode the DATC module returns to operational
status. The DATC module executes a hard (cold boot) reset which places the DATC system in
the OFF mode.
Was this
answer
helpful?
Yes
No
Friday, January 14th, 2011 AT 7:47 PM
Tiny
MERLIN2021
  • MECHANIC
  • 17,250 POSTS
Front Panel DATC Module Self-Test (On-Demand Diagnostic Trouble Codes - DTCs)

On-demand DTCs are those that are reported by an ECU when a failure is detected while executing a
diagnostic test. For the DATC module this means that all faults (hard) that occur while the module is
conducting a self-test shall be reported as an on-demand DTC.
? The DATC module self-test will not detect concerns associated with data link messages such
as engine coolant temperature or vehicle speed signals. The diagnostic tool must be used to
retrieve these concerns.
? The vehicle interior temperature should be between 0-32°C (32-90°F) when carrying out the
self-test. If the temperatures are not within the specified ranges, false temperature sensor DTCs
may be displayed.
The DATC module self-test through the front panel display:
? Can be initiated at any time. Normal operation of the system stops when the self-test is
activated.
? Is entered by pressing the OFF and DEFROST buttons simultaneously and then pressing the
AUTO button within 2 seconds. Record all DTCs displayed.
? Concludes by reporting all on-demand DTCs. Follow the diagnostics procedure given under
ACTION in the DTC index for each DTC given.
? Reports individual on-demand DTCs as 4-digit DTCs (less the alpha character).
? Will calibrate all the mode doors and check all analog inputs. The DATC module will only
report on-demand (hard) faults that occurred while the DATC module was conducting its self-
test.
? Will light all control panel display segments if no faults are detected.
? Will report individual on-demand DTCs without the °C symbol lit.
To exit the self-test, press the DEFROST button. This will clear all on-demand codes from the DATC
module memory. If no button is pushed, DTCs will continue to be displayed.
Upon exit from the self-test the DATC module returns to operational status. The DATC module
executes a hard (cold boot) reset which places the DATC system in the OFF mode.
If a condition exists but no DTCs appear during the self-test, GO to Symptom Chart Condition: The
DATC System Is Inoperative, Intermittent or Incorrect Operation.
Always exit the self-test before powering the system down (system turned OFF).
Make sure you are full on the antifreeze, and check fo cooling fan operation?
Was this
answer
helpful?
Yes
No
-1
Friday, January 14th, 2011 AT 7:50 PM
Tiny
MERBEAU
  • MEMBER
  • 5 POSTS
Coes displayed were [27 97] [12 65] [27 99]

Fluids looked low so I added antifreeze to fill line
Was this
answer
helpful?
Yes
No
+1
Friday, January 14th, 2011 AT 8:15 PM
Tiny
MERBEAU
  • MEMBER
  • 5 POSTS
Codes displayed were [27 97] [12 65] [27 99].

Anti freeze was low so I added to fill lines
Was this
answer
helpful?
Yes
No
+1
Friday, January 14th, 2011 AT 8:17 PM
Tiny
FORD MAN
  • MEMBER
  • 115 POSTS
Merlin. You own 1 of those fancy 'lil boxes that read DTC's? Most of us poor folks can't afford 1 of 'em ! Anyways. Merbeau. If your low on coolant, you will have a problem like this ! The best way to find out what might be the problem is to go someplace that owns 1 of them fancy 'lil boxes that Merlin is talkin about. If it isn't something to do with a sensor (even a non working fan will show up when a computer test is run), then you will need to look elsewhere. Are you sure that the engine is running that hot? Or maybe it's just a bad gauge. If your not sure what you are doing, take it to somebody who DOES !

Ford Man in Michigan
Was this
answer
helpful?
Yes
No
Friday, January 14th, 2011 AT 8:21 PM
Tiny
MERBEAU
  • MEMBER
  • 5 POSTS
To Ford Man

That is why I paid money to have some answers. Having owned and worked on many (albeit mostly in the 60s when I was younger) and repaired myself. These days to many fancy gadgits. It could be a bad guage, however, the cooling fan kicks in when the guage goes up. Of course if the guage is bad then the trigger to the fan will be wrong.
Was this
answer
helpful?
Yes
No
Friday, January 14th, 2011 AT 8:31 PM
Tiny
FORD MAN
  • MEMBER
  • 115 POSTS
Merbeau. Temp gauge doesn't trigger the fan motor to run, the computer does that ! Since you paid somebody to retrieve those codes, they should have told you what they meant. In any case. Maybe some 1 here has a code book, or maybe your local auto parts store can help. All else fails. Ask Merlin. It sounds like he should be able to help ya. Good Luck !

Ford Man
Was this
answer
helpful?
Yes
No
+1
Friday, January 14th, 2011 AT 9:18 PM
Tiny
MERLIN2021
  • MECHANIC
  • 17,250 POSTS
Here's the scoop on your two codes, 2797 and 2799:
Pinpoint Test J: Full Heat Only In All Modes

Normal Operation

Under normal operation, the coolant control valve receives battery voltage through circuit 30-FB3
(RD/OG)/30-FA1 (RD). The coolant control valve is provided a ground through circuit 91S-FB3
(BN/BL) and/or 91S-FB4 (BN/GN) from the Dual Automatic Temperature Control (DATC) module,
depending on which side of the heater core the warm coolant is to flow through.
Under normal operation, the auxiliary coolant pump relay coil receives a ground from the Dual
Automatic Temperature Control (DATC) module through circuit 91S-FA76 (BN/BL). The Coil
receives battery voltage through circuit 30-FA74 (RD/GN). Battery voltage is supplied to the relay
contacts from circuit 30-FA74 (RD/GN). When the relay coil is energized, voltage is delivered to the
auxiliary coolant pump motor through circuit 30S-FB1 (RD/YE). Ground for the motor is provided
through circuit 31-FB1 (BK/YE).
Possible Causes

? An open in circuit 30-FB3 (RD/OG)/30-FA1 (RD), 91S-FB3 (BN/BL) or 91S-FB4 (BN/GN).
? A short to ground or voltage in circuit 91S-FB3 (BN/BL) or 91S-FB4 (BN/GN).
? A short to voltage in circuit 91S-FB3 (BN/BL) or 91S-FB4 (BN/GN).
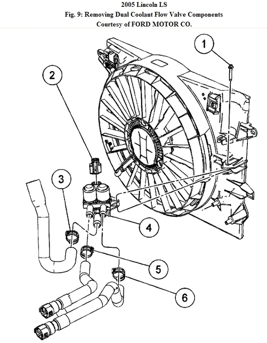
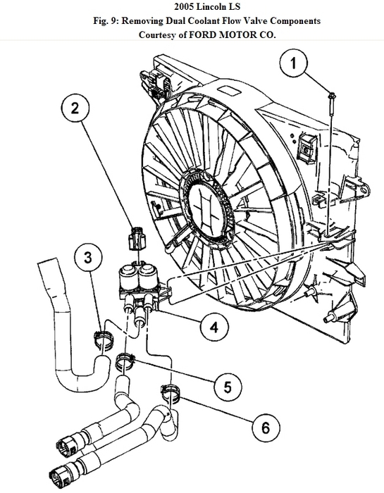
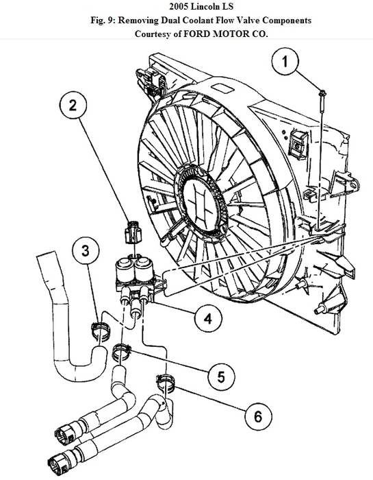
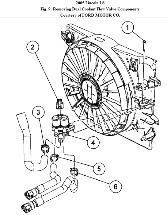
? Coolant control valve.
? Evaporator discharge air temperature sensor.
? DATC module.
PINPOINT TEST J: FULL HEAT ONLY IN ALL MODES

J1 CHECK DATC DTCs.
? Check the DATC for DTCs.
? Is DTC B2797 or B2799 present?
? Yes : GO to J3.
? No : GO to J2.
J2 CHECK CIRCUITS 91S-FB4 (BN/GN) AND 91S-FB3 (BN/BU) FOR GROUND
? Key in OFF position.
? Disconnect: Coolant Control Valve C1034.
? Key in ON position.
? Set the DATC module driver and passenger side temperature settings to full Cool.
? Measure the voltage between coolant control valve I4-2, circuit 30-FB3 (RD/OG) and:
? Coolant control valve C1034-1, circuit 91S-FB4 (BN/GN).
? Coolant control valve C -3, circuit 91S-FB3 (BN/BU).
Fig. 101: Measuring The Voltage Between Coolant Control Valve I4-2, Circuit 30-
FB3 And Coolant Control Valve C1034-1, circuit 91S-FB4; and C -3, circuit 91S-
FB3
Courtesy of FORD MOTOR CO.
? Is voltage present?
? Yes : INSTALL a new coolant control valve. TEST the system for normal operation.
? No : INSTALL a new DATC module. TEST the system for normal operation.
J3 CHECK CIRCUIT 30-FB3 (RD/OG) FOR VOLTAGE
? Key in OFF position.
? Disconnect: Coolant Control Valve C1034.
? Key in ON position.
? Measure the voltage between ground and coolant control valve C1034-2, circuit 30-FB3
(RD/OG).
Fig. 102: Measuring The Voltage Between Ground And Coolant Control Valve
C1034-2, Circuit 30-FB3 (RD/OG)
Courtesy of FORD MOTOR CO.
? Is the voltage greater than 10 volts?
? Yes : GO to J4.
? No : REPAIR circuit 30-FB3 (RD/OG) for an open. TEST the system for normal
operation.
J4 CHECK CIRCUITS 91S-FB4 (BN/GN) AND 91S-FB3 (BN/BU) FOR A SHORT TO
VOLTAGE
? Key in OFF position.
? Disconnect: DATC Module C228b.
? Key in ON position.
? Measure the voltage between ground and:
? Coolant control valve C1034-1, circuit 91S-FB4 (BN/GN).
? Coolant control valve C1034-3, circuit 91S-FB3 (BN/BU).
Fig. 103: Measuring The Voltage Between Ground And Coolant Control Valve
C1034-1, Circuit 91S-FB4; C1034-3, Circuit 91S-FB3
Courtesy of FORD MOTOR CO.
? Is voltage present?
? Yes : REPAIR circuit 91S-FB4 (BN/GN) or 91S-FB3 (BN/BU) for a short to voltage.
TEST the system for normal operation.
? No : GO to J5.
J5 CHECK CIRCUITS 91S-FB4 (BN/GN) OR 91S-FB3 (BN/BU) FOR AN OPEN
? Key in OFF position.
Fig. 104: Measuring The Resistance Between Coolant Control Valve C1034-1,
Circuit 91S-FB4 (BN/GN) And DATC Module C228b-6, Circuit 91S-FB4 (BN/GN)
NOTE:
DTC B2797 only.
Courtesy of FORD MOTOR CO.
? Measure the resistance between coolant control valve C1034-1, circuit 91S-FB4
(BN/GN) and DATC module C228b-6, circuit 91S-FB4 (BN/GN).
Fig. 105: Measuring The Resistance Between Coolant Control Valve C1034-3,
Circuit 91S-FB3 (BN/BU) And DATC Module C228b-5, Circuit 91S-FB3 (BN/BU)
Courtesy of FORD MOTOR CO.
? Measure the resistance between coolant control valve C1034-3, circuit 91S-FB3
(BN/BU) and DATC module C228b-5, circuit 91S-FB3 (BN/BU).
? Are the resistances less than 5 ohms?
? Yes : CARRY OUT the coolant control valve component test in this article. If OK,
INSTALL a new DATC module. TEST the system for normal operation.
? No : REPAIR circuit 91S-FB4 (BN/GN) or 91S-FB3 (BN/BU) for an open. TEST the
system for normal operation.
NOTE:
DTC B2799 only.
Was this
answer
helpful?
Yes
No
Saturday, January 15th, 2011 AT 1:03 AM
Tiny
MERLIN2021
  • MECHANIC
  • 17,250 POSTS
Coolant control valve is by the radiator, if the cooling fan does not come on checl the ECT and fan switch these can be out of range and cause the fan to either start at the wrong time, or not at all. Low coolant is the easy answer, and a pressure test of the cooling system to see if it holds pressure.
Was this
answer
helpful?
Yes
No
-1
Saturday, January 15th, 2011 AT 1:11 AM
Tiny
MERBEAU
  • MEMBER
  • 5 POSTS
Thanks Merlin. That is exactly what is happening (full heat in all modes). Off to the Lincoln dealer. Thanks to all for responding.
Was this
answer
helpful?
Yes
No
Saturday, January 15th, 2011 AT 1:29 AM
Tiny
MERLIN2021
  • MECHANIC
  • 17,250 POSTS
Let me know what they di to it!
Was this
answer
helpful?
Yes
No
Tuesday, January 18th, 2011 AT 8:55 AM
Tiny
SEDRICK TAYLOR
  • MEMBER
  • 1 POST
Merbeau did you ever fix your heating problem. Sedst50@gmail. Com
Was this
answer
helpful?
Yes
No
Thursday, September 8th, 2016 AT 6:14 PM

Please login or register to post a reply.