Tuesday, December 4th, 2012 AT 6:29 AM
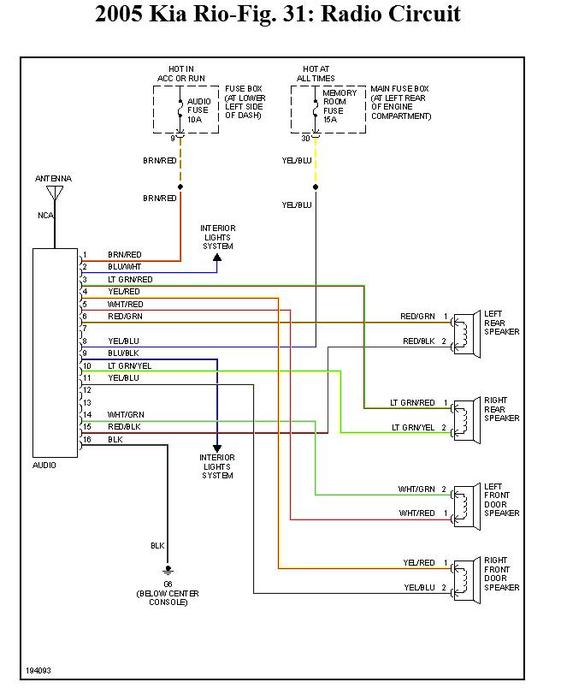
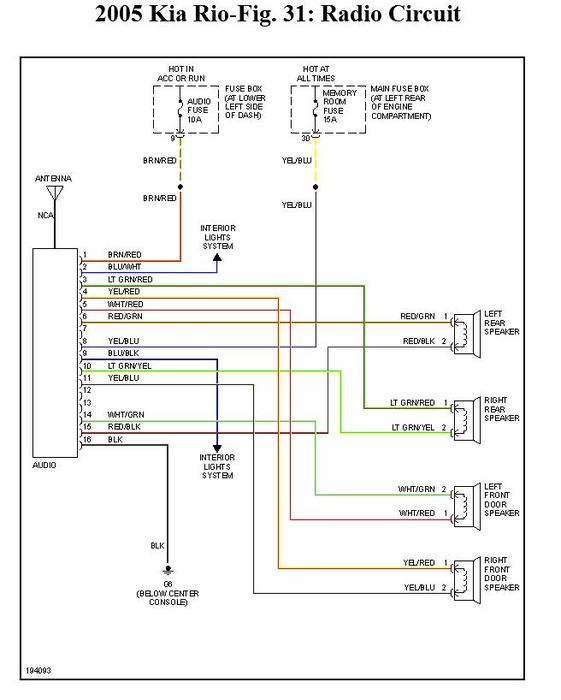
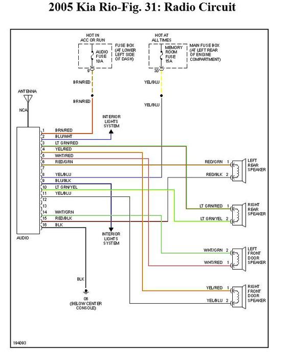
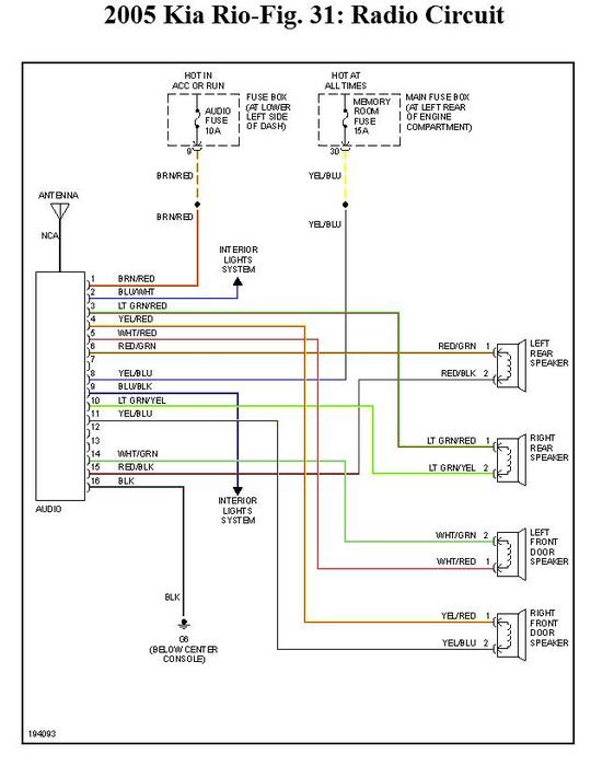
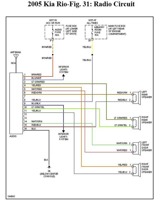
My sister somehow broke her stereo and bought a new one and asked me to install it. I know a little about wiring but nothing about stereos. I looked up the wiring diagram for a 2004 KIA Rio online and matched the wires exactly. But It has to be some kind of power problem since my interior lights are out and the radio isn't receiving any power what so ever. Car starts fine head lights, tail lights, and turn signals all work only thing that wont turn on is interior lights and radio. Also when turned on to the point where the radio and electrical devices should turn on without starting the car there is a weird noise. Kind of like the noise an automatic antenna makes when it comes out. There is no automatic antenna.


