There is no 12 volts at the trailer connector for charging trailer battery.

Tiny
AMOS65
  • MEMBER
  • 2005 GMC SIERRA
  • 102,000 MILES
I read the book and checked for fuses with out any luck.

Gladly donate if I receive fix.
Tuesday, September 6th, 2011 AT 2:09 PM

14 Replies

Tiny
DRCRANKNWRENCH
  • MECHANIC
  • 3,380 POSTS
You can use your multi-meter and follow the wire path. Back probe it by sticking the sharp pins through insulation of wires. Do this from power source to connector and you can see where the voltage drops off.
If there is not 12 volts at fue box, then there is a loose or broken connecting pin. Remove fuse box and inspect connectors.
You are probably looking for a braoken wire. Even though the insulation may look aoky, there can still be a coninuity problem.
Was this
answer
helpful?
Yes
No
Tuesday, September 6th, 2011 AT 5:08 PM
Tiny
AMOS65
  • MEMBER
  • 8 POSTS
Does the wire start at the fuse block under the hood?
I would think there is a fuse for it, but none found.
Was this
answer
helpful?
Yes
No
Tuesday, September 6th, 2011 AT 7:03 PM
Tiny
DRCRANKNWRENCH
  • MECHANIC
  • 3,380 POSTS
That is where the wire sahould start, but it is tied into the brale/turn signals. Maybe try back-tracing it. Which won't be easy near the engine compartment.
If you still have trouble, I will ask a few friends to help out.
Was this
answer
helpful?
Yes
No
Tuesday, September 13th, 2011 AT 10:13 PM
Tiny
AMOS65
  • MEMBER
  • 8 POSTS
I think I traced the right wire, for continuity, from rear to under hood where it loops back through the fire wall to a relay in the exact middle of the connection block under the dash. It measures about 3 ohms and there is 12 volts on one contact. The rely coil is good and measures 89 ohms. I can not find anything that activates the relay. Manually closing the relay does not give 12 volts at rear. !

This really frustrating as I am a retired electronic tech.
Was this
answer
helpful?
Yes
No
Tuesday, September 13th, 2011 AT 11:49 PM
Tiny
CJ MEDEVAC
  • MECHANIC
  • 11,005 POSTS
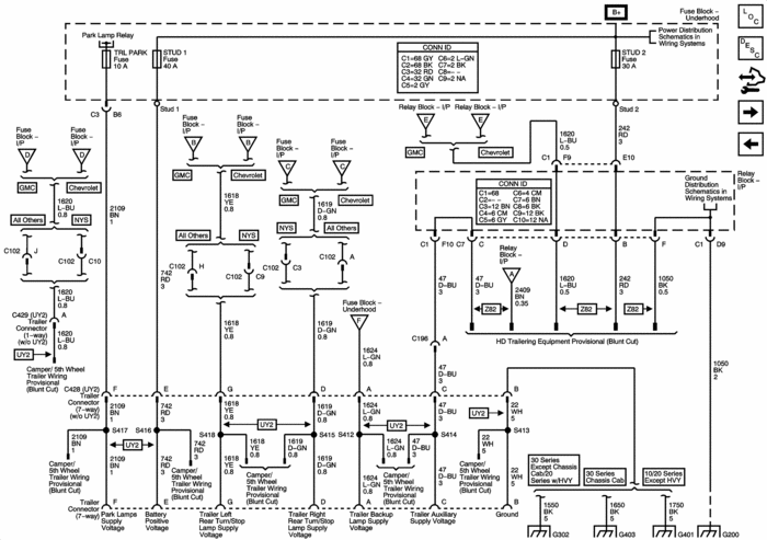
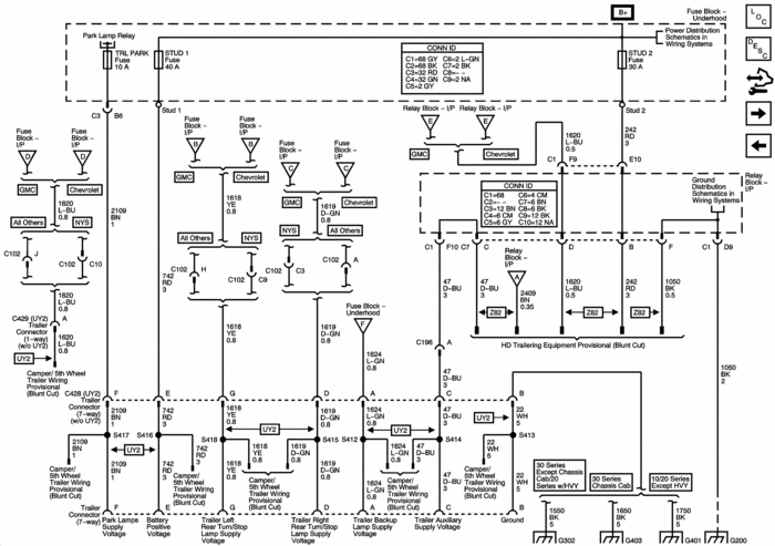
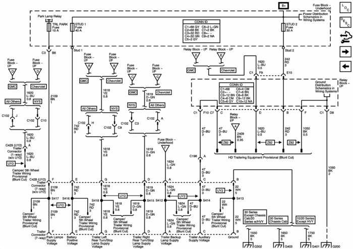
HAD LIMITED INFO ON YOUR RIG. SORTA HAD A HARD TIME FINDING THESE, AS THE SOURCE I GET 'EM FROM IS CONFUSING SOMETIMES. GETTING BETTER THOUGH! I GOT THE "1500" (1ST PIC) AND THE "3500" (2ND PIC). JUST SORTA SKIPPED OVER THE 2500, I FEEL SURE, IT'LL BE THE ONE YOU WANT! LET ME KNOW!

LET ME KNOW IF YOU CAN'T READ 'EM, I'LL HELP YOU OUT THERE, LET "ME" KNOW AT THIS POST, BEFORE YOU POST SOMETHING YOU DON'T WANT THE WORLD TO KNOW! I NEVER KNOW HOW THEY LOOK, ON SITE, UNTIL I STICK 'EM IN.

I'VE BEEN SORTA OFF AND ON LOOKING FOR THESE, LOTS OF STUFF GOING ON HERE, LIKE SEARCHING FOR OUR "ESCAPE ARTIST" BEAGLE!

THE MEDIC
Was this
answer
helpful?
Yes
No
+1
Wednesday, September 14th, 2011 AT 1:13 AM
Tiny
AMOS65
  • MEMBER
  • 8 POSTS
Thanks for trying.
Pics are in thumbnail size and can't print anything readable. Can you attach full size to email?
Was this
answer
helpful?
Yes
No
Wednesday, September 14th, 2011 AT 1:50 AM
Tiny
CJ MEDEVAC
  • MECHANIC
  • 11,005 POSTS
I RECKON YOU CLICKED ON 'EM?

HOME>YOU>MESSAGES ARE TO LEFT>CLICK ON IT

THE MEDIC
Was this
answer
helpful?
Yes
No
Wednesday, September 14th, 2011 AT 3:38 AM
Tiny
FACTORYJACK
  • MECHANIC
  • 4,159 POSTS
There should not be a relay to enable it, it should be fuse protected. You may have to remove not only the fuse block cover, but also the housing around in. There is a power stud, I think it is referred to as stud 2, that for one needs the accessory lead attached to it, and then a fuse has to be put in an open cavity in the fuse block to power it. Reply back if you locate this, or if not I can do further research.
Was this
answer
helpful?
Yes
No
Wednesday, September 14th, 2011 AT 4:22 AM
Tiny
AMOS65
  • MEMBER
  • 8 POSTS
As the suspense grows!

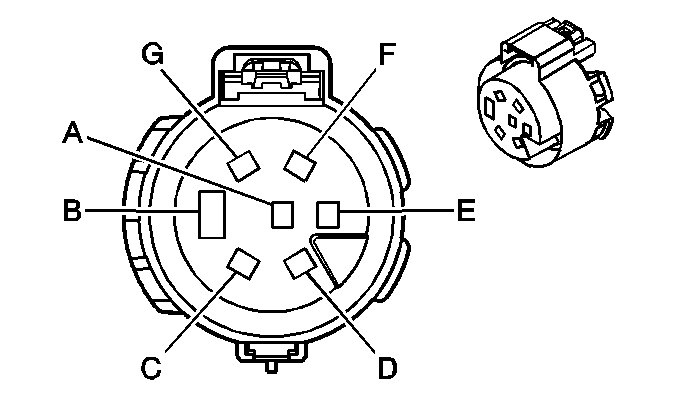
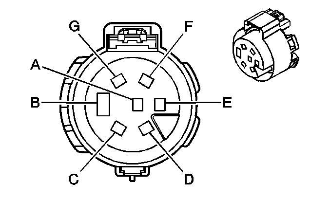
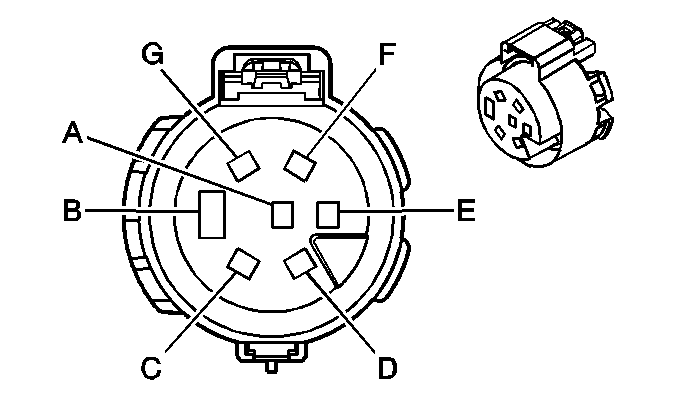
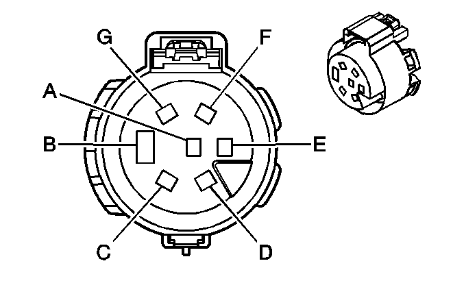
Vehicle has factory installed package. Stud 1 has a dummy fuse. I grabbed a convenient fuse and I now have 12 volts. I have 2 different 7 PIN plug diagrams. One is Pollak and the other Bargeman.
Bargman says pin 4, black is for charging.
Pollak says pin 4, black is for charging.
The red wire from stud 1 is going to pin 5. Five is L turn signal for Pollak and Bargman.
Was this
answer
helpful?
Yes
No
+1
Wednesday, September 14th, 2011 AT 6:14 PM
Tiny
FACTORYJACK
  • MECHANIC
  • 4,159 POSTS
This is factory wiring information. The wiring to the junction block under the dash was probably for trailer brake controller.
Was this
answer
helpful?
Yes
No
Thursday, September 15th, 2011 AT 12:00 AM
Tiny
AMOS65
  • MEMBER
  • 8 POSTS
Ah-lah!
The dummies put in a dummy fuse.
Let me know when PayPal is working as it goes part way and then, "page not found".
Was this
answer
helpful?
Yes
No
Friday, September 16th, 2011 AT 1:55 PM
Tiny
AMOS65
  • MEMBER
  • 8 POSTS
PayPal message:

"The page you were looking for doesn't exist."
Was this
answer
helpful?
Yes
No
Friday, September 23rd, 2011 AT 9:18 PM
Tiny
FACTORYJACK
  • MECHANIC
  • 4,159 POSTS
What is it you are trying to do?
Was this
answer
helpful?
Yes
No
Friday, September 23rd, 2011 AT 9:42 PM
Tiny
AMOS65
  • MEMBER
  • 8 POSTS
Donate through PayPal
Was this
answer
helpful?
Yes
No
Friday, September 23rd, 2011 AT 9:54 PM

Please login or register to post a reply.