Alarm

Tiny
MEBAGNATO
  • MEMBER
  • 2005 CHEVROLET COBALT
  • 2.2L
  • 4 CYL
  • 2WD
  • AUTOMATIC
I have an 05 Chevy cobalt and the alarm goes off at different times and no one is around. How can I turn the alarm off?
Sunday, November 29th, 2015 AT 4:17 PM

19 Replies

Tiny
HMAC300
  • MECHANIC
  • 48,601 POSTS
My manual isn't showing a way to disable it. That could very well be something a GM scan tool is required for. Here' a little light reading on reprogramming it

PROGRAMMING THEFT DETERRENT SYSTEM COMPONENTS

IMPORTANT:
- The body control module (BCM) must be programmed with the proper regular production option (RPO) configurations before performing learn procedures. See Body Control Module (BCM) Programming/RPO Configuration in Computer/Integrating Systems.
- If replacing the BCM with a GM Service Parts Operations (SPO) replacement part, the module will learn Passlock(TM) sensor data code immediately. The existing PCM however, must learn the new fuel continue password when the BCM is replaced.
- If replacing a PCM with a GM SPO replacement part, after programming, these modules will learn the incoming fuel continue password immediately upon receipt of a password message. Once a password message is received, and a password is learned, a learn procedure must be performed to change this password again. A PCM which has been previously installed in another vehicle will have learned the other vehicle's fuel continue password, and will require a learn procedure after programming to learn the current vehicle's password.

Conditions
Use this procedure after replacing:
- Passlock(TM) Sensor
- BCM
- PCM

Learn PROCEDURES
There are 2 available methods to perform the programming procedure:
- A 10-minute procedure which requires a Tech 2 and a techline terminal.
- A 30-minute procedure which does not require the use of any tools.

10-Minute Learn Procedure

Tools Required
- Tech 2
- Techline terminal with current Service Programming System (SPS) software

1. Connect the Tech 2 to the vehicle.
2. Select "Request Information" under "Service Programming".
3. Disconnect the Tech 2 from the vehicle and connect it to a techline terminal.
4. On the techline terminal, select "Theft Module Re-Learn" under "Service Programming".
5. Disconnect the Tech 2 from the techline terminal and connect it to the vehicle.
6. Turn ON the ignition, with the engine OFF.
7. Select "VTD Re-Learn" under "Service Programming".
8. Attempt to start the engine, then release the key to ON. The vehicle will not start.
9. Observe the SECURITY telltale. After approximately 10 minutes, the telltale will turn OFF. The vehicle is now ready to relearn the Passlock(TM) Sensor Data Code and/or password on the next ignition switch transition from OFF to CRANK.
10. Turn OFF the ignition, and wait 5 seconds.
11. Start the engine. The vehicle has now learned the password.
12. With the Tech 2 (scan tool), clear any DTCs.

30-Minute Learn Procedure
1. Turn ON the ignition, with the engine OFF.
2. Attempt to start the engine, then release the key to ON. The vehicle will not start.
3. Observe the SECURITY telltale. After approximately 10 minutes, the telltale will turn OFF.
4. Turn OFF the ignition, and wait 5 seconds.
5. Repeat steps 1-4 two more times for a total of 3 cycles/30 minutes. The vehicle is now ready to relearn the Passlock(TM) Sensor Data Code and/or passwords on the next ignition switch transition from OFF to CRANK.
6. Start the engine. The vehicle has now learned the Passlock(TM) Sensor Data Code and/or password.

IMPORTANT: The vehicle learns the Passlock(TM) Sensor Data Code and/or password on the next ignition switch transition from OFF to CRANK. You must turn the ignition OFF before attempting to start the vehicle.

7. With a scan tool, clear any DTCs if needed. History DTCs will self clear after 100 ignition cycles.
Was this
answer
helpful?
Yes
No
+1
Monday, November 30th, 2015 AT 7:10 AM
Tiny
REXDART
  • MEMBER
  • 2 POSTS
  • 2005 CHEVROLET COBALT
Computer problem 4 cyl Two Wheel Drive Automatic 40000 miles

Hello, I'm wondering how I can disable the anti-theft alarm that activates whenever a key is used to open the car door or trunk. My key fob hardly works and I'd like to be able to use my key to open my own car without attracting the attention of everybody around. Is there a way to set the alarm to a sane mode?
Was this
answer
helpful?
Yes
No
-1
Monday, March 18th, 2019 AT 6:43 PM (Merged)
Tiny
SATURNTECH9
  • MECHANIC
  • 30,869 POSTS
If that is a factory key less entry then there is no way of disabling it. So does the car auto arm when u leave it meaning you don't have to use the key fob for it to lock or the switch. If that's the case then u need to have someone at the dealer go in there and change it to passive arm meaning your in control of when it activates and doesn't activate. Also you mention that your key fob doesn't work so hot have u ever cleaned it. Get a coin and you can pop it open in there u will find black stuff on the inside of buttons and circuit boards you can clean it with a tissue usually makes them work great. If that doesn't work try replacing the battery next. Let me know how it goes.
Was this
answer
helpful?
Yes
No
-2
Monday, March 18th, 2019 AT 6:43 PM (Merged)
Tiny
REXDART
  • MEMBER
  • 2 POSTS
Thanks for your input. I guess I should try cleaning the contacts in my remote, but as these things do eventually die, I'd like to be able to use my car without it.
Yes, the alarm does arm itself, even without locking the car. I can just be sitting in it for several minutes, unlocked, and the alarm will sound if I open the door. Is it agreed that only a dealer can change my alarm settings, or does anybody here have a different suggestion?
Was this
answer
helpful?
Yes
No
Monday, March 18th, 2019 AT 6:43 PM (Merged)
Tiny
RYOCOMJR
  • MEMBER
  • 2 POSTS
I am having the same exact problem with mine. Close the doors without arming it(locking through key fob) after about 30-60 seconds the alarm goes off, you open the door you get the seies of horn then if you dont start the car (which disengages it) the panic alarm will go off. Its becoming very annoying.
Was this
answer
helpful?
Yes
No
+2
Monday, March 18th, 2019 AT 6:43 PM (Merged)
Tiny
SATURNTECH9
  • MECHANIC
  • 30,869 POSTS
The problem with changing the setting's on the newer car's is that the alarm run's thru the body control module. It take's a advanced scan tool like the tech2 and have the correct software to go into the body control module and change the alarm setting. Most shop's don't have it so the best bet is go to the dealer to have them change it so it only work's when you arm it with the fob. You can call around to different shop's but chance's are they won't be able to do it.
Was this
answer
helpful?
Yes
No
Monday, March 18th, 2019 AT 6:43 PM (Merged)
Tiny
SCOOBY LEWIS
  • MEMBER
  • 1 POST
  • 2005 CHEVROLET COBALT
  • 4 CYL
  • 2WD
  • AUTOMATIC
  • 16,000 MILES
The car start when you open the doors the alarm goes off. How can I disable the alarm? I do not really know I just bought the car couple weeks ago. When I bought it the alarm was not going off at all. When I got it everything was fine then about a week later the door locks started locking and unlocking. After about a week the alarm started going off. I have pulled fuse to the locked out and I took the fuse to the horn out is there anything else I can do?
Was this
answer
helpful?
Yes
No
Monday, March 18th, 2019 AT 6:43 PM (Merged)
Tiny
RYOCOMJR
  • MEMBER
  • 2 POSTS
Does the fact that when I bought the car I could unlock and lock the whole car with the key on the drivers side door, nor does my lock/unlock buttons inside the car do not work for some strange reason either.
Thanks in advance
Was this
answer
helpful?
Yes
No
Monday, March 18th, 2019 AT 6:43 PM (Merged)
Tiny
KEN L
  • MASTER CERTIFIED MECHANIC
  • 55,291 POSTS
Hello,

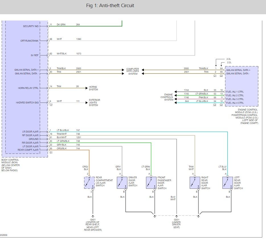
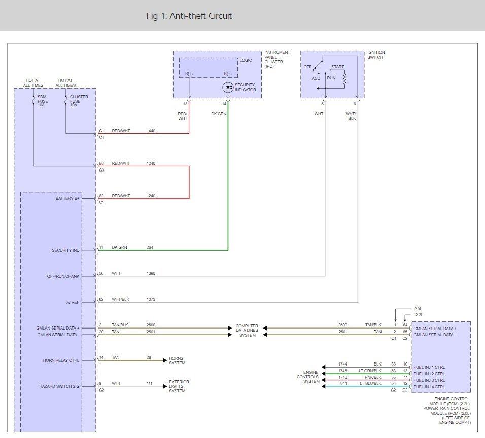
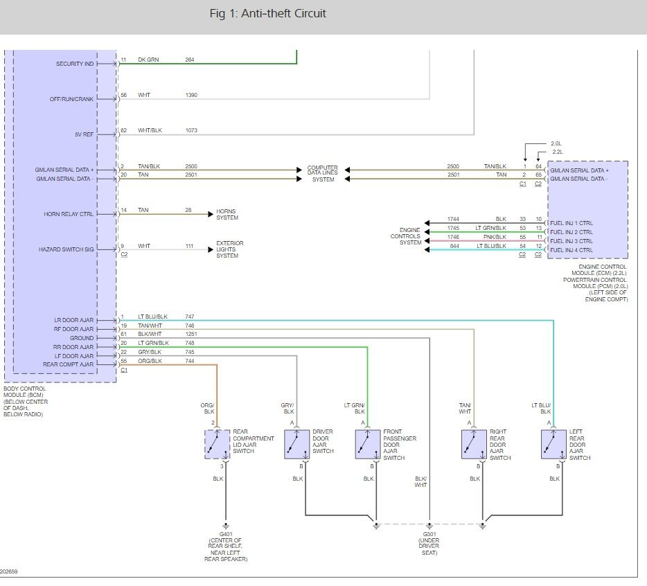
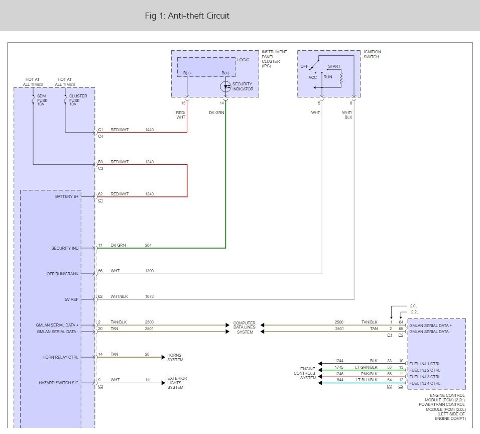
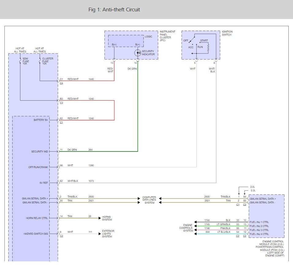
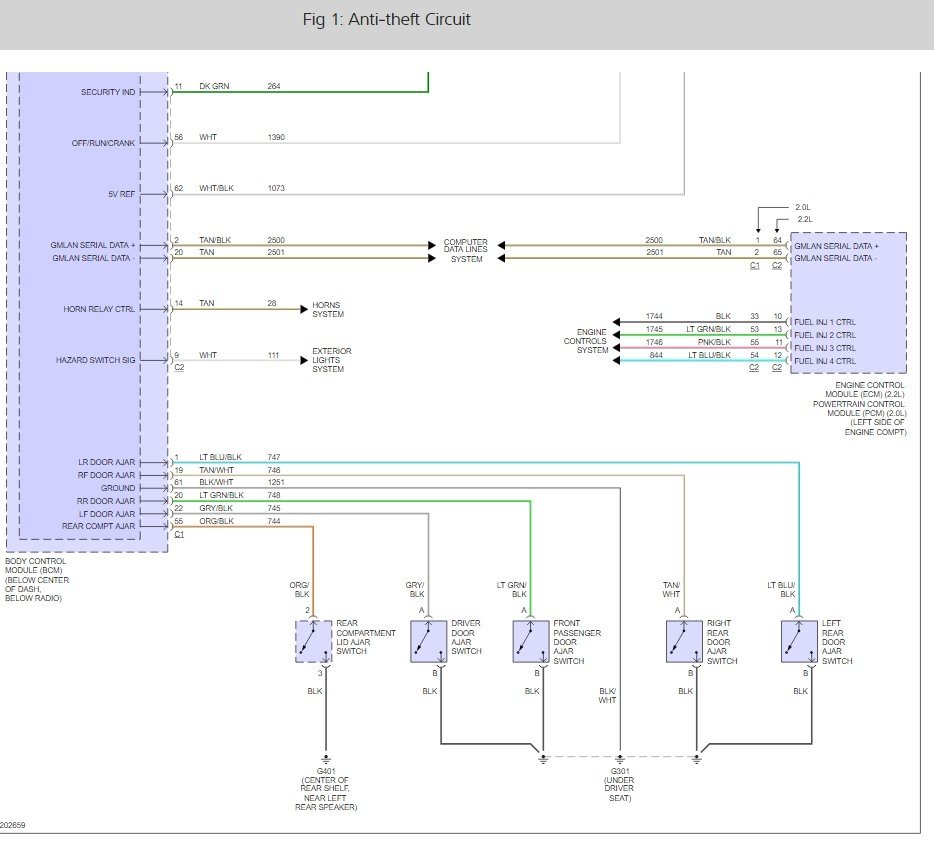
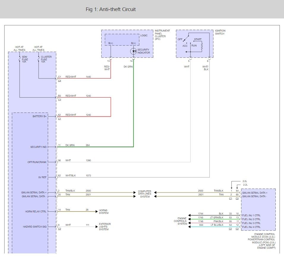
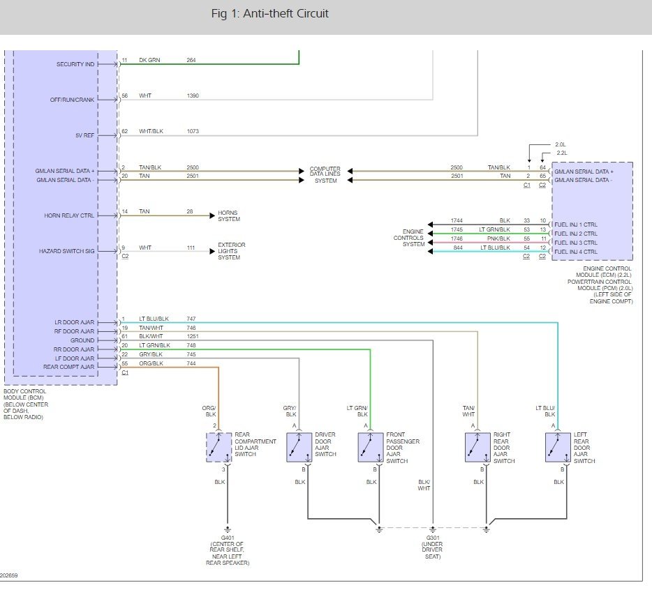
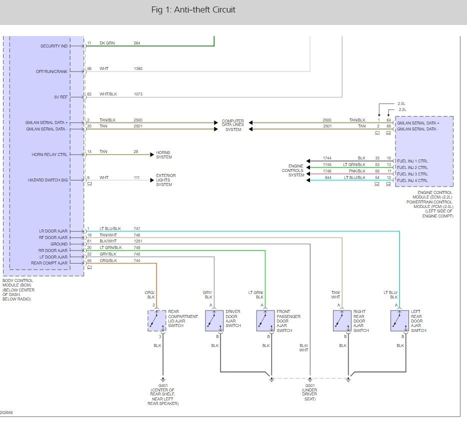
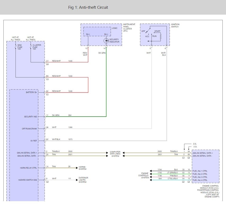
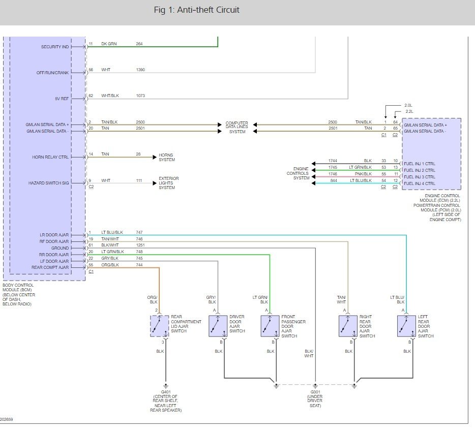
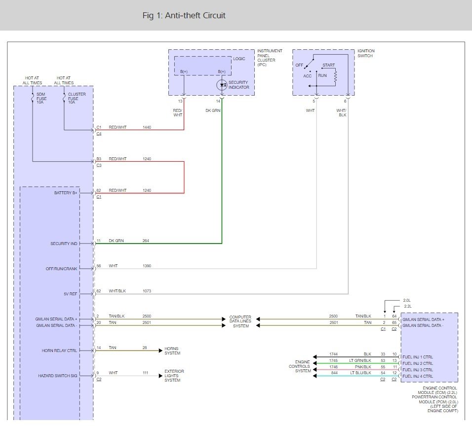
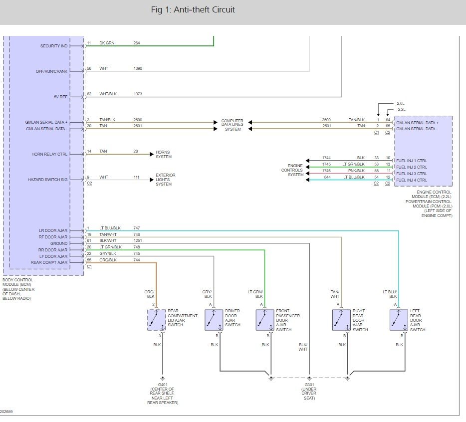
It sounds like you have a BCM that is going out. Here is a wiring diagram of the system so you can see what Im talking about.

Please let us know what happens, we are interested to see what it is.

Cheers, Ken
Was this
answer
helpful?
Yes
No
Monday, March 18th, 2019 AT 6:43 PM (Merged)
Tiny
SATURNTECH9
  • MECHANIC
  • 30,869 POSTS
That could be related to your other issue or a different issue in itself.I posted the trouble tree for inop door lock's also make sure the door lock fuse is good.
Was this
answer
helpful?
Yes
No
Monday, March 18th, 2019 AT 6:43 PM (Merged)
Tiny
HALEYGRANA
  • MEMBER
  • 2 POSTS
  • 2005 CHEVROLET COBALT
  • 238,000 MILES
My car alarm goes off every time I open my doors. I would like to know how to just disable the alarm system so it stops going off. Can you tell me how to do that? It doesn't always go off but it usually does and I'm tired of hearing it go off especially when I'm out in public. I don't mind just not having an alarm anymore
Was this
answer
helpful?
Yes
No
-1
Monday, March 18th, 2019 AT 6:43 PM (Merged)
Tiny
SEANGRANT00
  • MECHANIC
  • 334 POSTS
On the key-less entry, are you using the unlock button or manually unlocking the door? Also are you manually locking the car or using the key less entry? In the back of you car manual, it will give you the procedure to adjust the alarm and entry inputs. You cant bypass the alarm, it sounds like the module is going out which they had problems with in these cars.
Was this
answer
helpful?
Yes
No
-2
Monday, March 18th, 2019 AT 6:43 PM (Merged)
Tiny
HALEYGRANA
  • MEMBER
  • 2 POSTS
I use both. But when I turn my car off I have to click the unlock button on my keys just so the alarm doesn't go off. I can open it manually by sticking the key in and it doesn't go off but I want to just disable it so it doesn't go off. I don't want to always have to click the unlock button cause the car keys don't lock the car. I have to do it manually so I don't always lock it
Was this
answer
helpful?
Yes
No
-2
Monday, March 18th, 2019 AT 6:43 PM (Merged)
Tiny
SEANGRANT00
  • MECHANIC
  • 334 POSTS
Couple more things.

Chevrolet said that it does take 2-3 seconds between pressing the unlock button when entering the car for it to process the request.

As far as disabling it, you will have to take it to a dealer, any other way would create a check engine light to come on, (removing a fuse).

You can try this reset on the center display. Change the RKE settings.

When SECURITY appears on the display, press the reset button to scroll through the available settings:

RKE (Remote Key less Entry) (default): The content theft-deterrent system will arm when the lock button on the remote key less entry transmitter is pressed or when the power door lock switch is pressed.
Was this
answer
helpful?
Yes
No
+1
Monday, March 18th, 2019 AT 6:43 PM (Merged)
Tiny
COBALTGUY
  • MEMBER
  • 1 POST
  • 2006 CHEVROLET COBALT
  • 4 CYL
  • FWD
  • AUTOMATIC
  • 23,000 MILES
When I unlock my 06 Cobalt car door with the ignition key manually the horn starts honking (alarm) until I put the key in the ignition. What can I do to stop this?
Was this
answer
helpful?
Yes
No
Monday, March 18th, 2019 AT 6:43 PM (Merged)
Tiny
OPTIMISTICX08
  • MEMBER
  • 1 POST
Haha some insight on experience on that, I believe it was GM's general idea to do such a thing in plain words on our cobalts once locked from the inside it activates the alarm, the only way to disable it is via the remote or keep a window down to unlock it from within, they neglected to put a disarm in the locking mechanism when entered manually I don't know if it was their intentions but it's either one of those two ways or just taking the fuse out for the alarm, I personally see to it I never lose my remote because it is expensive and yes deactivates the alarm, goodluck!
Was this
answer
helpful?
Yes
No
Monday, March 18th, 2019 AT 6:43 PM (Merged)
Tiny
FIXITMR
  • MECHANIC
  • 9,990 POSTS
Gotta keep that remote workin good.
Was this
answer
helpful?
Yes
No
Monday, March 18th, 2019 AT 6:43 PM (Merged)
Tiny
KINZIE
  • MEMBER
  • 1 POST
  • 2009 CHEVROLET COBALT
2009 Chevy Cobalt

I just bought a fob for my car and I called around and they say it will cost 50 dollars or so and really cant afford that :( so I was wondering if you could tell me how to do it myself
Was this
answer
helpful?
Yes
No
-1
Monday, March 18th, 2019 AT 6:43 PM (Merged)
Tiny
SATURNTECH9
  • MECHANIC
  • 30,869 POSTS


https://www.2carpros.com/forum/automotive_pictures/416332_2009_chevy_cobolt_key_fob_programing_1.jpg


theres how u do it but as u can see u need the dealers scan tool to program it.the keyless entry goes thru the body control module so u have to go in and tell the body control module to look for the new key fob.like when u add a new blue tooth ear piece to ur phone same concept.50 is pretty high to do that it only takes light a couple of mins.it should be like .2 labor hrs unless there labor rate is like 250 per hr then that is pretty high.did u buy the remote there?we used to program them for free if they bought the remote from us.u could always try another dealer and ask them why its so much since ur now armed with the knowledge of how its done.let me know how it goes.
Was this
answer
helpful?
Yes
No
Monday, March 18th, 2019 AT 6:43 PM (Merged)

Please login or register to post a reply.