Monday, August 20th, 2012 AT 10:31 PM
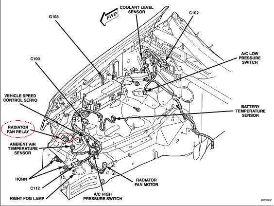
My car will over heat with a/c on, i've tested the fan and will replace it along with the pwm fan relay. I cannot locate the pwm behind the rs passenger headlite, I have also been told its in the power dist. Box under the hood on the passenger side. Is it the hi speed and low speed relays, in the dist. Box. I am just confused. I went to the auto parts store asked about the pwm relay and there is one for it? They say. I have taken the front bumper cover off, cant finf pwm relay. Is it attached to the frame rail in that area?




