HOME
ASK A QUESTION
REPAIR GUIDES
BECOME A MEMBER
LOG IN
Login with Facebook
OR
Remember me
NOT A MEMBER?
FORGOT PASSWORD?
CONTACT US
PRIVACY POLICY
TERMS AND CONDITIONS
☰
Home
Hyundai
XG350
Interior
Radio
Replace/Remove
Car stereo installation
EVANTOLEDO
MEMBER
2004 HYUNDAI XG350
I have a 2004 Hyundai xg-350 with infinity system.
Removed main unit in dash, but need to find amp unit somewhere in car to connect speakers for aftermarket replacement system. Where?
Thursday, March 17th, 2011 AT 10:19 PM
1 Reply
KEN L
MASTER CERTIFIED MECHANIC
54,591 POSTS
Hey EVANTOLEDO,
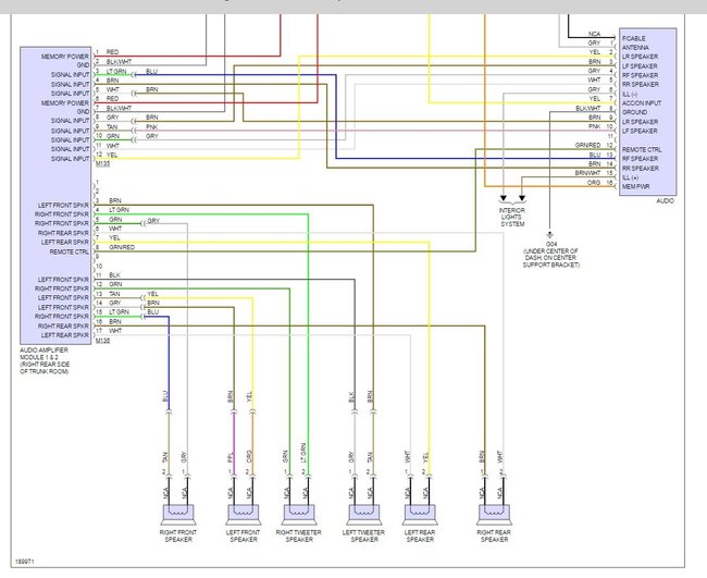
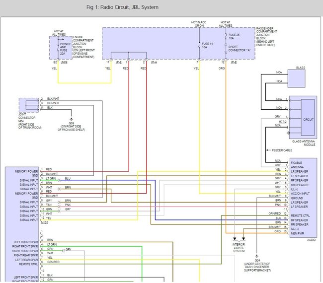
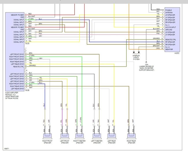
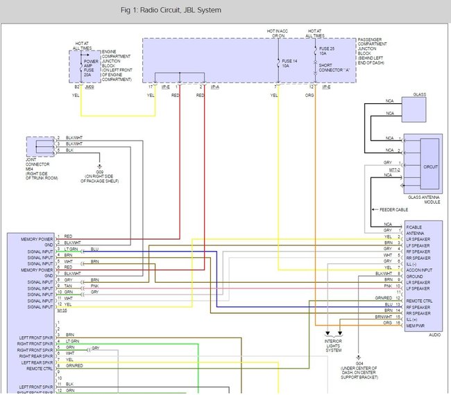
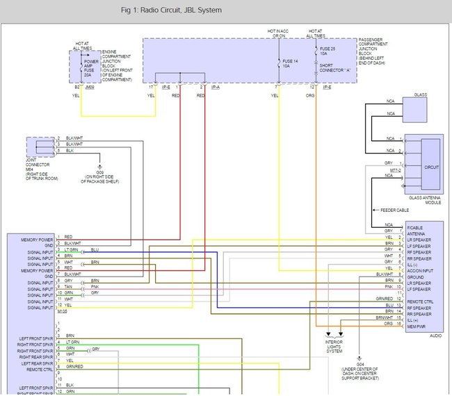
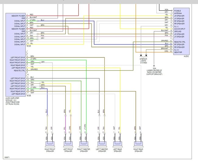
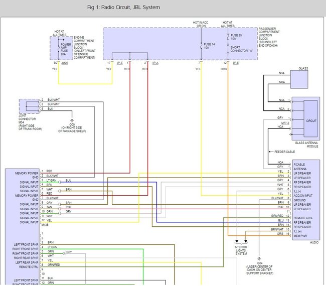
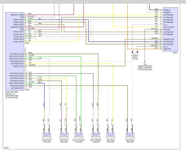
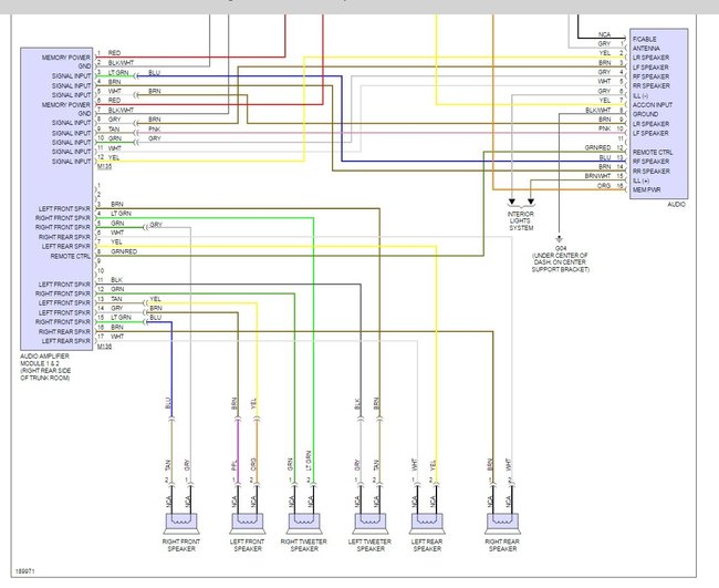
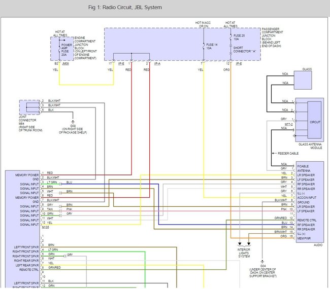
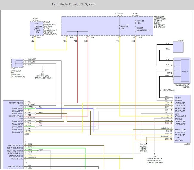
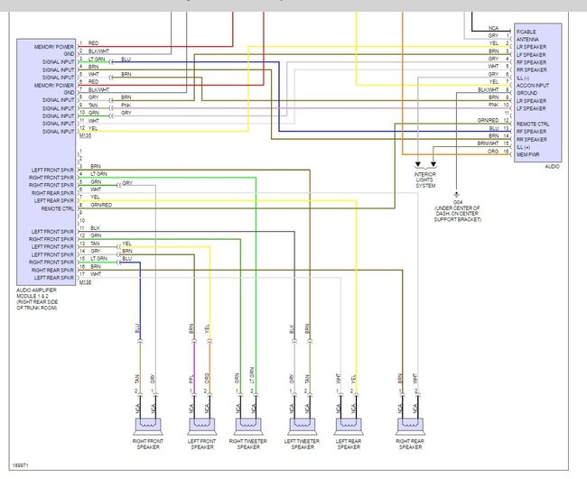
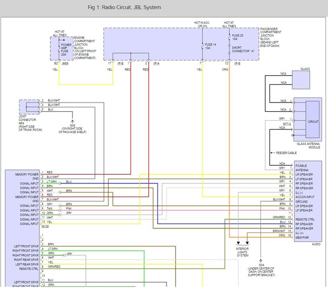
It looks like it is in the truck on the right side, here is a wiring diagram so you can get the new radio hooked up correctly.
Please let us know happens so it will help others.
Best, Ken
Images (Click to make bigger)
Was this
answer
helpful?
Yes
No
+2
Wednesday, January 4th, 2017 AT 10:39 AM
Please
login
or
register
to post a reply.
Related Radio Replace/Remove Content
I Want To Install Xm Sat But There Is No Aux Input On...
I Want To Install Xm Sat But There Is No Aux Input On Front Of My Infinity Radio, Any Help On What My Options Are
Asked by
philharrold
·
2 ANSWERS
2004
HYUNDAI XG350
VIDEO
Radio Head Unit Replacement
Instructional repair video
2003 Hyundai Xg350 My Question
I Have A 2003 Hyundai Xg350 My Radio Stopped Working It Doesn't Come On At All And When I Turn The Car On My Air Comes On Even Though Its...
Asked by
Naujit_Moreno104
·
1 ANSWER
2003
HYUNDAI XG350
How To Tighten A Droopy Rear View Mirror?
The Interior Rear View Mirror Will Not Stay In Place After All These Years, And After Being Positioned Droops Down Several Degrees As The...
Asked by
peterht
·
1 ANSWER
2002
HYUNDAI XG350
Ask a Car Question. It's Free!
How to Use a Test Light
Door Panel Removal
Blend Door Actuator Replacement