My outside mirrors the don't heat up and I have.

Tiny
STEVE29
  • MEMBER
  • 2004 GMC YUKON
  • 120,000 MILES
My outside mirrors the don't heat up and I have 12 volts to them. I even replaced one of them did not work? Help
Sunday, January 29th, 2012 AT 1:22 AM

12 Replies

Tiny
RIVERMIKERAT
  • MECHANIC
  • 6,110 POSTS
If the outside mirrors don't heat up and there is power to them, most likely the problem is the heating element. Check continuity through the elements.
Was this
answer
helpful?
Yes
No
Sunday, January 29th, 2012 AT 1:23 AM
Tiny
STEVE29
  • MEMBER
  • 11 POSTS
I have continuity to both mirrors. It dont make sense
Was this
answer
helpful?
Yes
No
Monday, January 30th, 2012 AT 12:55 AM
Tiny
RIVERMIKERAT
  • MECHANIC
  • 6,110 POSTS
To, but through as well?
Was this
answer
helpful?
Yes
No
Monday, January 30th, 2012 AT 2:30 AM
Tiny
STEVE29
  • MEMBER
  • 11 POSTS
I have continuity throught both mirrors and one is new
Was this
answer
helpful?
Yes
No
Tuesday, January 31st, 2012 AT 8:46 PM
Tiny
RIVERMIKERAT
  • MECHANIC
  • 6,110 POSTS
Ok. If you have continuity to and through both mirrors, and power to both mirrors, then the heating elements are defective. OR, you aren't getting enough current to them.
Was this
answer
helpful?
Yes
No
Tuesday, January 31st, 2012 AT 9:02 PM
Tiny
STEVE29
  • MEMBER
  • 11 POSTS
So how would I improve the current.
Was this
answer
helpful?
Yes
No
Tuesday, January 31st, 2012 AT 10:19 PM
Tiny
STEVE29
  • MEMBER
  • 11 POSTS
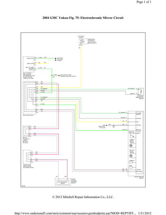
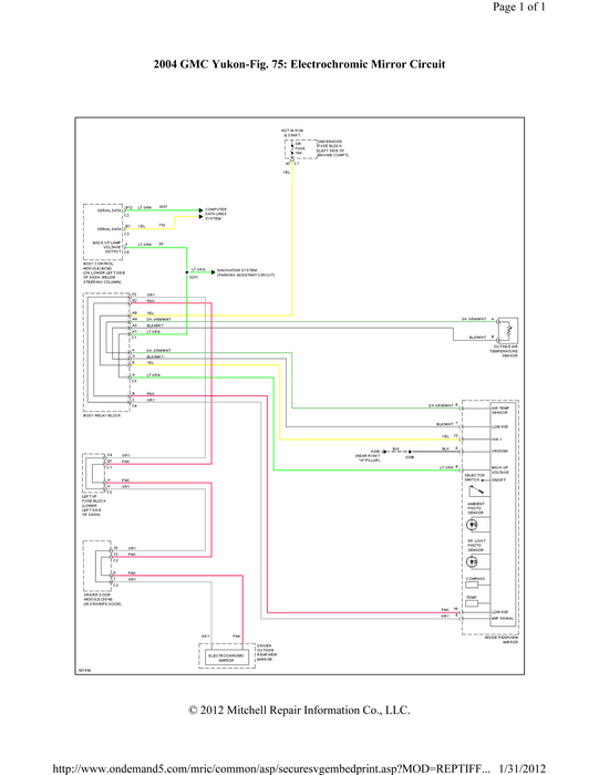
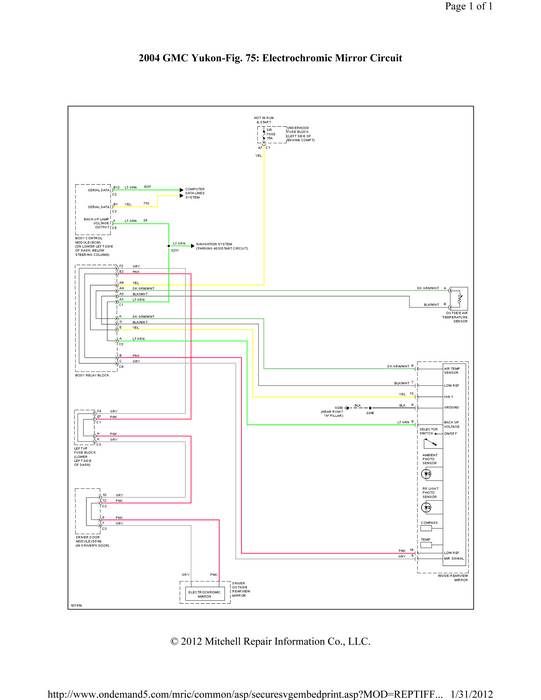
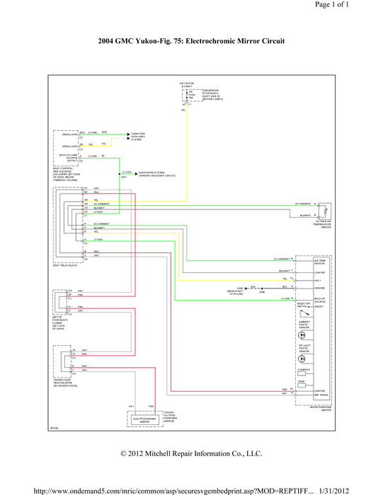
There as to be something to reduce the amps to the mirrors. I need a schematic for them.
Was this
answer
helpful?
Yes
No
Tuesday, January 31st, 2012 AT 10:25 PM
Tiny
RIVERMIKERAT
  • MECHANIC
  • 6,110 POSTS
Yep.
Was this
answer
helpful?
Yes
No
Wednesday, February 1st, 2012 AT 12:57 AM
Tiny
STEVE29
  • MEMBER
  • 11 POSTS
Can you sent it to my email cause I tried to enlarge it but its to blurry, email is steves629@yahoo. Com. Thank you
Was this
answer
helpful?
Yes
No
Wednesday, February 1st, 2012 AT 1:34 AM
Tiny
RIVERMIKERAT
  • MECHANIC
  • 6,110 POSTS
I already deleted them. Check your email.
Was this
answer
helpful?
Yes
No
Wednesday, February 1st, 2012 AT 2:51 AM
Tiny
STEVE29
  • MEMBER
  • 11 POSTS
Thank you
Was this
answer
helpful?
Yes
No
Wednesday, February 1st, 2012 AT 3:35 AM
Tiny
RIVERMIKERAT
  • MECHANIC
  • 6,110 POSTS
My pleasure. Be sure to tell your friends about us.
Was this
answer
helpful?
Yes
No
Wednesday, February 1st, 2012 AT 3:48 AM

Please login or register to post a reply.