Rear air not working at all

Tiny
NAYNAY45
  • MEMBER
  • 2004 GMC YUKON
  • 5.3L
  • V8
  • 2WD
  • AUTOMATIC
  • 250,000 MILES
Front air working, back air not working at all! What might be my problem?
Sunday, August 18th, 2019 AT 9:04 AM

5 Replies

Tiny
ASEMASTER6371
  • MECHANIC
  • 52,796 POSTS
Good afternoon,

Do you mean the air will not blow or the air is not cold?

Please clarify so I know how to help you.

Roy
Was this
answer
helpful?
Yes
No
Sunday, August 18th, 2019 AT 11:50 AM
Tiny
NAYNAY45
  • MEMBER
  • 3 POSTS
Rear air not working at all!
Was this
answer
helpful?
Yes
No
Monday, August 19th, 2019 AT 8:53 AM
Tiny
ASEMASTER6371
  • MECHANIC
  • 52,796 POSTS
Okay, again, does the blower work at all?

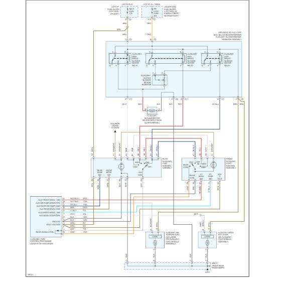
Good chance the blower motor and resistor are bad at the rear. It is behind the right rear inside quarter.

Roy

BLOWER MOTOR REPLACEMENT - AUXILIARY

REMOVAL PROCEDURE
1. Remove the right rear quarter trim panel.
2. Disconnect the electrical connectors.
3. Remove the blower motor screws.

ImageOpen In New TabZoom/Print

4. Remove the blower motor (1) from the auxiliary HVAC module (2).
5. Remove the retaining clip from the fan cage.
6. Remove the fan cage from the blower motor.
Was this
answer
helpful?
Yes
No
+1
Monday, August 19th, 2019 AT 9:10 AM
Tiny
NAYNAY45
  • MEMBER
  • 3 POSTS
No sir, the blower is not working any. Okay, thank you so much.
Was this
answer
helpful?
Yes
No
Monday, August 19th, 2019 AT 9:14 AM
Tiny
ASEMASTER6371
  • MECHANIC
  • 52,796 POSTS
You are welcome.

Always glad to help.

Keep us updated.

Roy
Was this
answer
helpful?
Yes
No
Monday, August 19th, 2019 AT 9:18 AM

Please login or register to post a reply.

Related General Content