Tuesday, January 18th, 2011 AT 8:49 PM
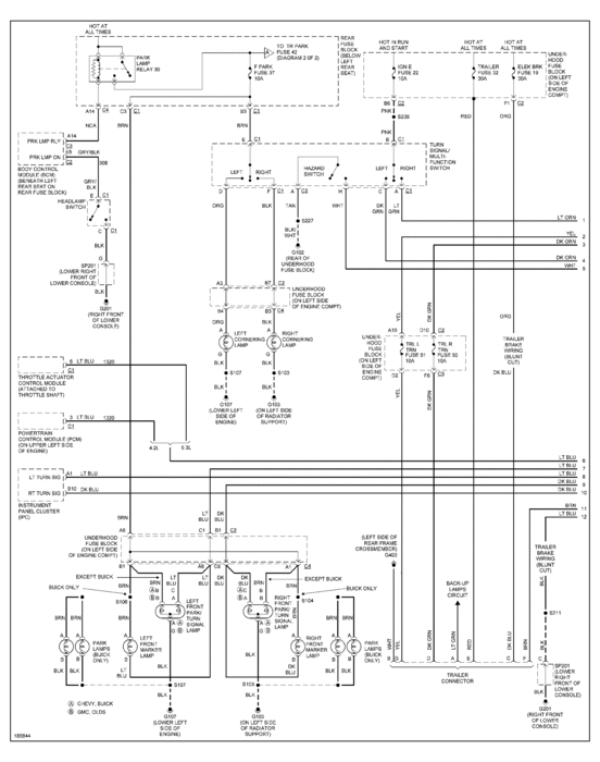
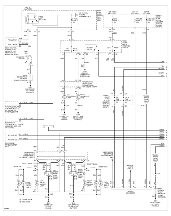
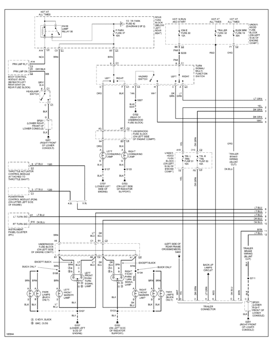
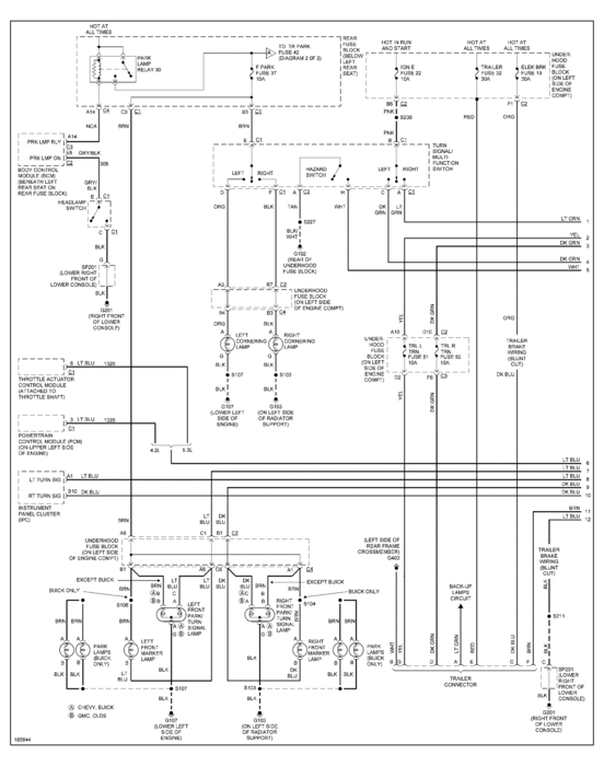
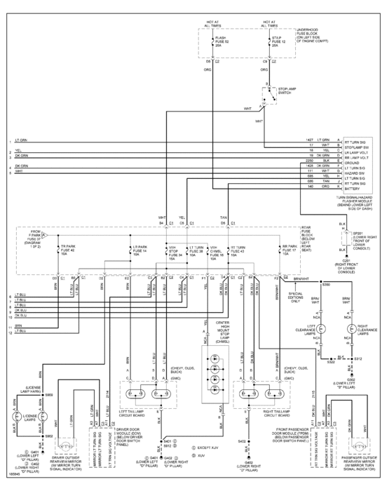
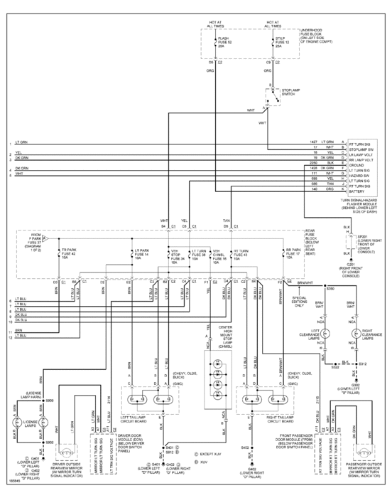
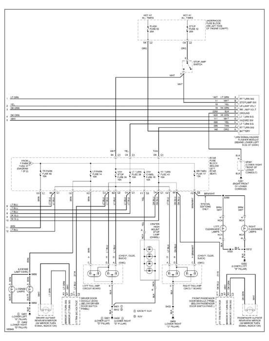
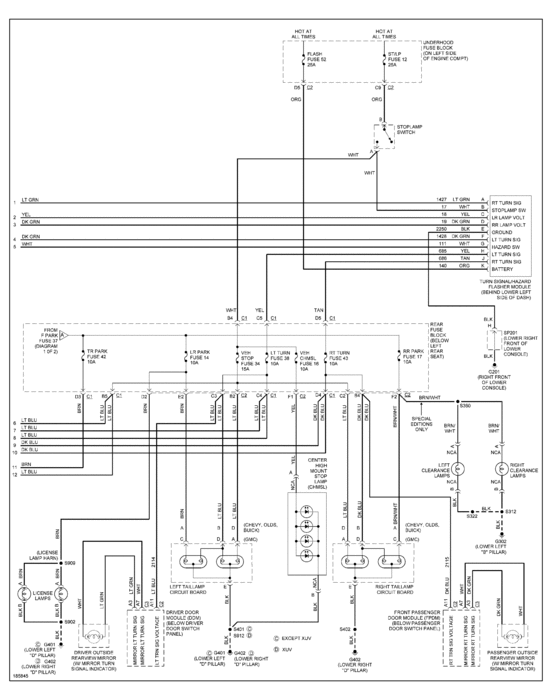
I have a 2004 GMC Envoy that the right turn signal blanks fast. I have verified the bulbs and fuses. The bulb do not turn on at all and I'm guessing that why it blanking fast. I like no power is coming to the shocket. The left turn signal work correctly.





