Code PO410

Tiny
JERRY STOLTZ
  • MEMBER
  • 2004 GMC ENVOY
  • 6 CYL
  • 4WD
  • AUTOMATIC
  • 54,000 MILES
I had a code PO410. Where is the location of the secondary air injection pump on my 2004 GMC Envoy with the 4.2L inline 6?
Thank You
Friday, February 11th, 2011 AT 10:11 PM

2 Replies

Tiny
RASMATAZ
  • MECHANIC
  • 75,992 POSTS
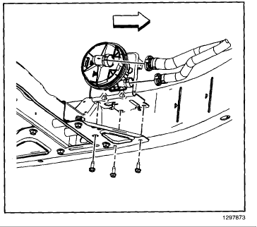
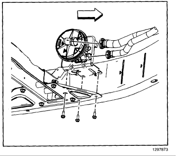
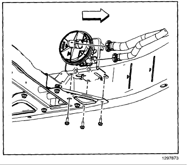
SECONDARY AIR INJECTION (AIR) PUMP REPLACEMENT

REMOVAL PROCEDURE

Raise the vehicle. Refer to Vehicle Lifting.
Disconnect both the air inlet and air outlet pipes from the secondary air injection (AIR) reaction pump.
Remove the electrical relay from the AIR pump bracket.
Disconnect the electrical connector from the AIR pump.
Remove the 3 bolts securing the AIR pump bracket to the vehicle frame.
Remove the AIR pump from the vehicle.
Was this
answer
helpful?
Yes
No
+2
Friday, February 11th, 2011 AT 10:18 PM
Tiny
DOCFIXIT
  • MECHANIC
  • 18,828 POSTS
Under vehicle on frame see diagram
Was this
answer
helpful?
Yes
No
+4
Friday, February 11th, 2011 AT 10:25 PM

Please login or register to post a reply.