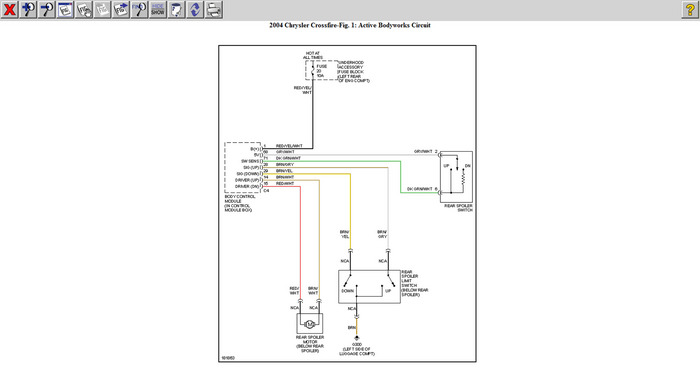
Saturday, June 4th, 2011 AT 6:50 PM
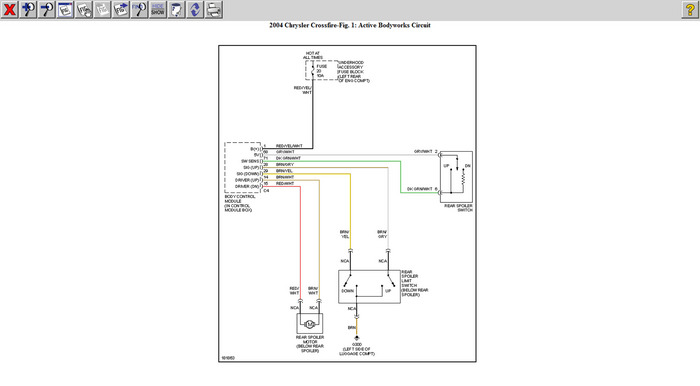
I have a 2004 Chrysler crossfire which has an automated spoiler. The spoiler hasn't worked since winter, it won't deploy manually or automatically I am handy with cars and especially electronics but not a mechanic is there anything I can do to try to fix it to save the trip to a mechanic?

