Fuel filler hose replacement

2004 CHEVROLET TRAILBLAZER
132,000 MILES • 4.2L • V6 • 4WD • AUTOMATIC
Avatar
BLESS2SUCCESS
  • MEMBER
  • 45 POSTS
I'm planning on changing the fuel filler hose on my vehicle to get rid of the EVAP leak and was wondering what are the steps I would need to do before changing it.
Jan 29, 2019 at 6:12 AM
Advertisement
Repair Safety Notice: This information is for general instructional purposes only. Vehicle repair can be dangerous. Verify all information, follow manufacturer service procedures, use proper tools and safety equipment, and consult a qualified repair shop when needed.
Avatar
JACOBANDNICKOLAS
  • AUTOMOTIVE REPAIR CONTRIBUTOR
  • 110,190 POSTS
Hi and thanks for using 2CarPros.

Here are the directions for replacing the fuel filler hose. The attached pictures correlate with these directions.

________________________________________________

FUEL FILLER HOSE REPLACEMENT
FUEL FILLER HOSE REPLACEMENT

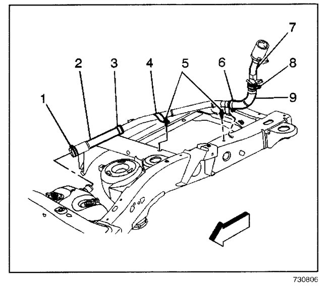
REMOVAL PROCEDURE

Picture 1
1. Remove the fuel fill cap.
2. Remove the fuel fill pipe housing.

Picture 2
3. Remove the fuel fill pipe bracket nut (2).
4. Raise and suitably support the vehicle. Refer to Vehicle Lifting.


Picture 3
5. Remove the fuel fill pipe ground strap bolt (3).


Picture 4

6. Loosen the fuel hose clamp (1).
7. Separate the fuel hose (2) from the tank.
8. Cap the open end of the fuel tank.
9. Remove the push pin fastener (5).
10. Remove the fuel filler pipe from the vehicle.

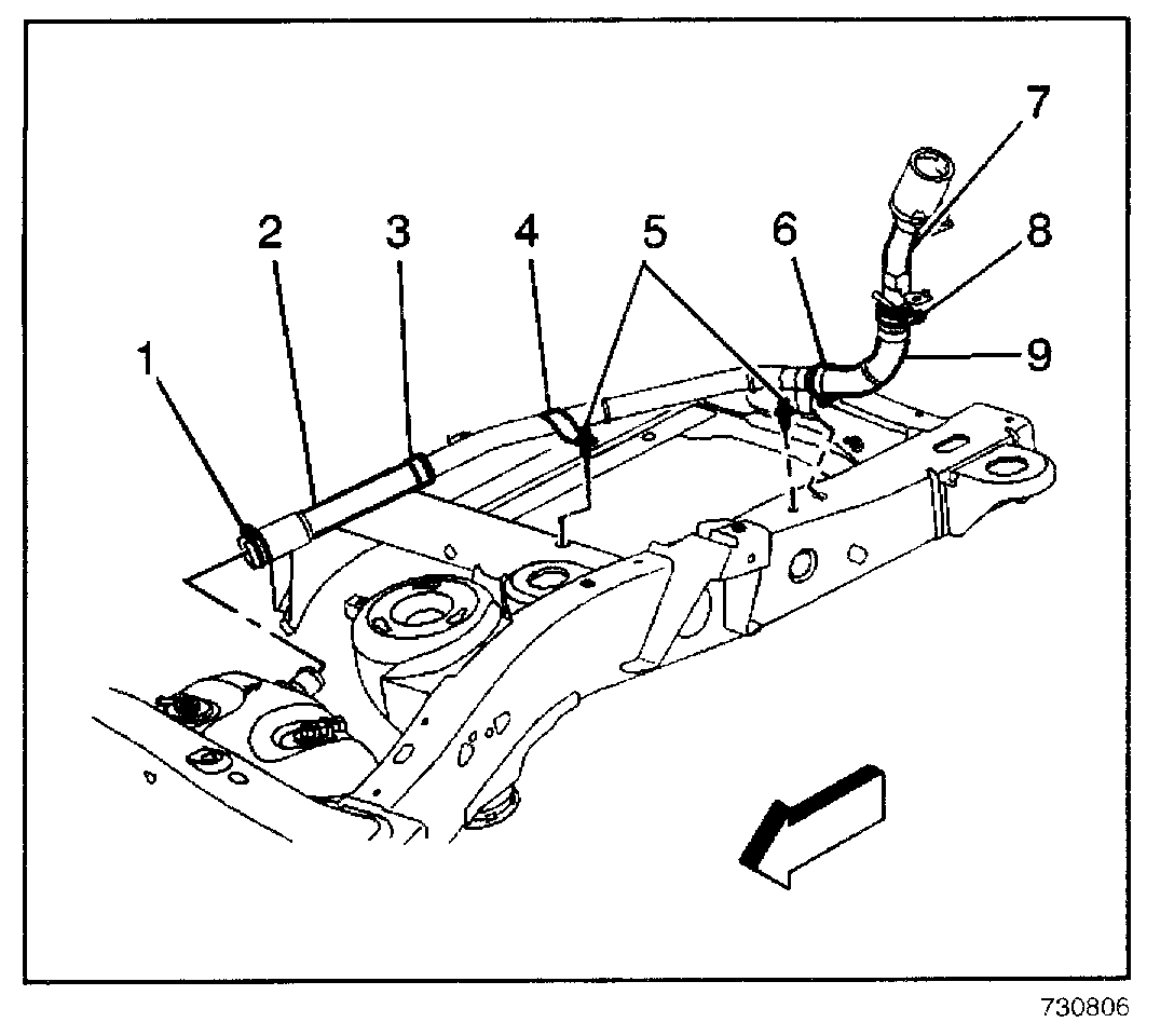
INSTALLATION PROCEDURE


Picture 5
1. Install the fuel filler pipe to the vehicle.
2. Install the push pin fastener (5).
3. Uncap the fuel tank.
4. Install the fuel hose (2) to the tank.

NOTE: Refer to Fastener Notice in Service Precautions.

5. Tighten the fuel fill hose clamp (1).

Tighten
Tighten the clamp to 2.5 N.m (22 lb in).


Picture 6
6. Install the fuel fill pipe ground strap bolt (3).

Tighten
Tighten the bolt to 10 N.m (89 lb in).

7. Lower the vehicle.

Picture 7
8. Install the fuel fill pipe bracket nut (2).

Tighten
Tighten the nut to 10 N.m (89 lb in).


Picture 8
9. Install the fuel fill pipe housing.
10. Install the fuel fill cap.

_____________________________________

Let me know if this is what you needed or if you have other questions.

Take care,
Joe

Jan 29, 2019 at 6:05 PM
Avatar
BLESS2SUCCESS
  • MEMBER
  • 45 POSTS
Hey ! Joe quick question before I get started installing this new fuel filler hose. I haven't gotten a chance to get a smoke test done because its not required in the city where I live but anytime someone get the EVAP Gross Large Leak is it usually the fuel filler hose that needs to be replace or its best to change the entire fuel filler neck ?
Jan 30, 2019 at 5:49 PM
Advertisement
Avatar
JACOBANDNICKOLAS
  • AUTOMOTIVE REPAIR CONTRIBUTOR
  • 110,190 POSTS
Hi and welcome back:
Usually it is the steel filler neck will rust and get holes in it. The rubber hose usually isn't the problem, but it could. Do you see any fuel leak when you put gas in it?

Let me know.

Joe
Jan 30, 2019 at 6:03 PM
Avatar
BLESS2SUCCESS
  • MEMBER
  • 45 POSTS
I had change my gas cap twice and it is still getting the P0455 EVAP Gross Large Leak code, but my gas is burning a little fast and I still don't know rather i should buy a new fuel filler neck or just go ahead and install the hose.
Jan 30, 2019 at 6:08 PM
Advertisement
Avatar
JACOBANDNICKOLAS
  • AUTOMOTIVE REPAIR CONTRIBUTOR
  • 110,190 POSTS
Honestly, most times when the hose or filler tube is bad, fuel will leak when refueling. Before I would go to the trouble of removing everything, craw under it and inspect the hoses and the steel components for damage, rust, evidence of leaking... As far as the large leak, it shouldn't be hard to find. However, and like everything else, one never knows for sure. If you can have it smoke tested, that may save you a lot of headaches. It could be an EVAP hose that is disconnected or broken.

If I can help or if you have other questions, let me know. I'll help as much as I can from here.

Take care,
Joe
Jan 30, 2019 at 8:00 PM