Timing chain replacement instructions

Tiny
LNICHOLS741
  • MEMBER
  • 2004 BUICK LESABRE
  • 210,000 MILES
The owners are asking $1800 for it they "say" nothing is wrong with the motor. It has problems with the windows they dont work nor does the sunroof. Another concern is the timing chain or belt. When should they be changed?
Tuesday, November 1st, 2011 AT 6:04 AM

7 Replies

Tiny
KASEKENNY
  • MECHANIC
  • 18,907 POSTS
This vehicle has a timing chain and does not require replacement unless there is an issue requiring it.

I attached the info below on how to replace the timing chain if that is needed by you or others that visit this page.

Let us know if you need other info. Thanks
Was this
answer
helpful?
Yes
No
+1
Monday, February 15th, 2021 AT 2:56 PM
Tiny
RTERRIAN
  • MEMBER
  • 1 POST
  • 2003 BUICK LESABRE
  • 6 CYL
  • FWD
  • AUTOMATIC
  • 85,000 MILES
My Buick has 85,000 miles on it and I heard that I should have the timing chain and gears changed before the gear disinagrates and causes bent valves. I this true to any degree?
Was this
answer
helpful?
Yes
No
+1
Thursday, February 18th, 2021 AT 1:29 PM (Merged)
Tiny
MERLIN2021
  • MECHANIC
  • 17,250 POSTS
You have a steel chain and gears, leave it alone till it needs it, may get 200,00 miles out of it.


https://www.2carpros.com/forum/automotive_pictures/62217_lesabre_1.jpg



https://www.2carpros.com/forum/automotive_pictures/62217_lesabrea_1.jpg

Was this
answer
helpful?
Yes
No
+5
Thursday, February 18th, 2021 AT 1:29 PM (Merged)
Tiny
SKUTARANDY
  • MEMBER
  • 1 POST
  • 1999 BUICK LESABRE
  • 3.8L
  • 6 CYL
  • 2WD
  • AUTOMATIC
  • 135,000 MILES
How loose is a new chain suppose to be after installed?
Was this
answer
helpful?
Yes
No
+2
Thursday, February 18th, 2021 AT 1:29 PM (Merged)
Tiny
ASEMASTER6371
  • MECHANIC
  • 52,796 POSTS
Okay, I attached the procedure for removing the timing cover and setting up the gears for the timing chain.

https://www.2carpros.com/articles/how-a-timing-belt-works

Roy

Removal Procedure
1. Remove the torque axis mount.

imageOpen In New TabZoom/Print

2. Remove the torque axis mount bracket.
3. Remove the drive belt.
4. For Engine Code 1, remove the drive belt idler pulley. Remove the pulley bracket.
5. Remove the drive belt tensioner assembly.
6. Remove the crankshaft balancer.

imageOpen In New TabZoom/Print

7. Remove the sensor shield.
8. Remove the crankshaft sensor.
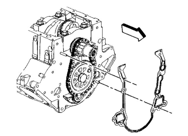
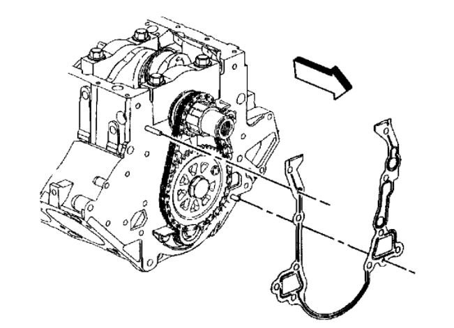
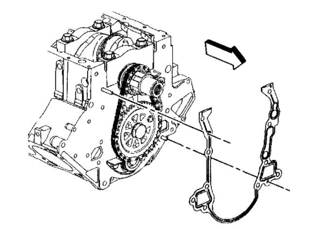
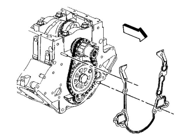
9. Remove the oil pan to the front cover bolts.
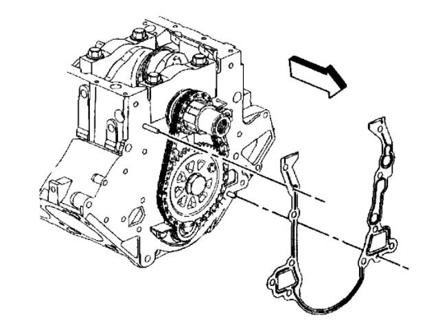
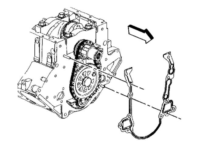
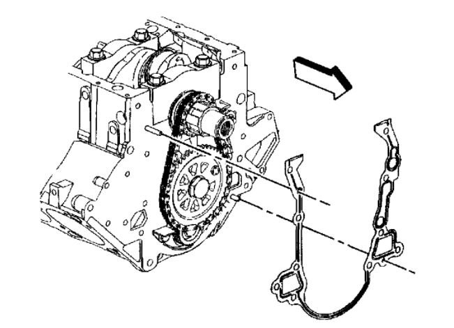
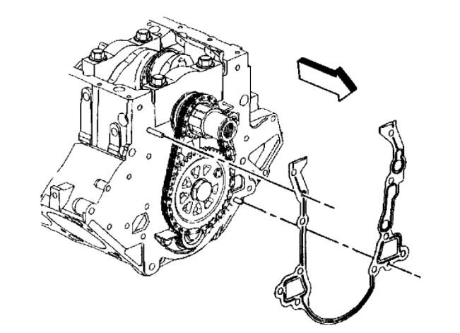
10. Remove the engine front cover attaching bolts.

imageOpen In New TabZoom/Print

11. Remove the engine front cover.
12. Inspect the timing chain for overall in and out movement. Movement should not exceed 25 mm (1 inch).
13. Inspect the sprockets for wear.
14. Clean the gasket mating surfaces at the timing chain cover, and cylinder block.
15. If the oil pan gasket is excessively swollen, the oil pan must be removed and the gasket replaced.
Was this
answer
helpful?
Yes
No
Thursday, February 18th, 2021 AT 1:29 PM (Merged)
Tiny
COCKPIT4HIRE
  • MEMBER
  • 15 POSTS
  • 1995 BUICK LESABRE
  • 6 CYL
  • FWD
  • AUTOMATIC
  • 135,000 MILES
She starts cold on 3000 rpm but when I disconnect and connect again the throttle position sensor wire †she goes down to normal.
NOW NEW AND BIGGER PROBLEM: I didn’t move the car yet but there is a new terrible noise from the left side of the engine (where all the pullies are) and it sound to me like a timing chain... She come and goes and at certain RPM the engine is smooth as butter but on a low RPM she is making terrible noise. I thought it is one of the pullies but I listen to them with a long screwdriver †handle on my ear and tip on the pully and they sound good. My mechanic said that there is no such a thing as just replacing a timing chain †the engine is gone. Please advise.
Was this
answer
helpful?
Yes
No
Thursday, February 18th, 2021 AT 1:29 PM (Merged)
Tiny
DRCRANKNWRENCH
  • MECHANIC
  • 3,380 POSTS
With the age and mileage, a timing chain and tensioner are not an uncommon fix.
At certain RPM, there is a tensioner that keeps the chain tight at all times, (and these fail over time), and probably it gets looser at lower RPMs.
Replace the gear, chain, sprocket and tensioner to fix it if you are keeping the car long haul, otherwise speak with your mechanic about, "in between" repairs. Definitely get another timing chain tensioner though.
Was this
answer
helpful?
Yes
No
Thursday, February 18th, 2021 AT 1:29 PM (Merged)

Please login or register to post a reply.