Van problem

Tiny
TIM1000
  • MEMBER
  • 2003 MAZDA MPV
  • 6 CYL
  • 2WD
  • AUTOMATIC
  • 270,000 MILES
My passenger headlight only works in high.I have a mazda mpv 2003.I have replaced the bulb and checked fuses.
Saturday, December 4th, 2010 AT 5:05 PM

3 Replies

Tiny
KHLOW2008
  • MECHANIC
  • 41,814 POSTS
Is your headlights equipped with Daytime Running Lights?
Was this
answer
helpful?
Yes
No
Saturday, December 4th, 2010 AT 6:27 PM
Tiny
TIM1000
  • MEMBER
  • 2 POSTS
Yes
Was this
answer
helpful?
Yes
No
+1
Saturday, December 4th, 2010 AT 10:29 PM
Tiny
KHLOW2008
  • MECHANIC
  • 41,814 POSTS
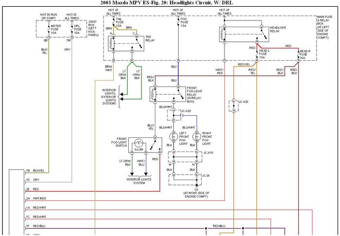
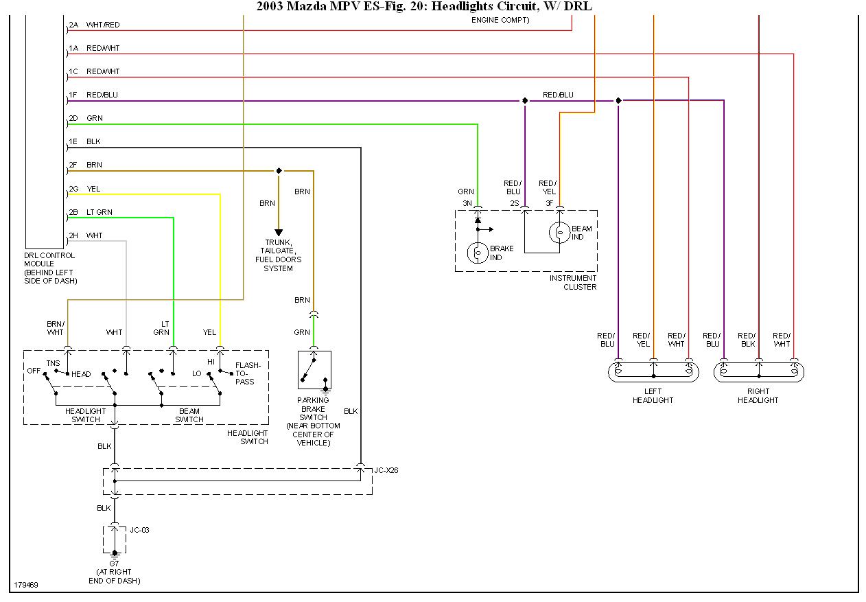
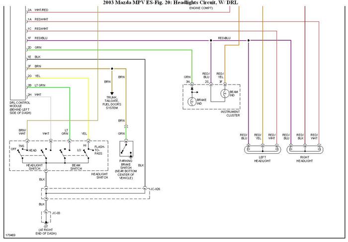
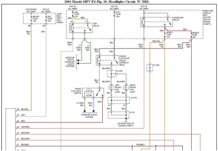
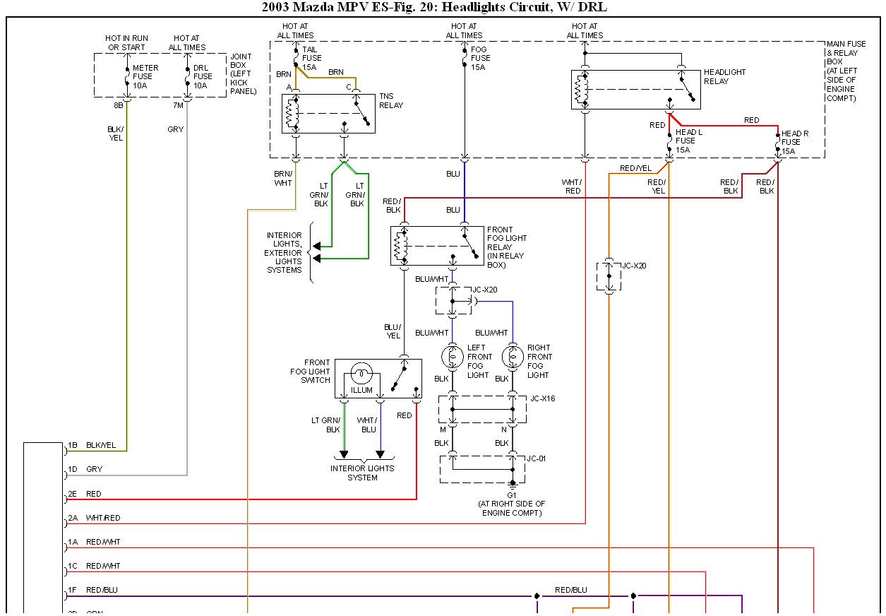
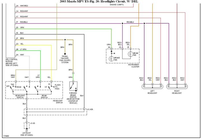
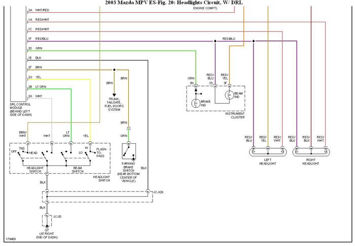
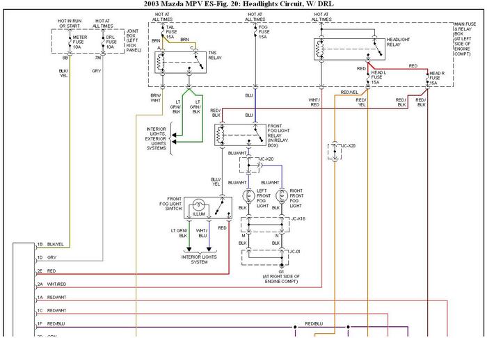
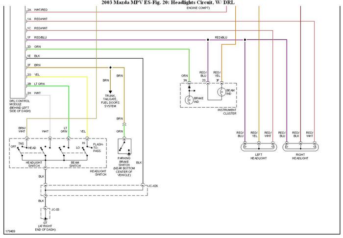
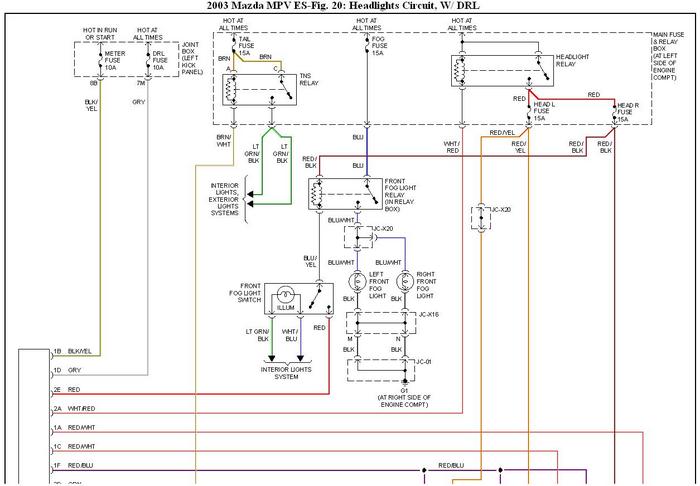
Attached is a schematic of the headlight circuit.

Turn headlights on.
Use a fuse wire to ground Red/White sire at the headlight bulbs. If low beam works, check the continuity between the headlight bulb and DRL control module, terminal 1C.
If continuity is good, ground the wire and if headlight comes on, you have a fault with the DRL control module.
Was this
answer
helpful?
Yes
No
Sunday, December 5th, 2010 AT 3:52 AM

Please login or register to post a reply.