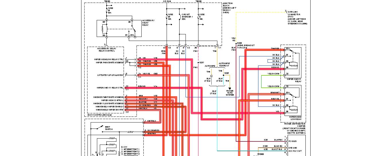
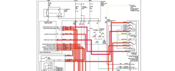
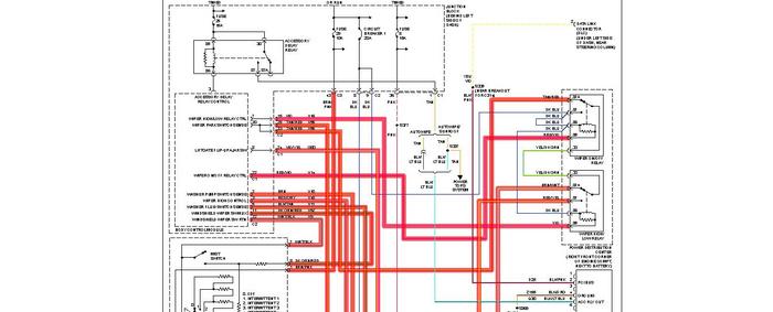
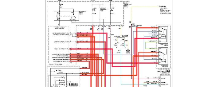
Wiper wiring diagrams

Tiny
JMPARKER
  • MEMBER
  • 2003 JEEP WRANGLER TJ
  • 31,000 MILES
Away for a few months car in garage, went out in sun, started raining and switched on wipers and nothing.
Tuesday, March 6th, 2012 AT 10:32 AM

1 Reply

Tiny
RASMATAZ
  • MECHANIC
  • 75,992 POSTS
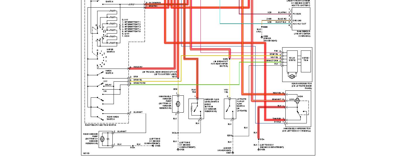
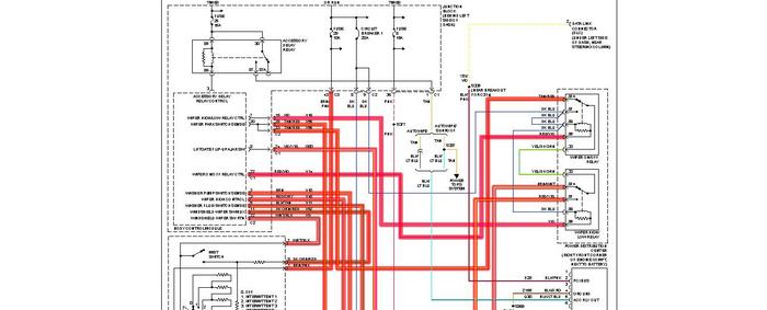
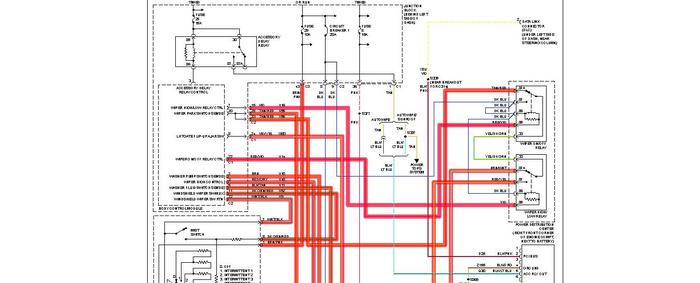
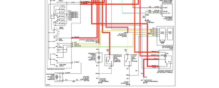
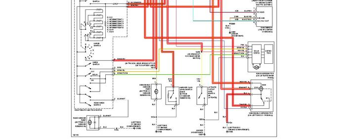
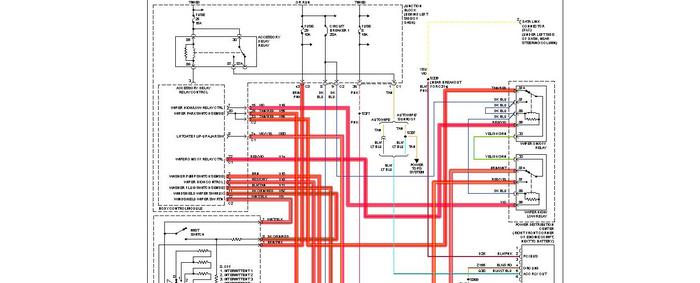
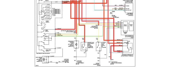
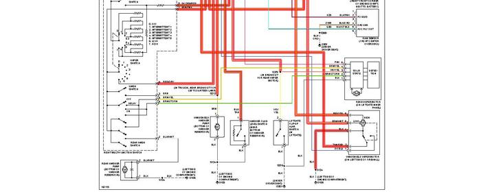
Check and test the wiper motor fuse, wiper motor relays, body control module wiper switch, wiper motor itself and rain sensor at front center overhead- Check out the diagrams (Below). Let us know what happens and please upload pictures or videos of the problem.
Was this
answer
helpful?
Yes
No
Tuesday, March 6th, 2012 AT 10:50 AM

Please login or register to post a reply.