Monday, August 8th, 2011 AT 1:04 PM
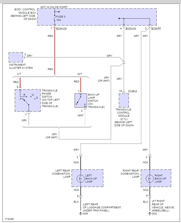
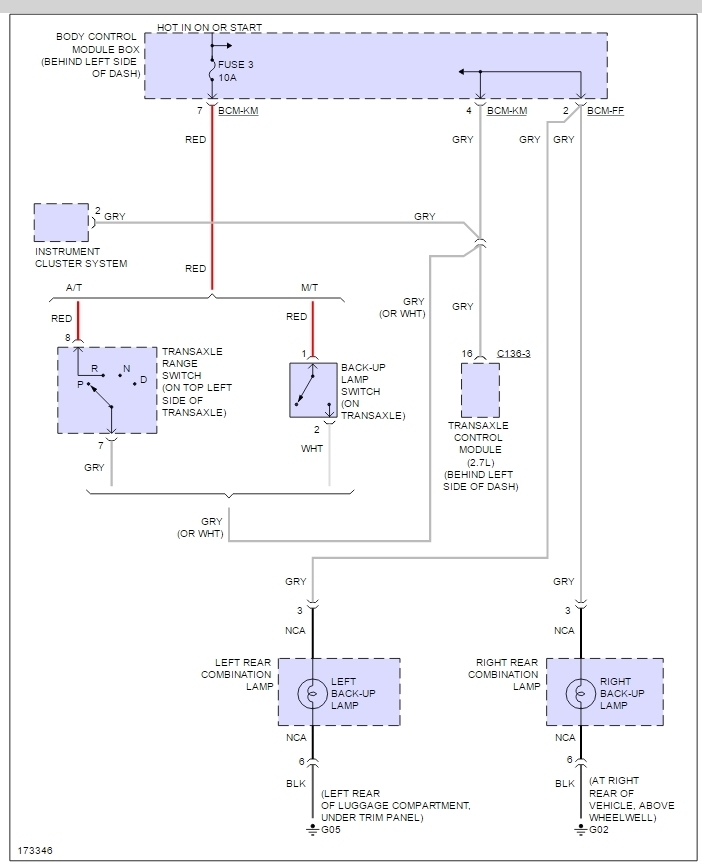
Hi, I have a Hyundai Trajet and the reverse lights have gone out, the bulbs are fine, I cant find the fuse for the lights to check that they are ok, do you know where it is, thanks david


