Intermittent battery light

Tiny
DHALEBOPP
  • MEMBER
  • 2003 FORD TAURUS
  • 88,000 MILES
Battery and alternator replaced couple years ago. With light on, still reading 14.2 volts off alternator and battery.

Put volt meter on both battery and alt, reads 14.2 volts. When I put a load on system, voltage initially drops to about 13.7, but quickly recovers. I have not noticed any dimming of the headlights or dash lights at night while light is on, so I don't believe the issue to be the regulator.

Problem has been going on for about 3 weeks. Car is running fine, no issues with starting. Could issue be with the light itself, or something with the PCM?

Please advise.
Sunday, March 18th, 2012 AT 1:27 AM

2 Replies

Tiny
CARADIODOC
  • MECHANIC
  • 34,463 POSTS
Have the generator load-tested. If one diode is bad you will lose exactly two thirds of the output capacity but the voltage will remain normal or could go a little high. AC generators put out three phase output and with one bad diode you lose one of those phases. During the time the one phase is missing, the voltage regulator may respond to that low voltage and try to bump up the output a little because it doesn't recover fast enough when the next phase appears. Usually that only results in a half volt increase.

Ford likes to tap off the stator winding and send a sample of the output voltage to the voltage regulator to tell it the system is working, then the regulator turns off the warning light. That sample voltage is also going to have that dropout if one phase is missing, and that could be why the warning light is turning on. The only problem with my guess is that diodes do not fail intermittently. When they short they typically overheat and burn open. There's nothing intermittent about that.

I believe the Engine Computer is involved now with your charging system. If the generator can only produce 25 - 35 amps, there might be some conditions where it can't keep up with demand so the extra current has to come from the battery. That could be what the warning light is responding to.
Was this
answer
helpful?
Yes
No
Sunday, March 18th, 2012 AT 1:49 AM
Tiny
RASMATAZ
  • MECHANIC
  • 75,992 POSTS
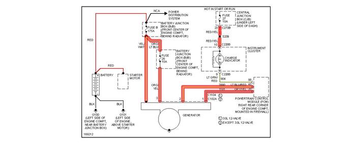
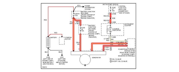
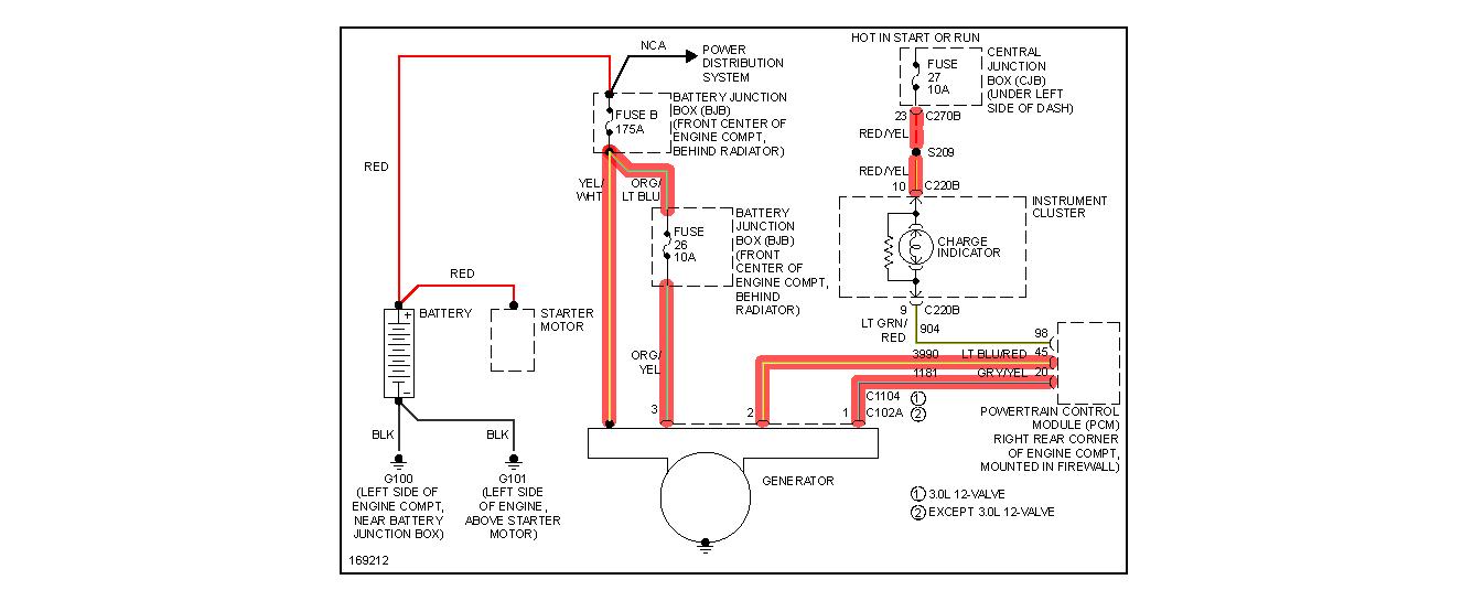
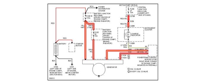
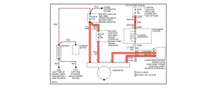
Possible that the computer controlled of the alternator field generation circuitis malfunctioning-check all fuses below -see below
Was this
answer
helpful?
Yes
No
Sunday, March 18th, 2012 AT 1:59 AM

Please login or register to post a reply.