Alternator replacement Battery not charging why?

Tiny
ANONYMOUS
  • MEMBER
  • 2003 CHEVROLET SILVERADO
  • 120,000 MILES
Alternator replacement Battery not charging why?
Sunday, December 9th, 2012 AT 3:27 PM

1 Reply

Tiny
JACOBANDNICKOLAS
  • MECHANIC
  • 110,194 POSTS
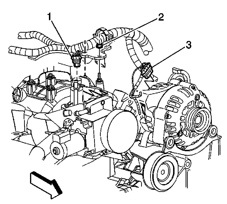
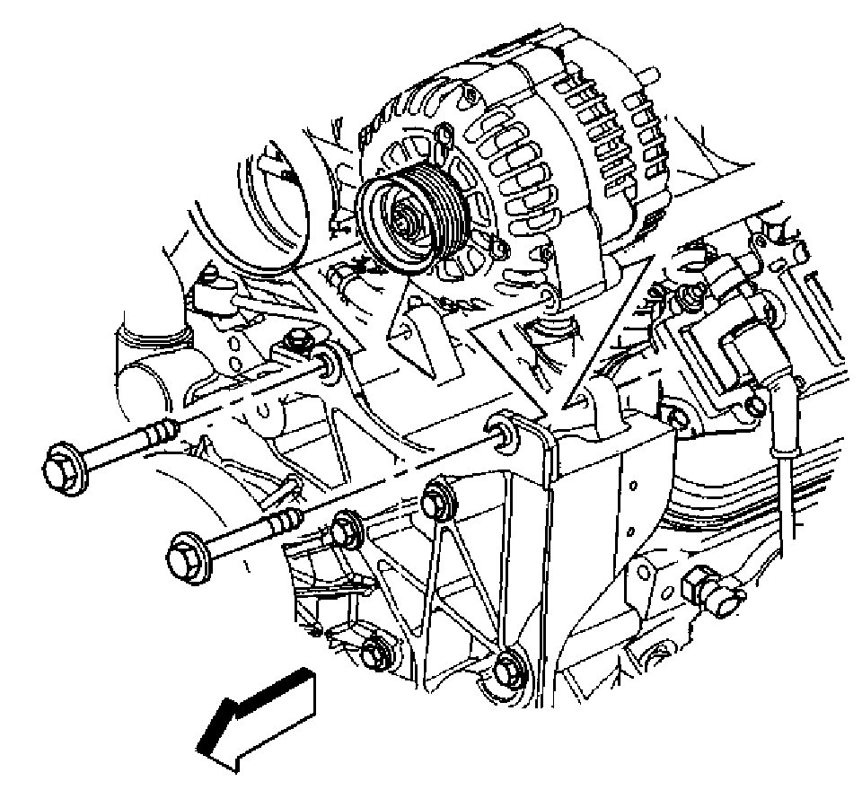
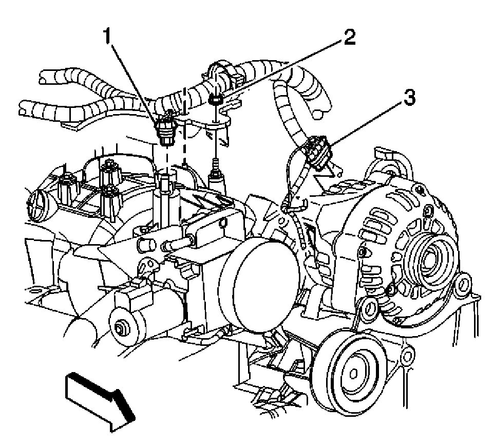
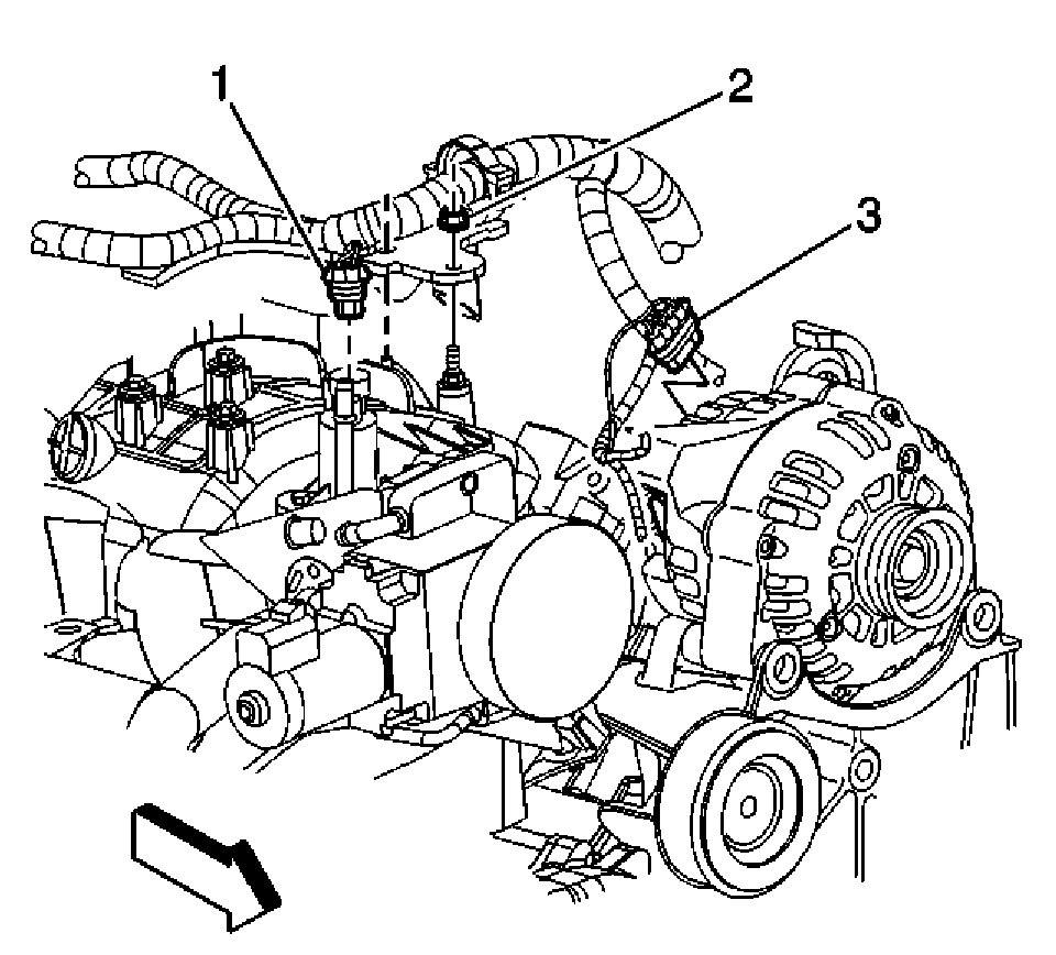
There is a good chance if this vehicle has a hydro-boost brake system that the belt itself is loose. That is the first thing I would recommend checking. Check out the diagrams (Below).

Next, I would recommend checking the alternator output to determine if it has failed. Here is a link that explains how to test the alternator:

https://www.2carpros.com/articles/how-to-check-a-car-alternator

If the alternator fails this test and the belt is tight, then I recommend removing the alternator and having it bench tested at a parts store to confirm it is bad. Most will do it for free.

Here are directions for replacing the alternator:

https://www.2carpros.com/articles/how-to-replace-an-alternator

CAUTION: Refer to Battery Disconnect Caution in Service Precautions.

1. Disconnect the negative battery cable.
2. Remove the accessory drive belt.
3. If necessary, remove the engine sight shield.
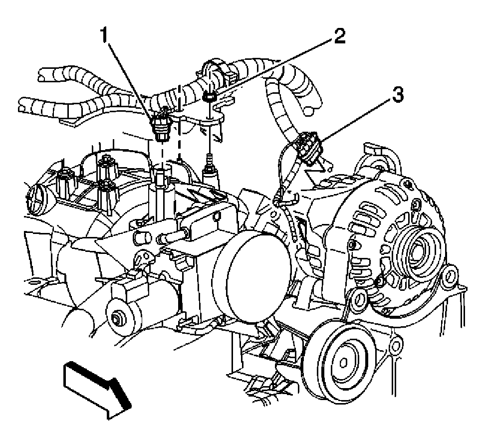
4. Disconnect the generator electrical connector (3).

5. Remove the generator cable from the generator, perform the following:
5.1. Slide the boot down revealing the terminal stud.
5.2. Remove the generator cable nut from the terminal stud.
5.3. Remove the generator cable.

6. Remove the generator bolts.
7. Remove the generator.

INSTALLATION PROCEDURE

1. Install the generator.

NOTE: Refer to Fastener Notice in Service Precautions.

2. Install the generator bolts.

Tighten
Tighten the bolts to 50 N.m (37 lb ft).

3. Install the generator cable to the generator, perform the following:
3.1. Install the generator cable.
3.2. Install the generator cable nut to the terminal stud.

Tighten
Tighten the nut to 9 N.m (80 lb in).

3.3. Slide the boot over the terminal stud.

4. Connect the generator electrical connector (3).
5. If necessary, install the engine sight shield.
6. Install the accessory drive belt.
7. Connect the negative battery cable.

Check out the diagrams (Below). Please let us know what happens.
Was this
answer
helpful?
Yes
No
Thursday, May 13th, 2021 AT 6:53 PM

Please login or register to post a reply.