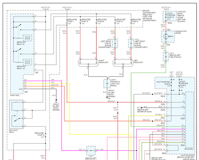
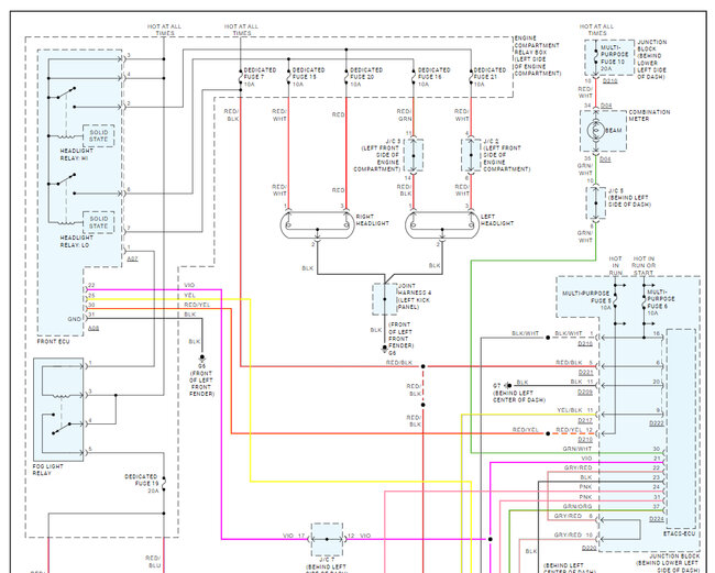
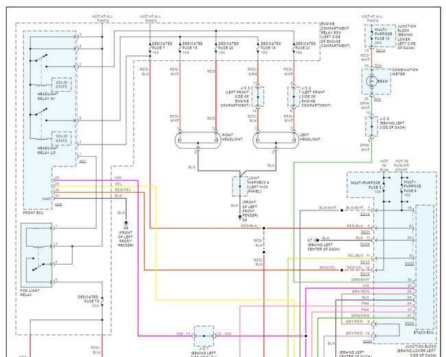
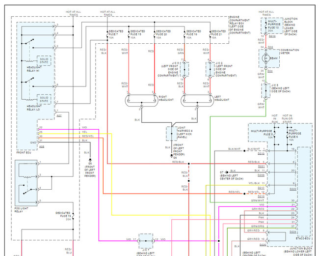
Friday, February 27th, 2015 AT 2:25 PM
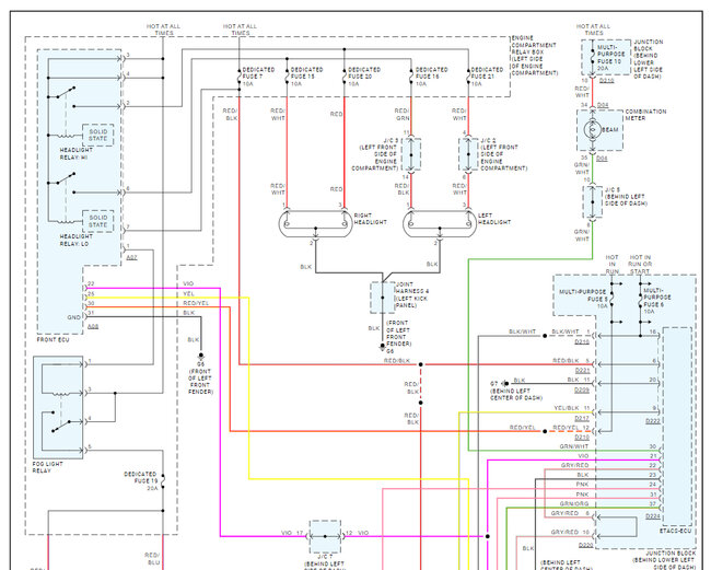
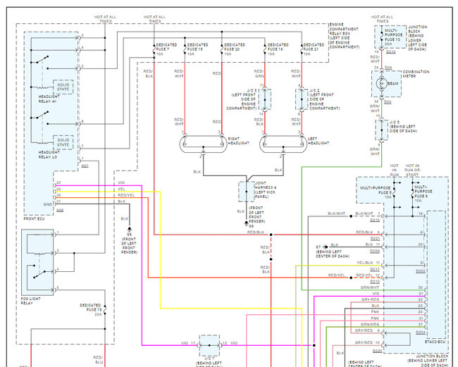
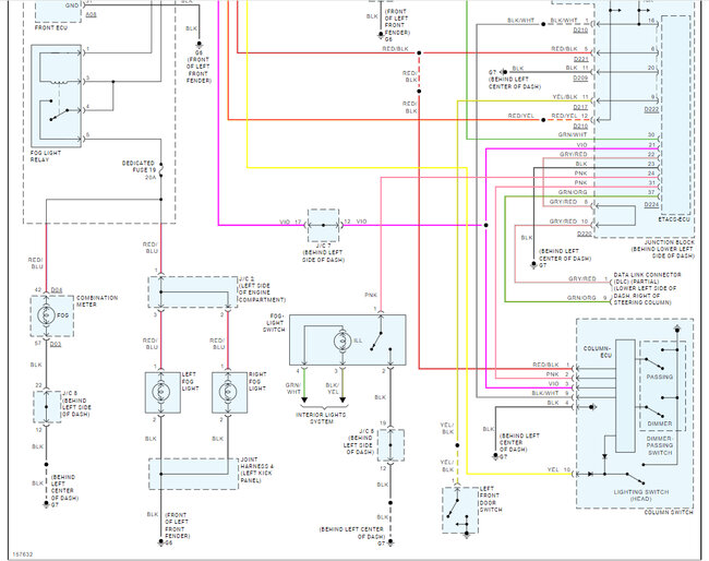
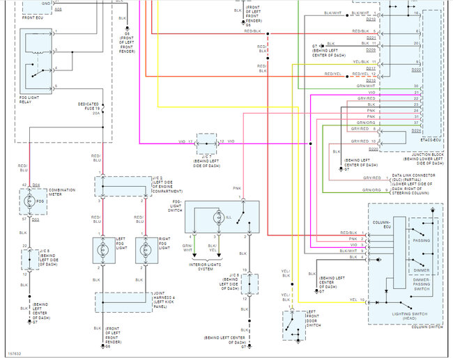
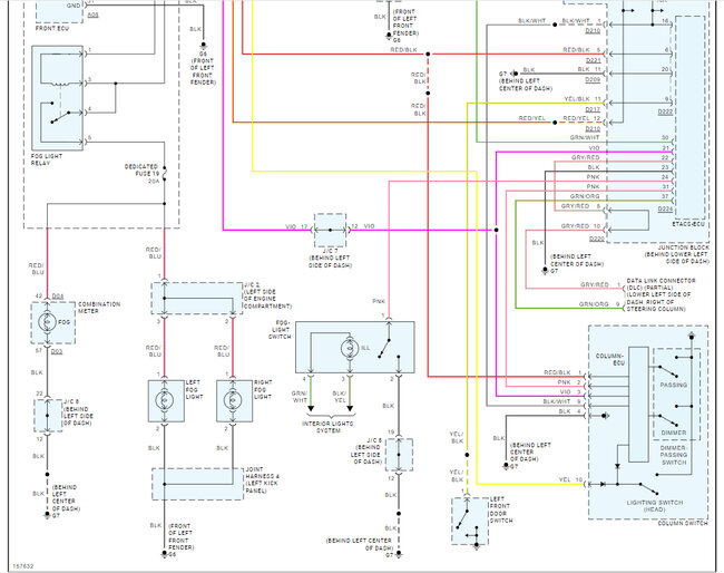
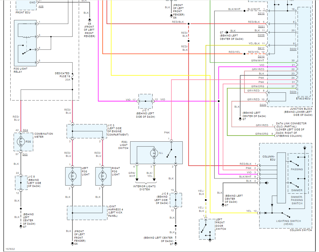
When I turn my lights on the left headlight turns on but not the right one and so I turn the high beams and the right one comes on but the left light turns off so in order to get both headlight on so I can drive at night is I have to hold the highs on so they both turn on






