2002 Mitsubishi Eclipse Power out

2002 MITSUBISHI ECLIPSE
185,000 MILES
Avatar
CAMAROSCOTTY
  • MEMBER
  • 4 POSTS
Power top, windows, signals, gauge needles except gas inop, (lights work, odometer does not) and maybe cooling fan not working. everything quit at once. only bad fuse was for cluster. replaced and it blew again. all others seem ok
Aug 9, 2013 at 9:07 PM
Advertisement
Repair Safety Notice: This information is for general instructional purposes only. Vehicle repair can be dangerous. Verify all information, follow manufacturer service procedures, use proper tools and safety equipment, and consult a qualified repair shop when needed.
Avatar
DRCRANKNWRENCH
  • AUTOMOTIVE REPAIR CONTRIBUTOR
  • 3,380 POSTS
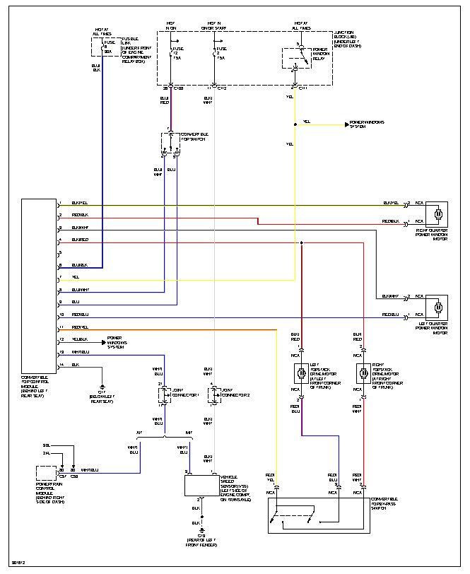
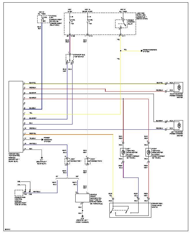
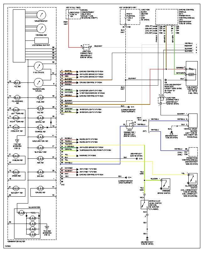
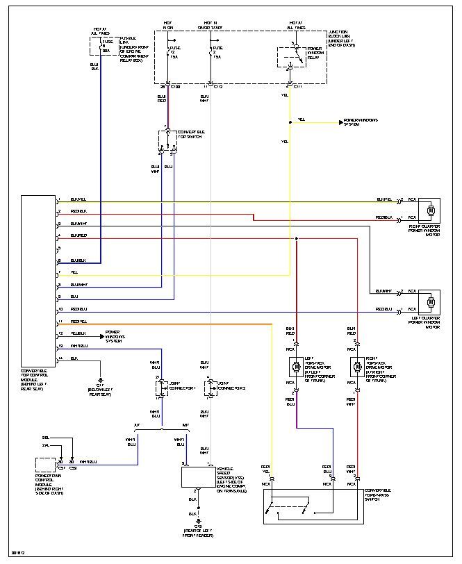
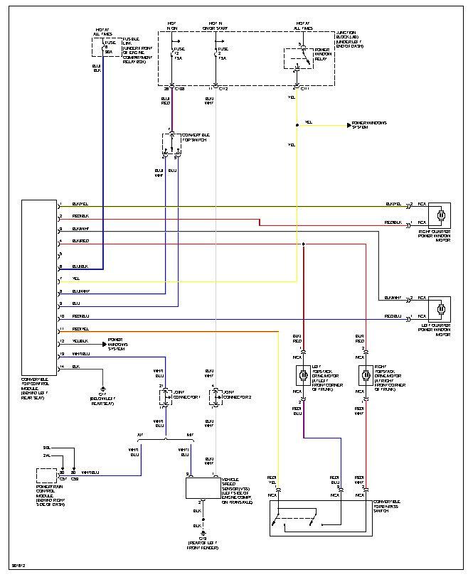
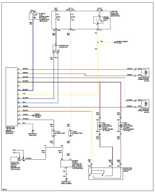
Sounds like you have a short in the power top control circuit which is tied into the vehicle speed sensor and the engine control module if you have an automatic transmission. I am attaching a wiring diagram so you can check the circuit. You may have a faulty power top control module.
Jun 19, 2020 at 11:58 AM
Avatar
CAMAROSCOTTY
  • MEMBER
  • 4 POSTS
Manual Trans -
Jun 19, 2020 at 11:58 AM
Advertisement
Avatar
DRCRANKNWRENCH
  • AUTOMOTIVE REPAIR CONTRIBUTOR
  • 3,380 POSTS
Still use the diagram and note where the speed sensor goes into the control unit. There is just an additional control unit for automatic transmission vehicles. If you don't find a short check for voltage at each wire on the control unit. If that does not lead to an answer our next step will be to check the grounds.
Jun 19, 2020 at 11:59 AM
Avatar
CAMAROSCOTTY
  • MEMBER
  • 4 POSTS
Also, the power windows did not roll up. In addition the: odometer, speedometer, and rpm gauge all stopped working at the same time. The "Gauge fuse" @ 7.5 amp was blown and upon immediate replacement and the key turned on the fuse blows again. I see this posted in several other sites, but none have a reply. Still tied to the power top?
Jun 19, 2020 at 11:59 AM
Advertisement
Avatar
DRCRANKNWRENCH
  • AUTOMOTIVE REPAIR CONTRIBUTOR
  • 3,380 POSTS
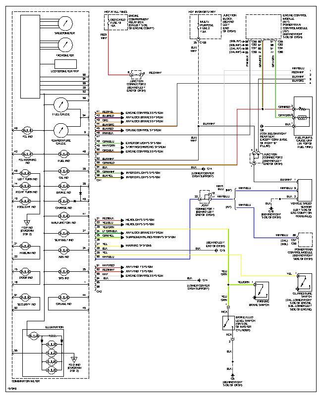
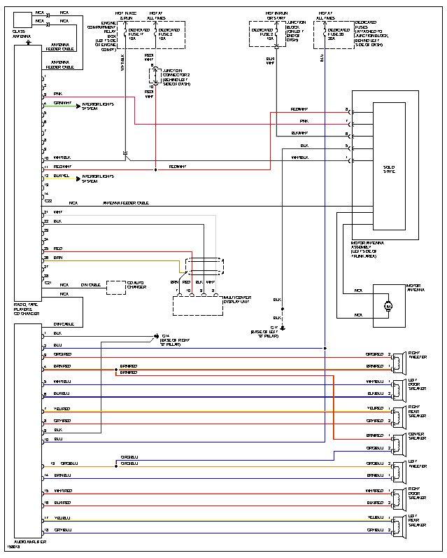
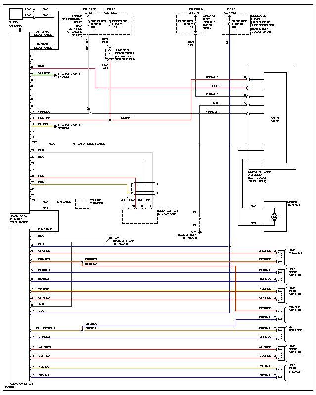
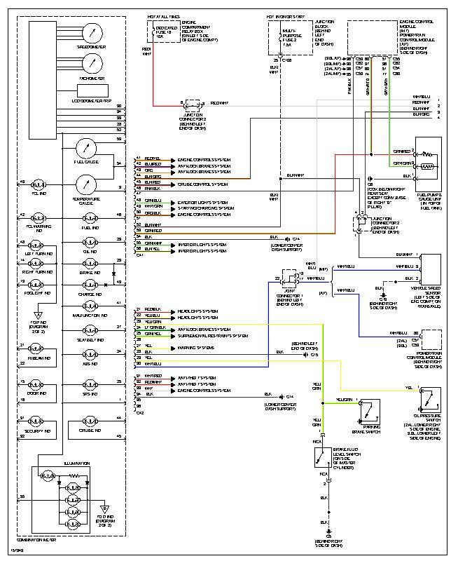
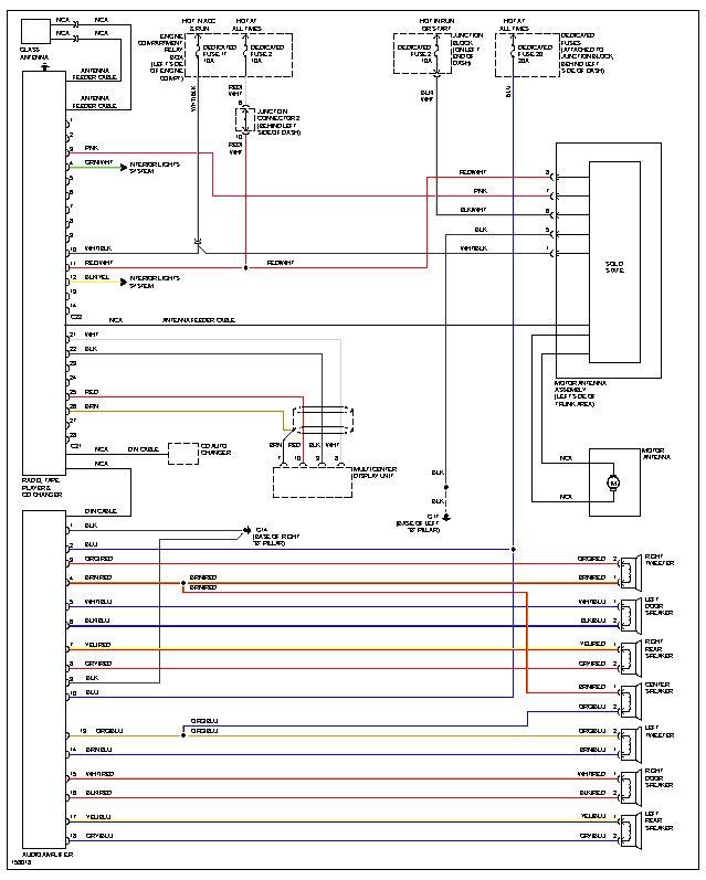
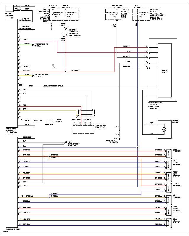
It is certainly affecting the power top circuit. I have included other radio wiring diagrams as well as a diagram of the Instrument Custer. If you are blowing the Fuse #2 which is the 7.5 amp gauge fuse, you should look at the wiring for this circuit as there must be a short somewhere in this circuit. Again I would check any connectors you might have taken apart for the radio adapter and see if they are tied into this circuit. Maybe the radio adapter is faulty. I am sorry if I did but I may have confused you with another customer who is having similar problems after a radio and subwoofer install.
Let me know of anything that may have happened prior to this problem so we can get it sorted out. Still, don't discount the radio circuit as it does share some common wiring with the components that are not working.
Jun 19, 2020 at 11:59 AM