Monday, December 13th, 2010 AT 3:25 AM
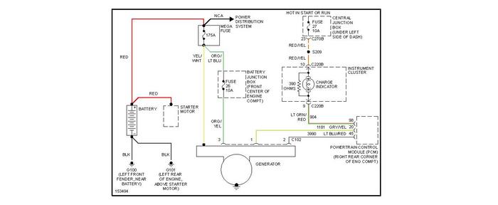
I have a 2002 sable wagon with the about mentioned intermittent lights. However, whenevr this seems to happen the car seems to shut down some components. I took it to AutoZone where I was told it was the Alternator; So I replaced it. SAME PROBLEM. I then replaced the battery but. SAME PROBLEM. I read something about a "super fuse" but do not quite recall. Please lend some insight to this problem.



