timing

2002 CHEVROLET S-10
195,000 MILES • 6 CYL • 4WD • AUTOMATIC
Avatar
TMILLER2
  • MEMBER
  • 1 POST
how to set timing after changing distributor on 02 chevy s10 4.3
Mar 3, 2011 at 9:59 PM
Advertisement
Repair Safety Notice: This information is for general instructional purposes only. Vehicle repair can be dangerous. Verify all information, follow manufacturer service procedures, use proper tools and safety equipment, and consult a qualified repair shop when needed.
Avatar
WRENCHTECH
  • AUTOMOTIVE REPAIR CONTRIBUTOR
  • 20,761 POSTS
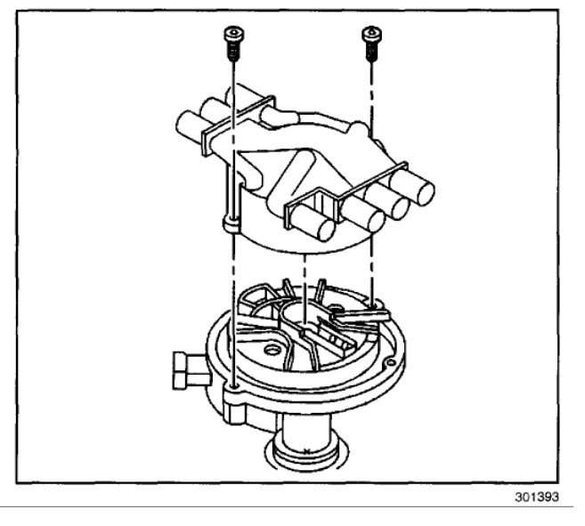
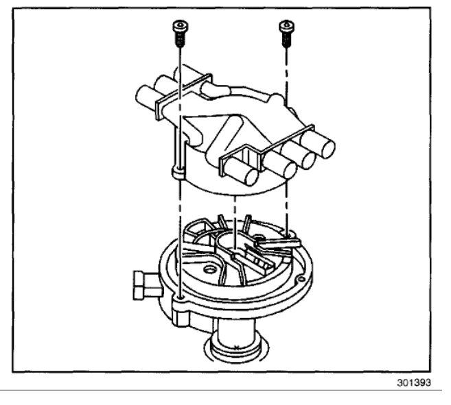
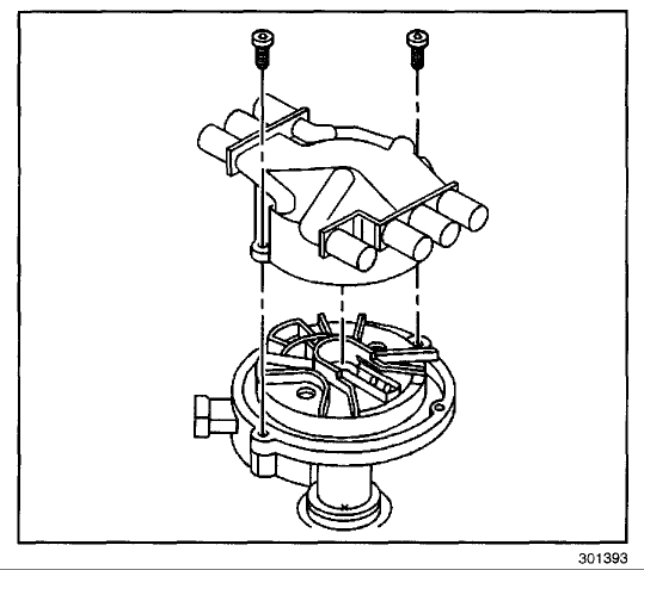
The timing is not adjustable at all. Turning the distributor controls the synchronization of the rotor with the coil and the injectors with the spark. It requires the use of a professional scan tool to observe the "Cam Offset" PID and adjust it to "0". You will have to get it close first to be able to get it started. https://www.2carpros.com/images/external/Distributorinstall0043.jpg Here are some larger diagrams (below)
Mar 3, 2011 at 10:27 PM
Avatar
GREEN6977
  • MEMBER
  • 25 POSTS
Thanks for your help it worked perfect this site is great!
Mar 24, 2011 at 6:19 PM
Advertisement
Avatar
WRENCHTECH
  • AUTOMOTIVE REPAIR CONTRIBUTOR
  • 20,761 POSTS
Good to hear, please use 2CarPros anytime we are here to help.

Cheers
Mar 24, 2011 at 10:32 PM