Monday, April 8th, 2013 AT 12:46 AM
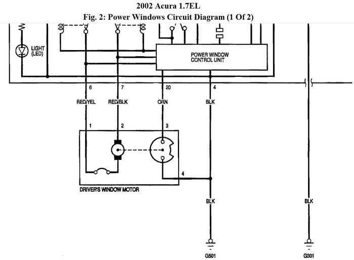
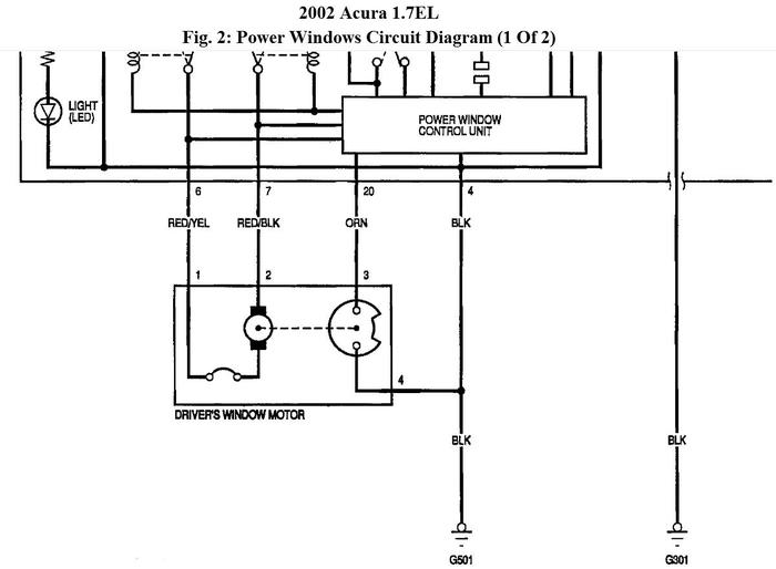
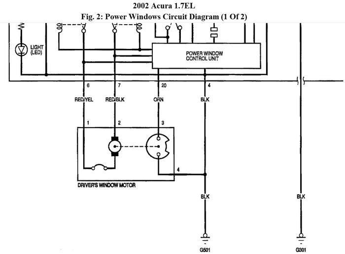
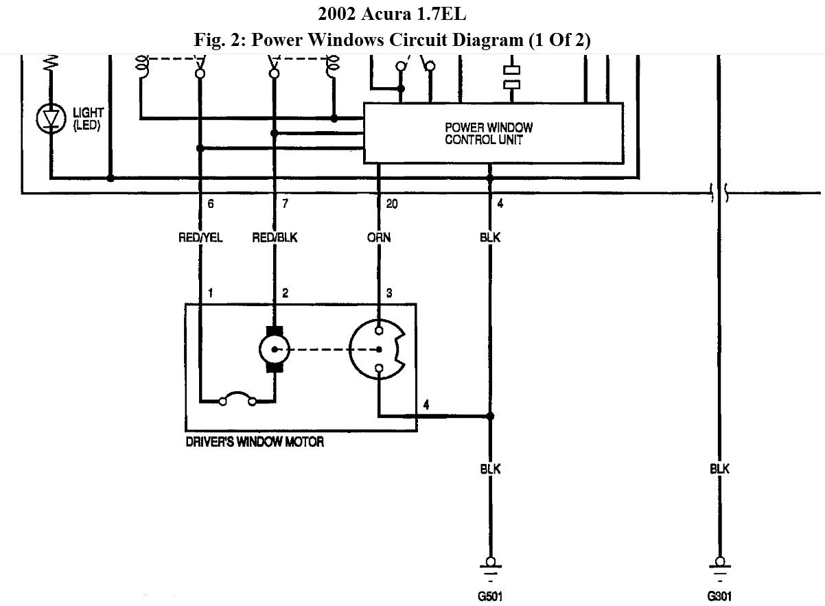
I have an issue with my back rear windows. There doesnt seem to be any power getting to them. I tested the connections and its not getting power. Could you please provide me with a wiring diagram for the windows so I can rewire it to get power? This would be greatly appreciated :) Thank you!



